Запчасти Case W7 (250) - DROTT 4-IN-1 BUCKET, BUCKET TEETH (OPTIONAL) (09) - CHASSIS

Схема запчастей Case W7 - (250) - DROTT 4-IN-1 BUCKET, BUCKET TEETH (OPTIONAL) (09) - CHASSIS
FIT
1:1
100%

Артикул

Название

Примечание

Количество

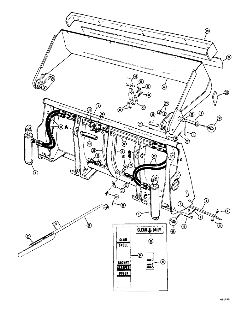
A18488

BUCKET - Drott, without teeth (1 cu. yd.) Machinery item, Includes: Ref. 1 - 32

1шт.

1

A18679

CYLINDER

- clam (Parts list figure 278)

2шт.

A18657

BLADE ASSEMBLY - bucket, Includes: Ref. 2 - 5

1шт.

2

NSS

NOT SOLD SEPARAT

BLADE - bucket

1шт.

3

A18658

EDGE

- cutting, blade

1шт.

4

19-1232

CARRIAGE BOLT,#3, 3/4" - 10 x 2", Gr 5

BOLT - plow head (3/4" - 10 NC x 2")

14шт.

5

25-1012

NUT,3/4"-10, G5

14шт.

6

A18665

PIN

- cylinder to blade, Includes: Ref. 6A

2шт.

6a

219-1

LUBE NIPPLE,1/8" - 27 NPTF

FITTING - grease, straight (1/8" NPT)

1шт.

7

A18666

PIN

- clevis, 1/2" dia. x 3-3/4"

2шт.

8

132-48

COTTER PIN,1/8" x 1"

Pin, Split (Cotter), 1/8" x 1"

2шт.

9

A18663

PIN

- clam to blade, Includes: Ref. 10

2шт.

10

219-1

LUBE NIPPLE,1/8" - 27 NPTF

FITTING - grease, straight (1/8" NPT)

1шт.

11

A18664

CLEVIS PIN

PIN - clevis, 3/8" dia. 2-1/4"

2шт.

12

132-48

COTTER PIN,1/8" x 1"

Pin, Split (Cotter), 1/8" x 1"

2шт.

13

A17687

HOSE ASSY.

HOSE - clam cylinder to relief valve (20" long)

4шт.

14

A18674

TUBE

- relief valve to R.H. clam cylinder

2шт.

15

A18675

TUBE

- relief valve to L.H. clam cylinder

2шт.

16

A17701

VALVE

- relief (Parts list figure 252)

1шт.

17

A17696

COLLAR CLAMP

CLAMP -, Serial Range: tube-blade

2шт.

18

25-106

NUT,3/8"-16, G5

- hex. (3/8" - 16 NC)

2шт.

19

A18676

TUBE

- relief valve to swivel connector, R.H.

1шт.

20

A18677

TUBE - relief valve to swivel connector, L.H.

1шт.

21

A17698

CLAMP -, Serial Range: tube-blade

2шт.

22

15-612

BOLT (SPREADER)

HHCS - 3/8" - 16 NC x 3/4"

2шт.

23

A17688

LINK

CONNECTOR - swivel (Parts list figure 252)

2шт.

A18659

CLAW

CLAM ASSEMBLY - bucket, Includes: Ref. 24 - 31

1шт.

24

NSS

NOT SOLD SEPARAT

CLAM - bucket

1шт.

25

A18662

BUSHING

- pivot, Serial Range: clam-blade

6шт.

26

A18660

BLADE

CUTTING EDGE - clam

1шт.

27

A18661

PLATE

WEAR PLATE - clam

1шт.

28

D38842

HOOK

GRAB HOOK - clam

2шт.

29

A18667

PIN

-, Serial Range: clam-cylinder

2шт.

30

A18666

PIN

- clevis, 1/2" dia. x 3-3/4"

2шт.

31

132-48

COTTER PIN,1/8" x 1"

Pin, Split (Cotter), 1/8" x 1"

2шт.

32

A18673

DECAL

- "Clean Daily"

2шт.

33

A18489

DECAL

- clam opening

1шт.

34

321-1322

DECAL - bucket position (Backhoe models only)

1шт.

321-1323

DECAL - bucket position (Loader models only)

1шт.

35

A18491

GAUGE - bucket position indicator

1шт.

36

A17461

ROD - indicator, bucket position

1шт.

37

A17560

PIN

- pivot, indicator mounting

1шт.

38

132-102

COTTER PIN,3/16" x 2 1/2"

PIN - plit (Cotter), 3/16" x 2 1/2"

1шт.

A18668

TOOTH

TEETH - bucket, Includes: Ref. 43 - 48

7шт.

43

NSS

NOT SOLD SEPARAT

SHANK - tooth, bucket teeth (optional)

1шт.

44

13-844

BOLT,Hex, 1/2" - 13 x 2-3/4", Gr 5

Hex, 1/2"-13 x 2 3/4", G5, Bucket teeth (optional)

1шт.

45

13-840

BOLT,Hex, 1/2" - 13 x 2-1/2", Gr 5

HHCS - 1/2" - 13 NC x 2-1/2", bucket teeth (optional)

1шт.

46

25-108

NUT,1/2"-13, G5

- hex. (1/2" - 13 NC), bucket teeth (optional)

2шт.

47

A18670

POINT

- tooth, bucket teeth (optional)

1шт.

48

138-178

LOCK PIN,3/8" x 2 1/4", Slotted

PIN, , Bucket teeth (optional) 3/8" x 2 1/4", Slotted

1шт.

Выбрано товаров: 50