Запчасти Case W7 (044) - CYLINDER BLOCK ASSEMBLY, (284) SPARK IGNITION ENGINE (02) - ENGINE

Схема запчастей Case W7 - (044) - CYLINDER BLOCK ASSEMBLY, (284) SPARK IGNITION ENGINE (02) - ENGINE
FIT
1:1
100%

Артикул

Название

Примечание

Количество

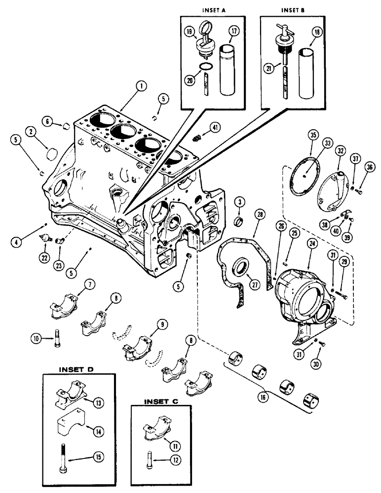
A41216

BLOCK ASSY. - cyl., short (Replaces A40360) (Incl. piston assy., connecting rods & brgs., crankshaft & brgs., camshaft & bushings, timing gears & push rod lifters) (Casting no. A34934), Includes: Ref. 1 - 18

1шт.

1

A41217

SKELETON ENGINE

BLOCK ASSY. - stripped (See inset D) (Casting no. A34934), Includes: Ref. 2 - 18

1шт.

1

A23510

X

BLOCK ASSY. - stripped (See inset C) (Casting no. A34934) (Order A41217), Includes: Ref. 2 - 18

1шт.

2

A24361

PLUG

- camshaft hole, 2-3/8" cup type

1шт.

3

41-1628

PLUG,Cup, 1 3/4", Stainless

- cup, front water gallery

1шт.

4

221-41

PLUG

- 1/8" P.T. sltd. hd.

2шт.

5

221-1843

PLUG

- 3/8" P.T., ctsk. hd.

5шт.

6

221-26

DRAIN PLUG,Sq Soc, 1"-11 1/2, NTPF

PLUG - 1" P.T., ctsk. hd.

1шт.

7

A24941

CAP

- main bearing, rear

1шт.

8

A24942

CYLINDER END CAP

CAP - main bearing, intermediate

2шт.

9

A24943

CAP

- main bearing, thrust, center

1шт.

10

A27836

SPECIAL BOLT,5/8" - 11 x 3 1/4"

- rear, intermediate & center brg. caps (5/8 x 3-1/4" N.C. special)

8шт.

11

A24941

CAP

- main brg., front (Used w/A23570 block) (See inset C)

1шт.

12

A27836

SPECIAL BOLT,5/8" - 11 x 3 1/4"

- brg. cap (Used w/A24941 front brg. cap) (5/8 x 3-1/4" N.C. spec.) (See inset C)

2шт.

13

A34937

HOLDER

CAP - main brg., front (Used w/A41217 block) (See inset D)

1шт.

14

A57076

SPACER - (Used w/A34937 front brg. cap) (See inset D)

1шт.

15

113-637

BOLT

- brg. cap (Used w/A34937 front brg. cap) (5/8 x 6" N.C. hex.) (See inset D)

2шт.

16

A23577

KIT

BUSHING KIT - camshaft (Set of 4)

1шт.

17

A34540

TUBE

SOCKET - oil level gauge (See inset A), Start Serial: 2141473

1шт.

18

A20714

X

SOCKET - oil level gauge (See inset B) (Order 1-A34540 & 1-A34541), Serial Range: -2141473

1шт.

19

A34541

DIPSTICK

GAUGE ASSY. - oil level (Dipstick) (See inset A), Includes: Ref. 20, Start Serial: 2141473

1шт.

20

F62075

O-RING,0.139" Thk x 0.734" ID, -210, Cl 5, 75 Duro

"O" RING - oil gauge seal (See inset A)

2шт.

21

A20739

GAUGE

ASSY. - oil level (Dipstick) (See inset B) (Order 1-A34540 & 1-A34541), Serial Range: -2141473

1шт.

22

A13794

TRANSMITTER

UNIT - sending, oil pressure (w/cluster gauge light)

1шт.

22

A35031

SENDER UNIT

UNIT - sending, oil pressure (w/oil pressure gauge)

1шт.

23

221-1401

ELBOW,45º, 1/8"-27, NPT

- street, 1/8" P.T. x 45 degrees

1шт.

24

A57402

COVER ASSY. - timing gear (Replaces A34938), Includes: Ref. 25 - 27

1шт.

25

A27840

PIN

- dowel, timing gear cover

2шт.

26

A27869

BUTTON - thrust

2шт.

27

A57342

SEAL

- oil, front

1шт.

28

A33018

GASKET

- timing gear cover

1шт.

29

13-640

BOLT,Hex, 3/8" - 16 x 2-1/2", Gr 5

- 3/8 x 2-1/2" N.C. hex.

7шт.

29

13-644

BOLT,Hex, 3/8" - 16 x 2-3/4", Gr 5

- 3/8 x 2-3/4" N.C. hex.

1шт.

30

13-616

BOLT,Hex, 3/8" - 16 x 1", Gr 5, Full Thd

2шт.

31

92-6

LOCK WASHER,3/8"

10шт.

32

A20833

CAP ASSY. - timing gear cover, Includes: Ref. 33

1шт.

33

A27869

BUTTON - thrust, bumper

1шт.

35

A27867

GASKET

- timing gear cover cap

1шт.

36

13-618

BOLT,Hex, 3/8" - 16 x 1-1/8", Gr 5

3шт.

36

13-612

BOLT,Hex, 3/8" - 16 x 3/4", Gr 5, Full Thd

1шт.

37

92-6

LOCK WASHER,3/8"

4шт.

38

A28218

POINTER - timing

1шт.

39

13-48

BOLT,Hex, 1/4" - 20 x 1/2", Gr 5

1шт.

40

193-44

LOCK WASHER,Ext-Int Tooth, 1/4"

WASHER - Shakeproof, 1/4" int./ext.

2шт.

41

A23656

COCK, DRAIN

VALVE - drain, cylinder block

1шт.

Выбрано товаров: 45