Запчасти Case W7 (038) - FUEL INJECTION PUMP AND DRIVE, (301) DIESEL ENGINE (03) - FUEL SYSTEM

Схема запчастей Case W7 - (038) - FUEL INJECTION PUMP AND DRIVE, (301) DIESEL ENGINE (03) - FUEL SYSTEM
FIT
1:1
100%

Артикул

Название

Примечание

Количество

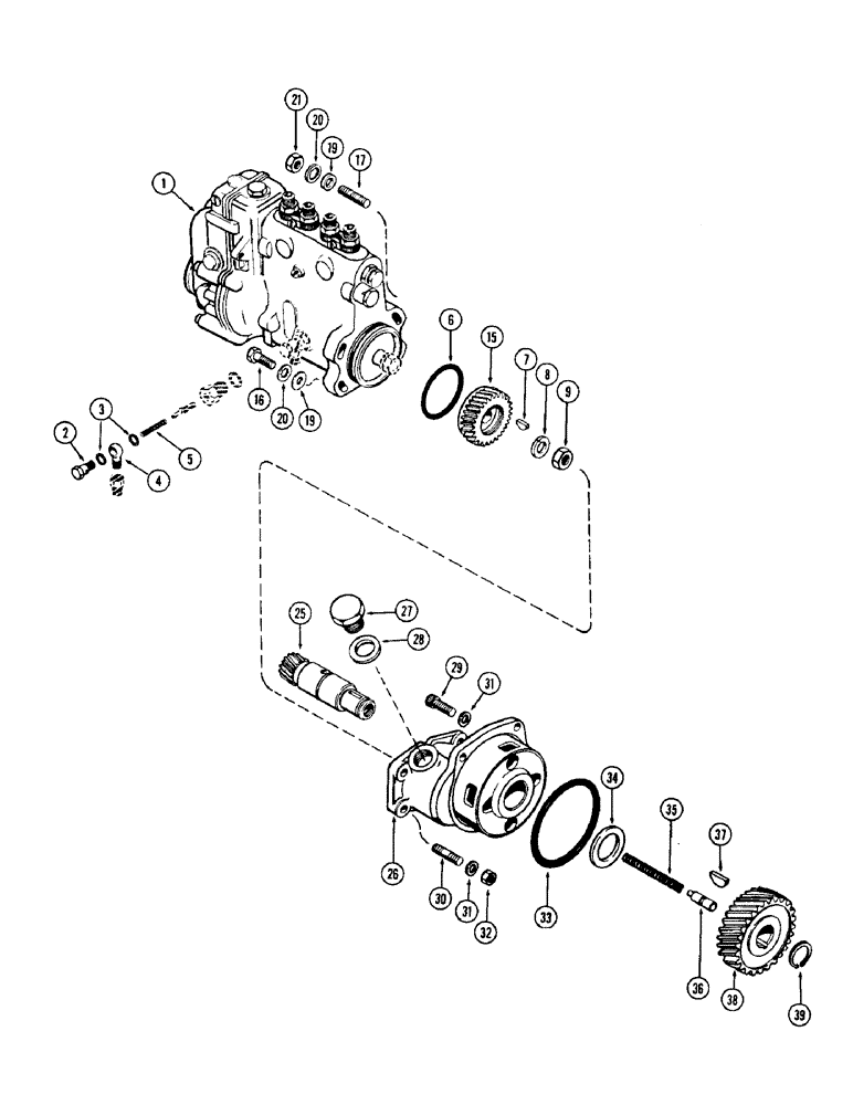
1

A20448

PUMP ASSY. - fuel injection, Includes: Ref. 2 - 9

1шт.

2

A25192

BANJO BOLT

BOLT - lube oil fitting

1шт.

3

A22381

WASHER

- banjo fitting

2шт.

4

A25191

FITTING

- oil lube line (Banjo type)

1шт.

5

A25190

SPRING

- oil lube port

1шт.

6

A42056

O-RING,2.598" ID x 2.834" OD x 0.118"

"O" RING - pump to housing, 2-19/32 x 2-27/32 x 1/8"

1шт.

7

A20933

KEY

- drive gear

1шт.

8

A25188

WASHER

- lock, pump shaft

1шт.

9

A25189

NUT - pump shaft

1шт.

15

A21139

GEAR

- injection pump

1шт.

16

13-624

BOLT,Hex, 3/8" - 16 x 1-1/2", Gr 5

- 3/8 x 1-1/2" N.C. hex.

2шт.

17

A20664

STUD - 3/8" N.F. x 1-7/8"

2шт.

19

A57470

WASHER

- 13/32 x 11/16 x 16 ga.

4шт.

20

193-30

LOCK WASHER,Int Tooth, 3/8"

WASHER, LOCK, Int Tooth, 3/8"

4шт.

21

25-116

NUT,Hex, 3/8"-24, G5

- 3/8" N.F. hex.

2шт.

25

A20622

GEAR

SHAFT & PINION - drive, pump gear

1шт.

26

A21136

HOUSING ASSY. - w/bushing

1шт.

27

A21140

PLUG

- timing window

1шт.

28

A58613

SEALING WASHER

GASKET - timing plug (Nylon)

1шт.

29

11-620

CARRIAGE BOLT,Short NK, 3/8"-16 x 1 1/4", G2

BOLT - 3/8 x 1-1/4" N.C. hex. sckt. hd.

1шт.

29

13-620

BOLT,Hex, 3/8" - 16 x 1-1/4", Gr 5, Full Thd

1шт.

30

A26554

STUD - 3/8" N.C./N.F. x 1-9/16"

1шт.

31

92-6

LOCK WASHER,3/8"

3шт.

32

25-116

NUT,Hex, 3/8"-24, G5

- 3/8" N.F. hex.

1шт.

33

A23316

O-RING,0.139" Thk x 4.484" ID, -246, Cl 5, 75 Duro

"O" RING - drive housing

1шт.

34

A27864

WASHER

- thrust

1шт.

35

CASA27853

SPRING

- plunger tension

1шт.

36

A27852

PLUNGER

- thrust, pinion

1шт.

37

126-66

WOODRUFF KEY

KEY - drive gear, #141 Woodruff

1шт.

38

A20899

GEAR WHEEL

GEAR - drive, fuel pump

1шт.

39

A27576

SNAP RING,#98, Ext

Ring, Snap, , drive gear #98, Ext

1шт.

Выбрано товаров: 31