Запчасти Case W7 (066) - A20813 CARBURETOR, (284) SPARK IGNITION ENGINE, USED W/DRY AIR CLEANER (03) - FUEL SYSTEM

Схема запчастей Case W7 - (066) - A20813 CARBURETOR, (284) SPARK IGNITION ENGINE, USED W/DRY AIR CLEANER (03) - FUEL SYSTEM
FIT
1:1
100%

Артикул

Название

Примечание

Количество

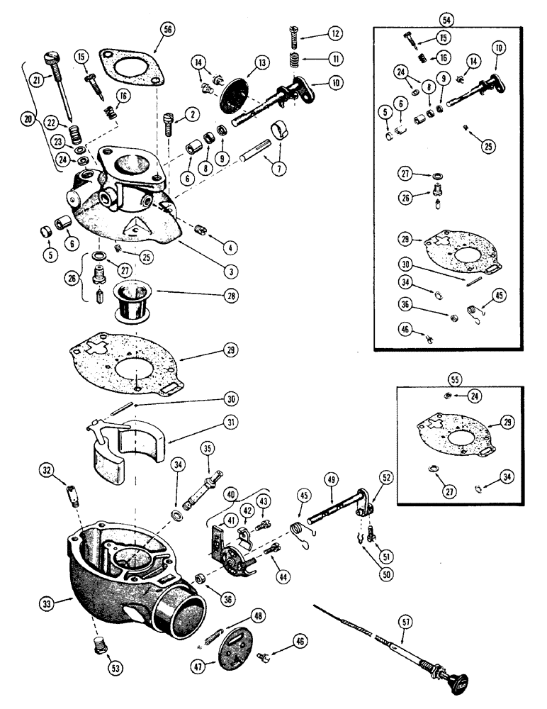
A20813

CARBURETOR

ASSY. - engine (Marvel-Schebler #TSX-785), Includes: Ref. 2 - 53

1шт.

2

B51684

SCREW - mounting, throttle, Serial Range: body-bowl

4шт.

3

B51908

BODY ASSY. - throttle, Includes: Ref. 4 - 14

1шт.

4

B51696

PLUG - pipe, 5/16" N.F., hdless.

1шт.

5

B51850

RETAINER CUP

PLUG - cup, throttle shaft

1шт.

6

B51858

BUSHING

- throttle shaft

2шт.

7

A40320

STOP ASSY. - throttle

1шт.

8

B51806

PACKING

- throttle shaft

1шт.

9

B51851

RETAINER

- shaft packing

1шт.

10

B51665

SHAFT ASSY. - throttle, Includes: Ref. 11 and 12

1шт.

11

B51742

SPRING

- throttle stop screw

1шт.

12

B51680

SCREW - adjusting, throttle stop

1шт.

13

B51668

FLY - throttle shaft

1шт.

14

B51702

SCREW,#6 - 32 x 1/4"

- mounting, Serial Range: fly-shaft

2шт.

15

B51789

NEEDLE

- adjusting, idle

1шт.

16

B51744

SPRING

- adjusting, idle

1шт.

20

B51796

NEEDLE

ASSY. - power adjusting, Includes: Ref. 21 - 24

1шт.

21

B51798

NEEDLE

- power

1шт.

22

B51732

VALVE SPRING

SPRING - power needle

1шт.

23

B51870

WASHER

- power needle

1шт.

24

B51723

GASKET

- power needle

1шт.

25

B51828

JET

- idle, carburetor

1шт.

26

B51914

VALVE

ASSY. - float

1шт.

27

B51703

GASKET

- float valve seat

1шт.

28

B51817

VENTURI

- (1-1/16" throat)

1шт.

29

B51704

GASKET

- throttle, Serial Range: body-bowl

1шт.

30

B51778

SHAFT

- float, carburetor

1шт.

31

B51773

FLOAT

- carburetor

1шт.

32

B51781

SEAT - power needle

1шт.

33

NSS

NOT SOLD SEPARAT

BOWL ASSY. - carburetor (Order A20813)

1шт.

34

NSS

NOT SOLD SEPARAT

GASKET - nozzle, main

1шт.

35

B51822

NOZZLE - main

1шт.

36

B51802

PACKING

- choke shaft

1шт.

40

B51771

BRACKET ASSY. - choke, Includes: Ref. 41 - 43

1шт.

41

NSS

NOT SOLD SEPARAT

BRACKET - choke (Order B51771)

1шт.

42

B51765

CLIP

- choke bracket

1шт.

43

B51695

SCREW - mounting, Serial Range: clip-bracket

1шт.

44

B51686

SCREW - mounting, Serial Range: bracket-bowl

2шт.

45

B51733

SPRING - return, choke

1шт.

46

B51702

SCREW,#6 - 32 x 1/4"

- mounting, choke fly

2шт.

47

B51762

VALVE

FLY ASSY. - choke, Includes: Ref. 48

1шт.

48

B51743

SPRING

- valve, choke fly

1шт.

49

B51750

SHAFT ASSY. - choke, Includes: Ref. 50 - 52

1шт.

50

B51877

SPLIT PIN

PIN - cotter, swivel

1шт.

51

B51698

SCREW,0.164" - 32 x 5/16"

- swivel

1шт.

52

B51764

PIVOT

SWIVEL - choke shaft

1шт.

53

B51887

PLUG

- drain, bowl

1шт.

54

B51934

KIT

- carburetor repair, Includes: Ref. 55

1шт.

55

B51725

X

KIT - carburetor gasket

1шт.

56

A26434

GASKET

-, Serial Range: carburetor-manifold

1шт.

57

A18485

CONTROL

CABLE ASSY. - choke control, flexible

1шт.

Выбрано товаров: 51