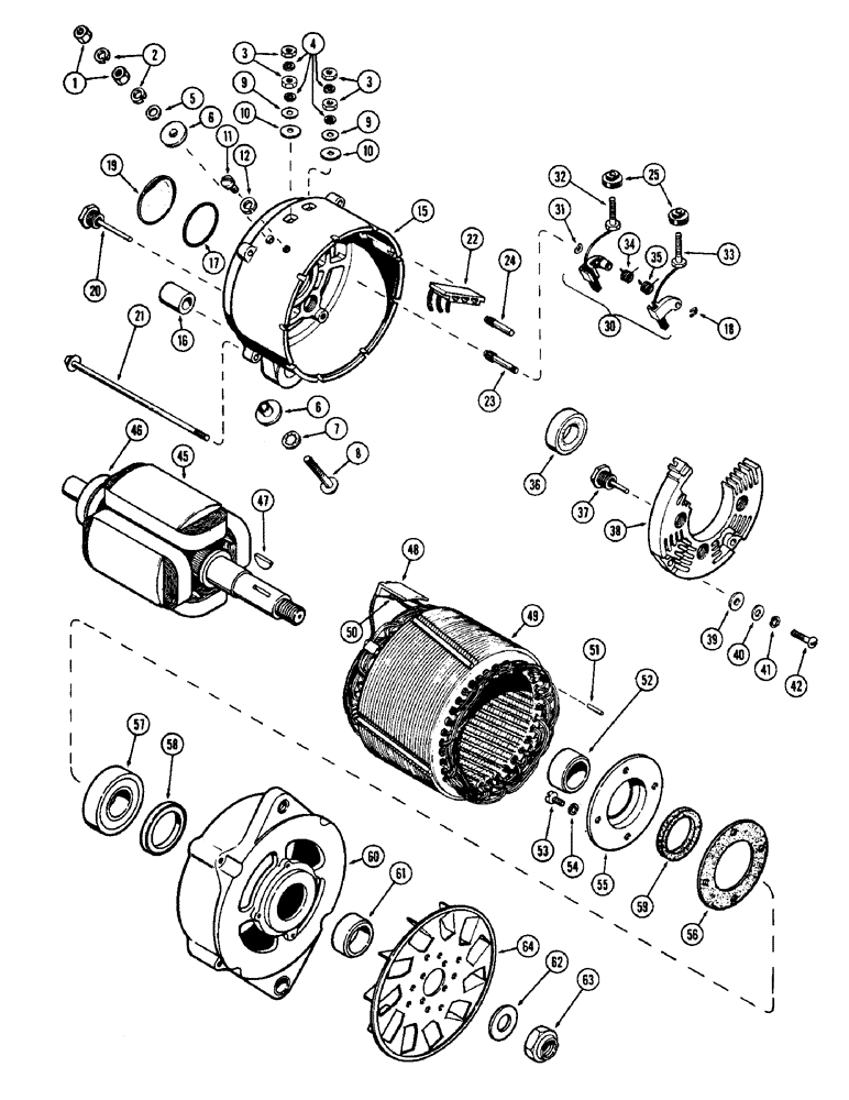
Запчасти Case W7 (076) - A18436 ALTERNATOR, 301 DIESEL AND 284 SPARK IGNITION ENGINES (04) - ELECTRICAL SYSTEMS

Схема запчастей Case W7 - (076) - A18436 ALTERNATOR, 301 DIESEL AND 284 SPARK IGNITION ENGINES (04) - ELECTRICAL SYSTEMS
FIT
1:1
100%

Артикул

Название

Примечание

Количество

A18436

SPARE PART ALTERNATOR ASSY. - 60 amp. (Delco #1117078) (Order A41340), Includes: Ref. 1 - 64

1шт.

104022A1R

REMAN-ALTERNATOR

Remanufactured 12 VOLT, 55 Amp Alternator

1шт.

104022A1C

CORE-ALTERNATOR

Return Number, 12 VOLT, 55 Amp Alternator

1шт.

1

25-114

NUT,1/4"-28, G5

NUT - 1/4" N.F. hex.

2шт.

2

92-4

LOCK WASHER,1/4"

WASHER, LOCK, 1/4"

2шт.

3

225-14112

NUT,#12-24

NUT - #12 N.F. hex.

4шт.

4

492-11012

LOCK WASHER,#12

WASHER, LOCK, #12

4шт.

5

NSS

NOT SOLD SEPARAT

WASHER - battery terminal

1шт.

6

NSS

NOT SOLD SEPARAT

BUSHING - insulation, battery terminal

2шт.

7

193-29

LOCK WASHER,Int Tooth, 5/16"

WASHER, LOCK, Int Tooth, 5/16"

1шт.

8

NSS

NOT SOLD SEPARAT

STUD - battery terminal

1шт.

9

NSS

NOT SOLD SEPARAT

WASHER - field terminal

2шт.

10

NSS

NOT SOLD SEPARAT

WASHER - insulation, field terminal

2шт.

11

71-424

SCREW

SCREW - ground, 1/4 x 1-1/2" N.C., fill. hd.

1шт.

12

92-4

LOCK WASHER,1/4"

WASHER, LOCK, 1/4"

1шт.

15

A40773

SPARE PART FRAME ASSY. - slip ring, Includes: Ref. 16 - 19

1шт.

16

NSS

NOT SOLD SEPARAT

SLEEVE - hinge, frame mounting

2шт.

17

NSS

NOT SOLD SEPARAT

RETAINER - bearing (Rubber)

1шт.

18

NSS

NOT SOLD SEPARAT

SPRING - retainer, brush holder

1шт.

19

NSS

NOT SOLD SEPARAT

PLUG - expansion, slip end

1шт.

20

A25497

DIODE

DIODE - negative

3шт.

21

A25481

BOLT - thru, alternator

4шт.

22

A25484

CONNECTOR - diode lead

1шт.

23

A25494

PIN - hinge, brush holder

1шт.

24

A25495

PIN - stop, brush holder

1шт.

25

NSS

NOT SOLD SEPARAT

INSULATOR - field terminal

2шт.

30

A25489

BRUSH

KIT - brush holder-alternator, Includes: Ref. 31 - 35, (Also incls. 18)

1шт.

31

NSS

NOT SOLD SEPARAT

WASHER - spacer, brush holder

1шт.

32

NSS

NOT SOLD SEPARAT

HOLDER - brush, inside

1шт.

33

NSS

NOT SOLD SEPARAT

HOLDER - brush, inside

1шт.

34

NSS

NOT SOLD SEPARAT

SPRING - inside brush

1шт.

35

NSS

NOT SOLD SEPARAT

SPRING - outside brush

1шт.

36

A25476

BEARING

BEARING - ball, slip ring frame

1шт.

37

A25496

DIODE - positive

1шт.

38

A25510

SPARE PART SINK - heat

1шт.

39

NSS

NOT SOLD SEPARAT

BUSHING - insulating, heat sink

4шт.

40

NSS

NOT SOLD SEPARAT

WASHER - sink screw

4шт.

41

92-3

LOCK WASHER,#10

WASHER, LOCK, #10

4шт.

42

NSS

NOT SOLD SEPARAT

SCREW - attaching, sink

4шт.

45

A25490

ROTOR ASSY. - alternator, Includes: Ref.

1шт.

46

A40863

PIPE

RING - slip, rotor

1шт.

47

126-115

WOODRUFF KEY,#8, 5/32" x 3/4", HT

WOODRUFF KEY, , Pulley, drive end #8, 5/32" x 3/4", HT

1шт.

48

A25500

HOLDER - stator terminal

1шт.

49

A25480

STATOR ASSY. - alternator, Includes: Ref. 50

1шт.

50

NSS

NOT SOLD SEPARAT

CLIP - stator terminal

1шт.

51

NSS

NOT SOLD SEPARAT

PIN - dowel, locating

1шт.

52

A25516

COLLAR - space, inside fan

1шт.

53

NSS

NOT SOLD SEPARAT

SCREW - attaching, bearing retainer

4шт.

54

NSS

NOT SOLD SEPARAT

WASHER - lock, attaching screw

4шт.

55

A25491

PLATE ASSY.

PLATE - retainer, bearing

1шт.

56

A25492

GASKET - bearing retainer

1шт.

57

A25478

SPARE PART BEARING - ball, drive end

1шт.

58

A25475

RETAINER - drive end

1шт.

59

NSS

NOT SOLD SEPARAT

WASHER - bearing (Felt)

1шт.

60

A25507

FRAME - drive end

1шт.

61

A25479

COLLAR - spacing, bearing

1шт.

62

NSS

NOT SOLD SEPARAT

WASHER - fan nut

1шт.

63

A25995

NUT

NUT - shaft, drive end

1шт.

64

A25520

SPARE PART FAN - alternator

1шт.

Выбрано товаров: 59