Запчасти Case W7 (085C) - A40461 SOLENOID, G44891 SOLENOID (04) - ELECTRICAL SYSTEMS

Схема запчастей Case W7 - (085C) - A40461 SOLENOID, G44891 SOLENOID (04) - ELECTRICAL SYSTEMS
FIT
1:1
100%

Артикул

Название

Примечание

Количество

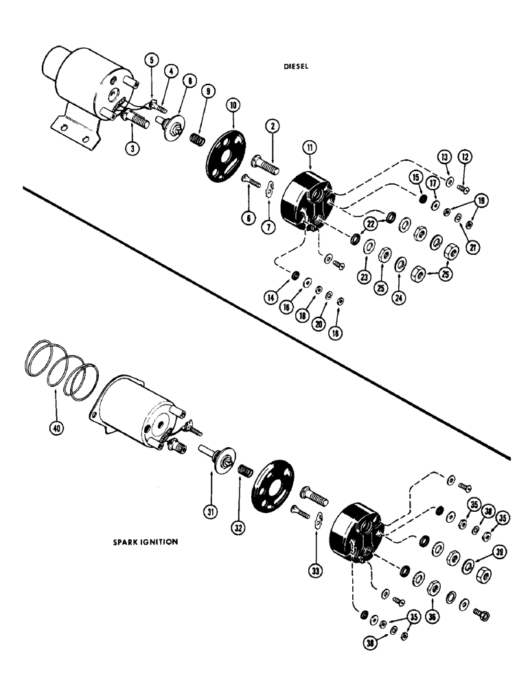
A40461

IGNITION SWITCH

SOLENOID ASSY. - (Delco-Remy #1115510), Includes: Ref. 2 - 25

1шт.

2

A42087

STUD

- battery terminal

1шт.

3

A42089

STUD

- starter terminal

1шт.

4

A42091

STUD - resistor terminal (#8-32)

1шт.

5

A42088

CLIP - resistor terminal

1шт.

6

A42090

TERMINAL CONNECTOR

STUD - switch terminal (#10-32)

1шт.

7

A42060

HALF BLADE

CONTACT - switch terminal stud

1шт.

8

A40692

CONTACT

ASSY.

1шт.

9

A42059

SPRING

- contact return

1шт.

10

A42093

GASKET

- cover

1шт.

11

A42316

COVER

- solenoid contacts

1шт.

12

A42083

SCREW - cover

2шт.

13

D30018

WASHER - cover screws

2шт.

14

A42086

WASHER - insulation (#8 stud)

1шт.

15

A42084

INSULATOR

WASHER - insulation (#10 stud)

1шт.

16

A42082

WASHER - steel (#8 stud)

1шт.

17

R16177

WASHER

- steel (#10 stud)

1шт.

18

129-16

NUT,#8-32

Terminal #8-32

2шт.

19

129-77

NUT,Sq, #10-32

- terminal (#10-32 hex.)

2шт.

20

192-16

LOCK WASHER,Helical Spring, #8, 0.17" ID, CST, ZND

Washer, Lock, , Terminal stud #8

1шт.

21

192-18

LOCK WASHER,Helical Spring, #10, 0.196" ID, CST, ZND

WASHER, LOCK, , Terminal stud #10

1шт.

22

A42085

BUSHING

WASHER - insulation (3/8" studs)

2шт.

23

R15013

WASHER

- steel (3/8" studs)

2шт.

24

192-21

LOCK WASHER,3/8"

WASHER, LOCK, , Terminal stud 3/8"

2шт.

25

87016560

JAM NUT,Jam, 3/8"-16, G5

Terminal studs Jam, 3/8"-16, G5

4шт.

G44891

SOLENOID

ASSY. - (Delco-Remy #1114356), Includes: Ref. 31 - 40

1шт.

It is suggested your local Delco-Remy dealer be contacted for all parts illustrated but not listed.

1шт.

31

A42061

SWITCH

CONTACT ASSY., G44891 solenoid

1шт.

32

A40221

SPRING

- plunger return, G44981 solenoid

1шт.

33

A42060

HALF BLADE

BLADE - contact, G44891 solenoid

1шт.

35

129-16

NUT,#8-32

Terminal, G44981 solenoid #8-32

4шт.

36

R15015

X

NUT - terminal (3/8" N.C. hex.), G44891 solenoid

3шт.

38

192-16

LOCK WASHER,Helical Spring, #8, 0.17" ID, CST, ZND

Washer, Lock, , Terminal, G44891 solenoid #8

2шт.

39

192-21

LOCK WASHER,3/8"

WASHER, LOCK, , Terminal, G44891 solenoid 3/8"

1шт.

40

A42059

SPRING

- plunger return, G44891 solenoid

1шт.

Выбрано товаров: 35