Запчасти Case W7 (114) - ALTERNATOR ELECTRICAL SYSTEM, (GASOLINE AND DIESEL) OPTIONAL PRIOR TO SN. 9802395 (04) - ELECTRICAL SYSTEMS

Схема запчастей Case W7 - (114) - ALTERNATOR ELECTRICAL SYSTEM, (GASOLINE AND DIESEL) OPTIONAL PRIOR TO SN. 9802395 (04) - ELECTRICAL SYSTEMS
FIT
1:1
100%

Артикул

Название

Примечание

Количество

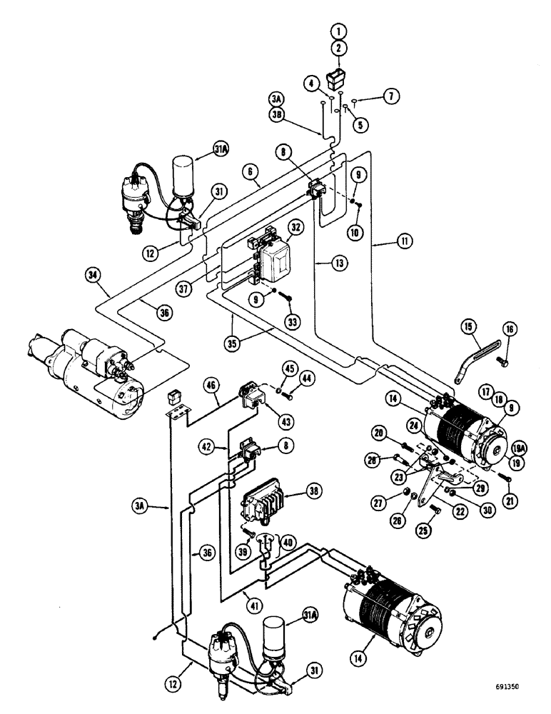
1

A18997

SOCKET ASSEMBLY - wiring, R.H.

1шт.

2

A13777

SOCKET - wiring

1шт.

3a

A15821

WIRE - socket to relay terminal #3 (Diesel) 98" long (Red)

1шт.

3b

A17281

WIRE - socket to ignition resistor (Gasoline) Not illustrated

1шт.

4

A17278

WIRE - socket to fuel gauge (92" long) White

1шт.

5

A15255

WIRE - socket to engine temperature gauge

1шт.

6

A14654

WIRE - socket to voltage reg. terminal "L" (91" long) Black

1шт.

7

A17279

WIRE - socket to converter temp. gauge (72" long) Black

1шт.

8

L11508

RELAY

- field (Delco-Remy #1116895)

1шт.

9

92-4

LOCK WASHER,1/4"

WASHER, LOCK, 1/4"

9шт.

10

13-46

BOLT,Hex, 1/4" - 20 x 3/8", Gr 5, Full Thd

HHCS - 1/4" -20 NF x 3/8"

2шт.

11

A27092

WIRE - relay to alternator terminal "G" (42" long) Black

1шт.

12

A13906

WIRE - relay term. #3 to resistor (Gasoline) 24" long (White)

1шт.

13

A18441

WIRE - relay term. #2 to alternator term. "B" (38" long) Red

1шт.

14

A18436

ALTERNATOR - 12 volt, 60 amp. (Delco-Remy #1117078) See parts list figure 76

1шт.

15

A18425

STRAP - adjusting, alternator

1шт.

16

13-614

BOLT,Hex, 3/8" - 16 x 7/8", Gr 5, Full Thd

1шт.

17

A18424

FAN - generator (With baffle)

1шт.

18

182-165

SCREW - machine, pan head (#12 - 24 NC x 5/8")

4шт.

19

A18423

PULLEY - alternator

1шт.

19a

126-115

WOODRUFF KEY,#8, 5/32" x 3/4", HT

Alternator drive #8, 5/32" x 3/4", HT

1шт.

20

14-720

BOLT,Hex, 7/16" - 20 x 1-1/4", Gr 5, Full Thd

HHCS - 7/16" - 20 NF x 1-1/4"

1шт.

21

14-728

BOLT,Hex, 7/16" - 20 x 1-3/4", Gr 5

HHCS - 7/16" - 20 NF x 1-3/4"

1шт.

22

A18437

BRACKET - mounting, alternator

1шт.

23

92-7

LOCK WASHER,7/16"

2шт.

24

25-117

NUT,7/16"-20, G5

- hex. (7/16" - 20 NF)

2шт.

25

14-1236

BOLT,Hex, 3/4" - 16 x 2-1/4", Gr 5, Full Thd

HHCS - 3/4" - 16 NF x 2-1/4"

1шт.

26

92-12

LOCK WASHER,3/4"

WASHER, LOCK, 3/4"

1шт.

27

25-1112

NUT,3/4"-16, G5

- hex. (3/4" - 16 NF)

1шт.

28

A7442

BOLT - shoulder, alternator mounting bracket

1шт.

29

92-10

LOCK WASHER,5/8"

WASHER, LOCK, 5/8"

1шт.

30

25-1110

NUT,5/8"-18, G5

- hex. (5/8" - 11 NC)

1шт.

31

A24504

RESISTOR

- electrical (Gasoline only)

1шт.

31a

A40778

COIL

- electrical (Gasoline only)

1шт.

32

A18440

REGULATOR - voltage (Delco-Remy #9000554) Used prior to serial no. 9800124

1шт.

33

13-412

BOLT,Hex, 1/4" - 20 x 3/4", Gr 5, Full Thd

3шт.

34

A8743

WIRE - resistor to starter solenoid terminal "R" (8" long) White, Serial Range: -9800124

1шт.

35

A18444

WIRE - alternator terminal "F2" to relay terminal "B" and alternator terminal "F1" to relay terminal "F" (39" long) Black (Used prior to serial no. 9800124)

2шт.

36

A18443

WIRE - starter solenoid terminal "B" to relay terminal #3 (32" long) Red

1шт.

37

A8743

WIRE - regulator terminal "B" to relay terminal #1

1шт.

38

L10202

VALVE

REGULATOR - voltage, transistorized (Delco-Remy #9000590), Start Serial: 9800124

1шт.

39

13-416

BOLT,Hex, 1/4" - 20 x 1", Gr 5

3шт.

40

L10204

PLUG ASSEMBLY - regulator wiring, Start Serial: 9800124

1шт.

41

A18441

WIRE - alternator terminal "B" to field relay terminal #2

1шт.

42

A16367

ELECTRICAL WIRE

WIRE - indicator relay to field relay (21" long) Black

1шт.

43

L10203

RELAY - indicator light (Delco-Remy #1116999) Used on serial no. 9800124 and after

1шт.

44

13-46

BOLT,Hex, 1/4" - 20 x 3/8", Gr 5, Full Thd

HHCS - 1/4" - 20 NC x 3/8"

2шт.

45

92-4

LOCK WASHER,1/4"

WASHER, LOCK, 1/4"

2шт.

46

A17280

WIRE - indicator relay to wire socket

1шт.

Выбрано товаров: 49