Запчасти Case W7 (116) - ALTERNATOR ELECTRICAL SYSTEM, (GASOLINE AND DIESEL), SN. 9802395 THRU 9804741 (04) - ELECTRICAL SYSTEMS

Схема запчастей Case W7 - (116) - ALTERNATOR ELECTRICAL SYSTEM, (GASOLINE AND DIESEL), SN. 9802395 THRU 9804741 (04) - ELECTRICAL SYSTEMS
FIT
1:1
100%

Артикул

Название

Примечание

Количество

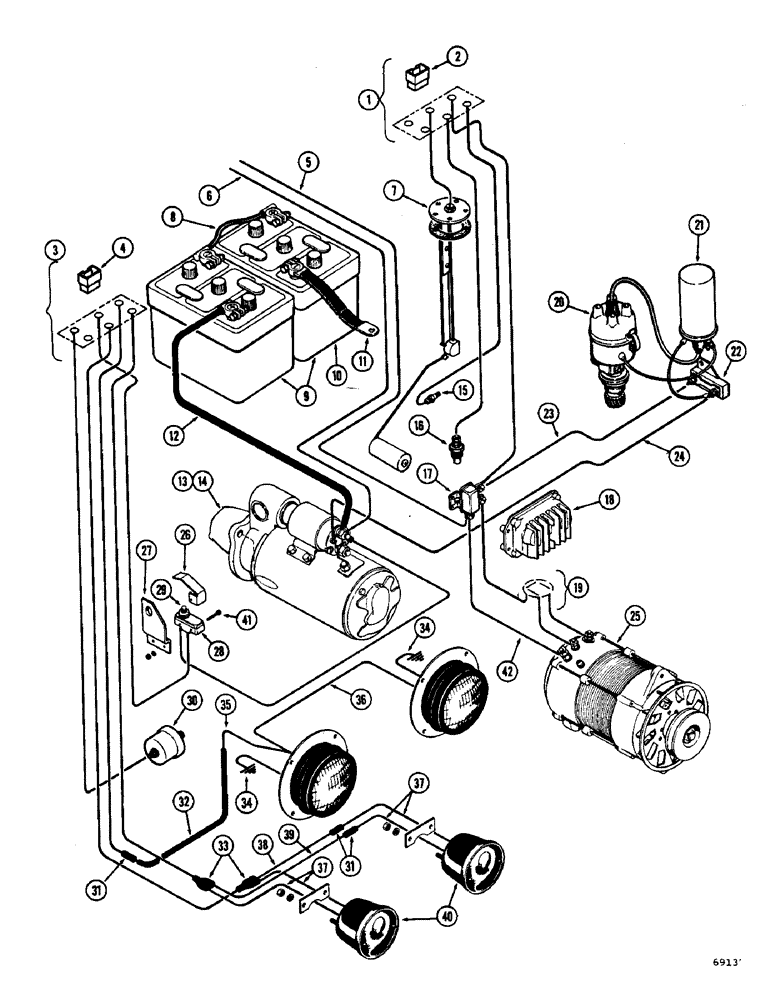
1

L11396

SOCKET

ASSEMBLY - wiring harness, R.H.

1шт.

2

A13777

BLOCK - wiring socket

2шт.

3

L10728

SOCKET

ASSEMBLY - wiring harness, L.H.

1шт.

4

A13777

BLOCK - wiring socket

1шт.

5

NSS

NOT SOLD SEPARAT

WIRE - ammeter to relay (Orange) Order L11396 socket assembly

1шт.

6

NSS

NOT SOLD SEPARAT

WIRE - ammeter to starter (Red) Order L11396 socket assembly

1шт.

7

A17219

UNIT

SENDING UNIT - fuel tank gauge

1шт.

8

L11391

CABLE

- jump, battery (Diesel)

1шт.

9

F53478

DRY BATTERY

- electrical, 6 volt (Diesel) Prestolite 27H-A9Y

2шт.

10

D44175

DRY BATTERY

- electrical, 12 volt (Gasoline)

1шт.

11

L11394

CABLE - battery grounding

1шт.

12

L11392

CABLE

-, Serial Range: battery-starter

1шт.

13

REF

INSTRUCTION

STARTER ASSEMBLY - electrical (Gasoline) See figures 84 and 85A for proper starter

1шт.

14

A21281

STARTING MOTOR

MOTOR ASSEMBLY - starter (Diesel) See parts list figure 80

1шт.

15

A13795

SENDER UNIT

SENDING UNIT - converter temperature

1шт.

16

A13796

X

SENDING UNIT - engine temperature

1шт.

17

L11508

RELAY

- field

1шт.

18

L10202

VALVE

REGULATOR - voltage (Transistorized)

1шт.

19

L10074

PLUG

AND WIRE ASSEMBLY - regulator

1шт.

20

A24508

DISTRIBUTOR

- ignition (Gasoline) See parts list figure 70

1шт.

21

A24503

COIL

ASSEMBLY - ignition (Gasoline)

1шт.

22

A24504

RESISTOR

- ballast

1шт.

23

A18434

WIRE - resistor to relay (Gasoline) 22" long (Red)

1шт.

24

A8743

WIRE - resistor to starter (Gasoline) 8" long (White)

1шт.

25

A18436

ALTERNATOR - electrical (See parts list figure 76)

1шт.

26

L11390

GUARD - neutral switch button

1шт.

27

A19514

PLATE - mounting, starter neutral switch

1шт.

28

A19513

SWITCH

ASSEMBLY - neutral start

1шт.

29

A19515

BUTTON - neutral start switch

1шт.

30

A35031

SENDER UNIT

SENDING UNIT - engine oil pressure

1шт.

31

A27213

CONNECTOR - 2 wire

3шт.

32

A27201

LOOM - wire (29" long)

1шт.

33

A8210

CONNECTOR, ELEC

CONNECTOR - 3 wire

2шт.

34

A15941

ELECTRICAL WIRE

WIRE - ground, rear L.H. and R.H. light (6" long) Black

2шт.

35

A15948

ELECTRICAL WIRE

WIRE - rear L.H. lamp to connector (46" long) Black

1шт.

36

A16367

ELECTRICAL WIRE

WIRE - jumper, rear L.H. to R.H. light (20" long) Black

1шт.

37

A16731

PLUG

WIRE ASSEMBLY - stop and taillight L.H. and, Serial Range: R.H.-connector

4шт.

38

A13251

ELECTRICAL WIRE

WIRE - stoplight R.H. connector to 3 wire connector (18" long) White

1шт.

39

A13252

ELECTRICAL WIRE

WIRE - stoplight R.H. connector to 3 wire connector (18" long) Black

1шт.

40

REF

INSTRUCTION

LIGHT ASSEMBLY - stop and tail (See figures 136 and 138 for proper light)

2шт.

41

173-66

SCREW,Sl Rnd Hd, #6 - 32 x 1"

- machine, round head (#6 - 32 NC x 1")

2шт.

42

L10075

WIRE - alternator to field relay terminal #1 (87" long) Orange

1шт.

Выбрано товаров: 42