Запчасти Case W7 (124) - INSTRUMENT PANEL, PRIOR TO SERIAL NO. 9801417 (04) - ELECTRICAL SYSTEMS

Схема запчастей Case W7 - (124) - INSTRUMENT PANEL, PRIOR TO SERIAL NO. 9801417 (04) - ELECTRICAL SYSTEMS
FIT
1:1
100%

Артикул

Название

Примечание

Количество

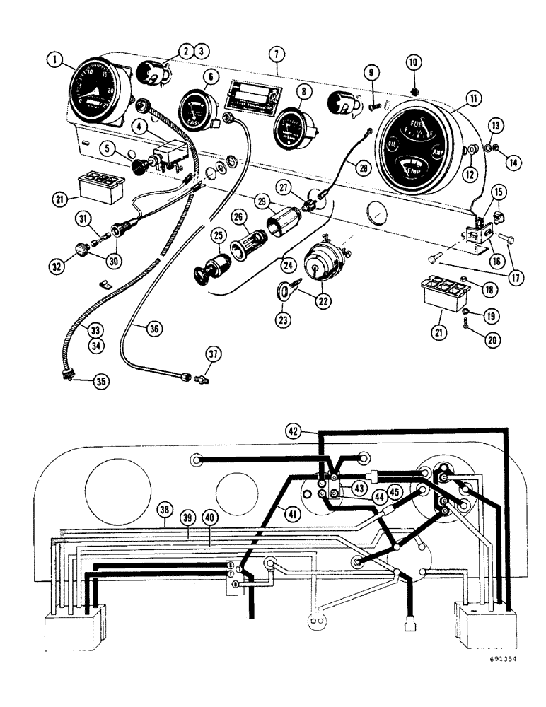
1

A11190

TACHOMETER

- engine (Includes hourmeter)

1шт.

2

A7642

LAMP

- dash (Parts list figure 136)

2шт.

3

187-1007

SCREW

- round head, self-tapping (#6 - 32 NC x 5/16")

4шт.

4

A20201

SWITCH

- light (With knob), Includes: Ref. 5

1шт.

5

A7817

KNOB

- light switch

1шт.

6

A56447

ELECTRICAL GAUGE

GAUGE - converter oil pressure

1шт.

222-681

FITTING,5/16"-24 x 1/8" NPT Fem, Comp

COUPLING ASSEMBLY - tube to gauge (Includes (1) 222-100 sleeve and (1) 222-110 nut)

1шт.

7

A17261

PANEL - instrument

1шт.

8

A13756

GAUGE

- converter oil temperature

1шт.

9

175-428

SCREW,Phil Truss Hd, 1/4" - 20 x 5/8"

- machine, truss head (1/4" - 20 NC x 5/8") Zinc plated

4шт.

10

131-135

SPRING NUT,Tinn, U, 1/4"-20

4шт.

11

A13739

GAUGE ASSY.

CLUSTER - instrument (See parts list figure 134)

1шт.

12

195-12

WASHER,#10

- plain () #10

4шт.

13

92-3

LOCK WASHER,#10

WASHER, LOCK, #10

4шт.

14

129-27

NUT,Hex, #10 - 32

- hex. (#10 - 32 NF)

4шт.

15

131-135

SPRING NUT,Tinn, U, 1/4"-20

4шт.

16

A17270

CLIP - mounting, instrument panel

2шт.

17

113-4

BOLT,Hex, 1/4" - 20 x 1", Gr 5

2шт.

18

129-5

NUT,#6-32

4шт.

19

192-5

LOCK WASHER,#6

WASHER, LOCK, #6

4шт.

20

173-61

SCREW,Sl Rnd Hd, #6 - 32 x 1/2"

- machine, round head (#6 - 32 NC x 1/2")

4шт.

21

A13742

BLOCK - plug, connector, R.H. and L.H. wire assembly

2шт.

22

A11373

SWITCH

- ignition & starter, Includes Ref 23

1шт.

23

A20346

KEY

- starting and ignition switch

1шт.

24

NSS

NOT SOLD SEPARAT

LIGHT ASSEMBLY - cigarette, Includes: Ref. 25 - 29

1шт.

25

A24134

CIGARETTE LIGHTER

LIGHTER - cigarette

1шт.

26

G44916

SOCKET

- lighter, Includes: Ref. 27 and 28

1шт.

27

G44918

CIRCUIT BREAKER - protective

1шт.

28

G44022

ELECTRICAL WIRE

WIRE -, Serial Range: lighter-switch

1шт.

29

G46381

SHELL - retainer, lighter socket

1шт.

30

A8006

NOZZLE HOLDER

HOLDER - fuse, Includes: Ref. 31 and 32

1шт.

31

223-20

FUSE,20 Amp, Type SFE

- light

1шт.

32

A10958

CAP

- fuse holder

1шт.

173-25

SCREW,Sl Rnd Hd, #4 - 40 x 1/4"

- machine, round head (#4 - 40 NC x 1/4")

2шт.

192-3

LOCK WASHER

- med. sect. lock (#4)

2шт.

129-3

NUT,#4-40

2шт.

33

A12430

HOUSING

CABLE ASSEMBLY - tachometer drive (Diesel)

1шт.

34

A12627

CABLE PULLING GRIP

CABLE ASSEMBLY - tachometer drive (Gasoline)

1шт.

35

A13199

CABLE

- tachometer drive (65" long) Gasoline

1шт.

36

A13200

CABLE

- tachometer drive (115" long) Diesel

1шт.

36

A17267

TUBE

- gauge, converter oil pressure

1шт.

37

222-600

FITTING,5/16"-24 x 1/8 NPT, Comp

CONNECTOR - tube to converter

1шт.

38

A13747

WIRE - L.H. plug to oil gauge light (14" long) Red

1шт.

39

A13748

WIRE - L.H. plug to starting switch terminal "B" (23-1/2" long) Red

1шт.

40

A13749

WIRE - L.H. plug ot starting switch terminal "S" (24" long) White

1шт.

41

A13754

ELECTRICAL WIRE

WIRE - terminal block to light switch (9" long) Black

1шт.

42

A13746

WIRE - R.H. plug to converter temperature gauge (12-1/4" long) Black

1шт.

43

A9348

BLOCK - terminal

1шт.

44

173-61

SCREW,Sl Rnd Hd, #6 - 32 x 1/2"

- machine, round head (#6 - 32 NC x 1/2")

1шт.

45

129-25

WASHER

NUT - hex. (#6 - 32 NC)

1шт.

Выбрано товаров: 50