Запчасти Case W7 (126) - INSTRUMENT PANEL, PRIOR TO SERIAL NO. 9801417 (04) - ELECTRICAL SYSTEMS

Схема запчастей Case W7 - (126) - INSTRUMENT PANEL, PRIOR TO SERIAL NO. 9801417 (04) - ELECTRICAL SYSTEMS
FIT
1:1
100%

Артикул

Название

Примечание

Количество

192-5

LOCK WASHER,#6

WASHER, LOCK, #6

1шт.

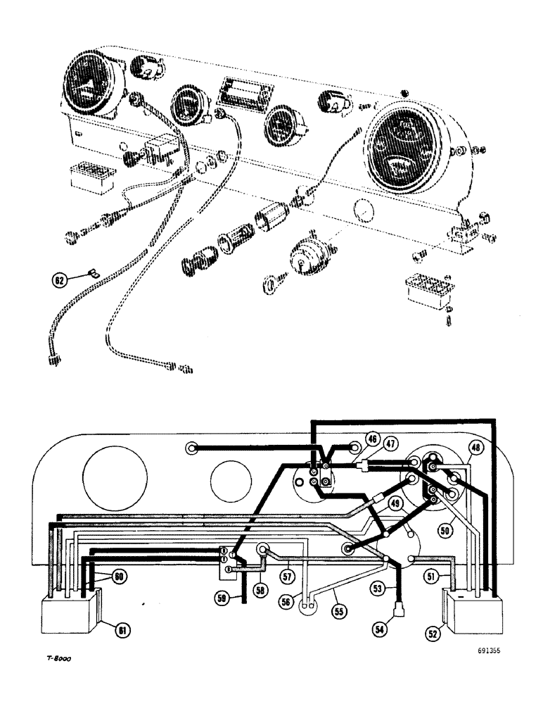
46

A13753

WIRE - connector to terminal block (3" long) Black

1шт.

47

A8210

CONNECTOR, ELEC

CONNECTOR - 3 wire

1шт.

48

A13745

WIRE - R.H. plug to fuel gauge (7" long) White

1шт.

49

A13755

WIRE - engine and converter temperature gauges to starting switch terminal "A" (6" long) Black

2шт.

50

A13744

WIRE - R.H. plug to engine temperature gauge (5-1/4" long) White

1шт.

51

A13743

WIRE - R.H. plug to ignition terminal "I" (7" long) Red

1шт.

52

A17262

PLUG AND WIRE ASSEMBLY - R.H.

1шт.

53

A17269

ELECTRICAL WIRE

WIRE - starting switch terminal "B" to connector (14" long) Black

1шт.

54

A27213

CONNECTOR - 2 wire (Front light, oil pressure warning light, and stop light)

1шт.

55

A17268

WIRE - starting switch terminal "B" to stop light switch (24" long) Red

1шт.

56

A17265

WIRE - L.H. plug to stop light switch (36" long) White

1шт.

57

A13752

WIRE - fuse to starting switch terminal "B" (13" long) Red

1шт.

58

A13751

WIRE - fuse to light switch (3" long) Red

1шт.

59

A17269

ELECTRICAL WIRE

WIRE - light switch terminal (14" long) Black

1шт.

60

A13750

WIRE - L.H. plug to light switch (12" long) Black

2шт.

61

A17263

PLUG AND WIRE ASSEMBLY - L.H.

1шт.

62

A20541

CLIP

- tachometer, Serial Range: cable-frame

3шт.

13-416

BOLT,Hex, 1/4" - 20 x 1", Gr 5

3шт.

92-4

LOCK WASHER,1/4"

WASHER, LOCK, 1/4"

3шт.

25-104

NUT,1/4"-20, G5

3шт.

Выбрано товаров: 21