Запчасти Case W7E (212) - LOADER CONTROL VALVE AND LEVERS, 2 SPOOL VALVE (08) - HYDRAULICS

Схема запчастей Case W7E - (212) - LOADER CONTROL VALVE AND LEVERS, 2 SPOOL VALVE (08) - HYDRAULICS
FIT
1:1
100%

Артикул

Название

Примечание

Количество

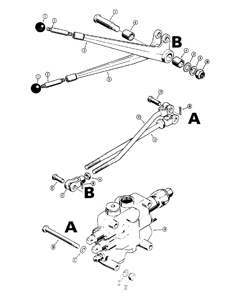
1

A19416

BALL

- control lever

2шт.

2

A18936

EXTENSION

- control lever

2шт.

3

A18470

LEVER

- lift control (Outer), Includes: Ref. 4

1шт.

4

L10083

BUSHING

- lever

1шт.

5

A17453

LEVER

- tilt control (Inner), Includes: Ref. 6

1шт.

6

L10083

BUSHING

- lever

1шт.

7

A17175

PIN

- pivot, control lever

1шт.

8

A26462

WASHER

- pivot pin

1шт.

9

92-8

LOCK WASHER,1/2"

1шт.

10

25-118

NUT,1/2"-20, G5

- 1/2" N.F. hex.

1шт.

11

A17457

ROD

- connecting, lift, Serial Range: lever-valve

1шт.

12

L16632

ROD - connecting, tilt, Serial Range: lever-valve

1шт.

13

213-4

ADJUSTABLE CLEVIS,3/8"-24 x 2 1/2"

YOKE - lever to rod

2шт.

14

25-156

JAM NUT,Jam, 3/8"-24, G5

- 3/8" N.F. hex, jam

2шт.

15

141-4

CLEVIS PIN,3/8" x 1.060"

PIN, CLEVIS, 3/8" x 1.060"

2шт.

16

132-25

COTTER PIN,3/32" x 5/8"

Pin, Split (Cotter), 3/32" x 5/8"

2шт.

17

141-6

CLEVIS PIN,1/2" x 1.360"

PIN - clevis, 1/2"

2шт.

18

132-48

COTTER PIN,1/8" x 1"

Pin, Split (Cotter), 1/8" x 1"

2шт.

19

L16640

CONTROL VALVE

VALVE - hydraulic, loader control (2 spool) Parts list figure 216 - gas

1шт.

19

L17845

VALVE

- hydraulic, loader control (2 spool) Parts list figure 218 - diesel

1шт.

20

13-872

BOLT,Hex, 1/2" - 13 x 4-1/2", Gr 5

3шт.

21

195-33

WASHER,1/2"

- plain, 1/2"

3шт.

22

92-8

LOCK WASHER,1/2"

3шт.

23

25-108

NUT,1/2"-13, G5

- 1/2" N.C. hex

3шт.

Выбрано товаров: 24