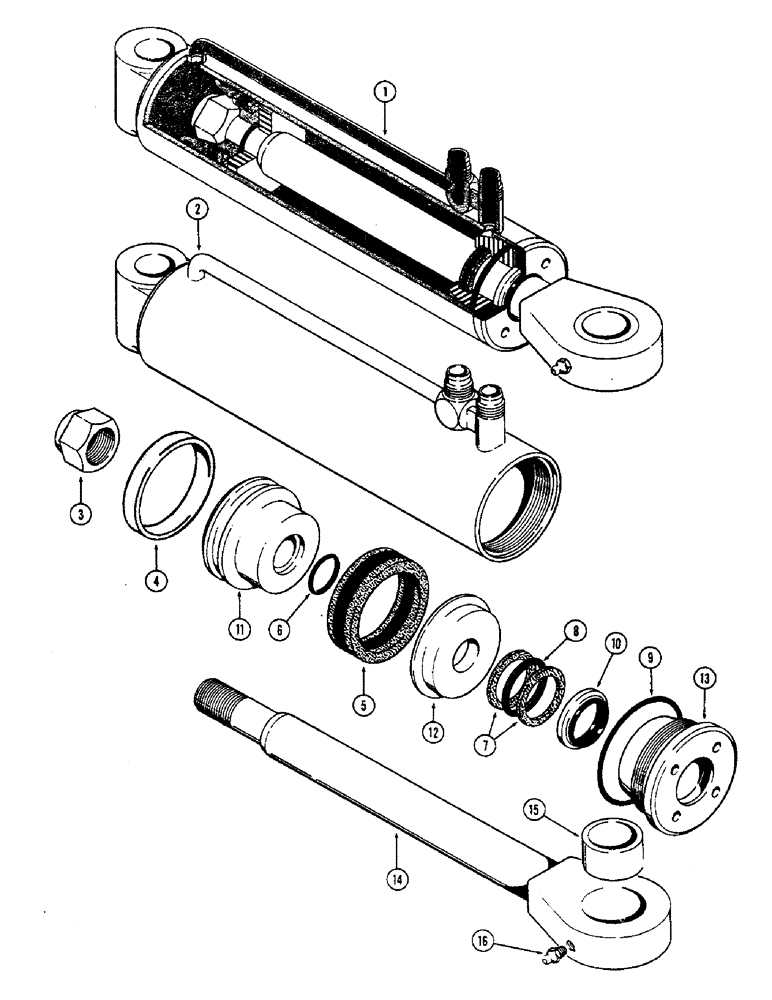
Запчасти Case W7E (236) - A18679 DROTT CLAM CYLINDER, 3-1/2" CYLINDER WITH 9-3/4" STROKE (08) - HYDRAULICS

Схема запчастей Case W7E - (236) - A18679 DROTT CLAM CYLINDER, 3-1/2" CYLINDER WITH 9-3/4" STROKE (08) - HYDRAULICS
FIT
1:1
100%

Артикул

Название

Примечание

Количество

1

A18679

CYLINDER

ASSY - clam, Includes: Ref. 2 - 16

2шт.

2

A18680

TUBE

- cylinder body

1шт.

D35644

CYLINDER

REPAIR KIT - cylinder, Includes: Ref. 3 - 10

1шт.

3

131-21

LOCK NUT,1 1/8"-12, GB

NUT - piston ret. (1-1/8" N.F. hex.)

1шт.

4

A18693

RING

- wear, piston

1шт.

5

A18684

PACKING

ASSY - piston

1шт.

6

A27342

O-RING,1.109" ID x 1.387" OD x 0.139"

"O" RING - piston (1-1/8 x 1-3/8 x 1/8")

1шт.

7

A18686

WASHER

- "O" ring back-up, leather (Gland)

2шт.

8

A18687

O-RING

"O" RING - gland, inner

1шт.

9

A30389

O-RING,3.359" ID x 3.637" OD x 0.139"

"O" RING - gland, outer (3-3/8 x 3-5/8 x 1/8")

1шт.

10

A18690

RING

WIPER - piston rod, outer

1шт.

11

A18682

PISTON

- split (Nut end)

1шт.

12

D35619

PISTON - split (Rod end)

1шт.

13

A18689

GLAND

1шт.

14

A18691

ROD

ASSY - piston (1-1/2" dia.), Includes: Ref. 15

1шт.

15

A17670

BUSHING

- piston rod

1шт.

16

219-1

LUBE NIPPLE,1/8" - 27 NPTF

FITTING - grease (1/8" P.T., str.)

1шт.

Выбрано товаров: 17