Запчасти Case W7E (200) - LOADER RETURN TO DIG PARTS (09) - CHASSIS/ATTACHMENTS

Схема запчастей Case W7E - (200) - LOADER RETURN TO DIG PARTS (09) - CHASSIS/ATTACHMENTS
FIT
1:1
100%

Артикул

Название

Примечание

Количество

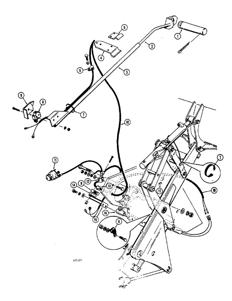
1

A17560

PIN

Mounting, dig return rod

1шт.

132-102

COTTER PIN,3/16" x 2 1/2"

Split (Cotter)

1шт.

2

L40588

ROD

Control, Serial Range: return-dig

1шт.

3

L40928

PIPE CLAMP

, Serial Range: Return-dig

1шт.

4

NLS

NO LONGER SERVICED

PLATE - mounting, Serial Range: return-dig

1шт.

5

L40925

SPARE PART Mounting plate and pipe

1шт.

13-512

BOLT,Hex, 5/16" - 18 x 3/4", Gr 5

2шт.

92-5

LOCK WASHER,5/16"

2шт.

9635082

NUT,5/16" - 18, Gr 5

2шт.

6

515-23127

CLAMP,1/2", Insul, 3/8" Bolt

Harness

2шт.

13-516

BOLT,Hex, 5/16" - 18 x 1", Gr 5

1шт.

92-5

LOCK WASHER,5/16"

1шт.

7

L11541

CABLE TIE,203.2mm L, Nylon

CABLE STRAP Harness wiring

2шт.

8

D40921

SWITCH

Limit

2шт.

9

L40923

COVER ASSY

Limit switch

1шт.

169-144

SCREW,Sl Fil Hd, #6 - 32 x 1 1/4"

Machine

2шт.

193-89

LOCK WASHER,Ext-Int Tooth, #6

2шт.

129-15

NUT,#6-32

2шт.

10

T41422

HARNESS

Wiring, Serial Range: return-dig

1шт.

11

A11373

SWITCH

Electrical

1шт.

12

A17270

SPARE PART Mounting, instrument panel

1шт.

13-420

BOLT,Hex, 1/4" - 20 x 1-1/4", Gr 5

1шт.

92-4

LOCK WASHER,1/4"

1шт.

95-4

WASHER,1/4"

2шт.

25-104

NUT,1/4"-20, G5

1шт.

13

T41903

SPARE PART Wiring, Serial Range: harness-chassis

1шт.

14

L11524

SPARE PART Limit switch

1шт.

169-143

SCREW,Sl Fil Hd, #6 - 32 x 1 1/2"

Machine

2шт.

193-89

LOCK WASHER,Ext-Int Tooth, #6

2шт.

129-15

NUT,#6-32

2шт.

15

L16630

SUPPORT

BRACKET - switch mounting

1шт.

13-412

BOLT,Hex, 1/4" - 20 x 3/4", Gr 5, Full Thd

2шт.

92-4

LOCK WASHER,1/4"

2шт.

95-4

WASHER,1/4"

2шт.

16

REF

INSTRUCTION

VALVE - hydraulic, loader control (See figures 216 and 218 for proper valve)

1шт.

13-872

BOLT,Hex, 1/2" - 13 x 4-1/2", Gr 5

3шт.

195-33

WASHER,1/2"

3шт.

92-8

LOCK WASHER,1/2"

3шт.

25-108

NUT,1/2"-13, G5

3шт.

17

L11760

DIODE

Switch protection

1шт.

Выбрано товаров: 0