Запчасти Case W7E (094) - OIL BATH AIR CLEANER, DIESEL ENGINE (02) - ENGINE

Схема запчастей Case W7E - (094) - OIL BATH AIR CLEANER, DIESEL ENGINE (02) - ENGINE
FIT
1:1
100%

Артикул

Название

Примечание

Количество

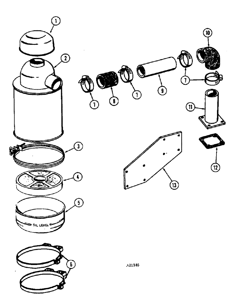
1

A21433

CAP

- air cleaner

1шт.

A21432

CLEANER

AIR CLEANER - oil bath, Includes: Ref. 2 - 5

1шт.

2

NSS

NOT SOLD SEPARAT

BODY - air cleaner

1шт.

3

A30865

CLAMP

- retaining, screw and cup

1шт.

4

A22194

ELEMENT

SCREEN - air cleaner

1шт.

5

A22193

CUP - oil

1шт.

6

70973

BRACKET

BAND - mounting, air cleaner

2шт.

13-510

BOLT,Hex, 5/16" - 18 x 5/8", Gr 5, Full Thd

4шт.

92-5

LOCK WASHER,5/16"

4шт.

7

214-262

HOSE CLAMP,#44, 2.31" - 3.25", Type F Worm

CLAMP - hose

4шт.

8

G46338

INTAKE AIR HOSE,2.25" ID x 3.00", SAE 20R2

- Air cleaner to tube 2.25" ID x 3.00", SAE 20R2

1шт.

9

L42584

TUBE - oil bath air cleaner

1шт.

10

L11251

ELBOW

- hose, 90 degrees

1шт.

11

L42586

TUBE -, Serial Range: cleaner-manifold

1шт.

13-624

BOLT,Hex, 3/8" - 16 x 1-1/2", Gr 5

- 3/8" x 1-1/2" N.C. hex.

4шт.

92-6

LOCK WASHER,3/8"

4шт.

25-106

NUT,3/8"-16, G5

- 3/8" N.C. hex

4шт.

12

A58910

GASKET

1шт.

13

L41316

BRACKET - oil bath air cleaner mounting

1шт.

13-516

BOLT,Hex, 5/16" - 18 x 1", Gr 5

4шт.

92-5

LOCK WASHER,5/16"

4шт.

Выбрано товаров: 0