Запчасти Case W7E (096) - DRY TYPE AIR CLEANER, GAS ENGINE, OIL BATH AIR CLEANER, GAS ENG., OIL BATH AIR CLEANER GAS ENGINE (02) - ENGINE

Схема запчастей Case W7E - (096) - DRY TYPE AIR CLEANER, GAS ENGINE, OIL BATH AIR CLEANER, GAS ENG., OIL BATH AIR CLEANER GAS ENGINE (02) - ENGINE
FIT
1:1
100%

Артикул

Название

Примечание

Количество

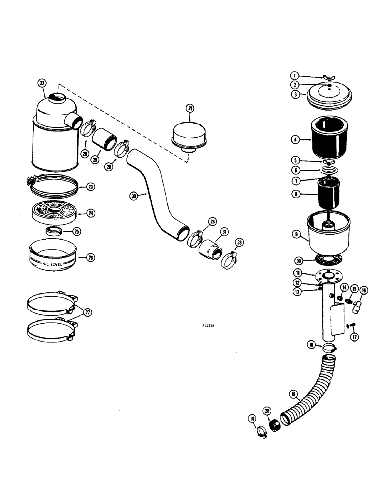
L52784

FILTER CARTRIDGE

AIR CLEANER - dry type, Includes: Ref. 1 - 10

1шт.

1

A17745

NUT

NUT - wing, cover retainer

1шт.

2

A17744

GROMMET

- cover sealing

1шт.

3

L35472

COVER ASSY

COVER - air cleaner body

1шт.

4

A17741

AIR CLEANER

ELEMENT - filter, outer

1шт.

5

L35473

NUT

- wing, element retainer

1шт.

6

A17747

PLATE ASSY.

COVER - inner filter element

1шт.

7

A17748

GASKET

- cover

1шт.

8

A17742

AIR CLEANER

ELEMENT - filter, inner

1шт.

9

NSS

NOT SOLD SEPARAT

BODY - air cleaner

1шт.

10

A17749

GASKET

- air cleaner, Serial Range: body-bracket

1шт.

11

T41085

TUBE AND BRACKET - mounting air cleaner 11.94, 3.5" L

1шт.

12

192-20

LOCK WASHER,Helical Spring, 0.318" ID, CST, ZND

WASHER, LOCK, 5/16"

6шт.

13

129-122

NUT,5/16"-24, G5

6шт.

14

217-1

ADAPTER

- extension

1шт.

15

D36264

FITTING

ADAPTER - filtered, Serial Range: gauge-bracket

1шт.

16

A17652

ELECTRICAL GAUGE

GAUGE - warning, air cleaner

1шт.

17

13-612

BOLT,Hex, 3/8" - 16 x 3/4", Gr 5, Full Thd

4шт.

92-6

LOCK WASHER,3/8"

4шт.

18

214-260

HOSE CLAMP,#36, 1.81" - 2.75", Type F Worm

2шт.

19

A19083

HOSE

- mounting, Serial Range: bracket-carburetor

1шт.

20

T41262

SLEEVE -, Serial Range: carburetor-hose

1шт.

21

A21430

CAP

- pre-screener, oil bath air cleaner gas engine

1шт.

A20000

AIR CLEANER - oil bath air cleaner gas engine, Includes: Ref. 22 - 26

1шт.

22

NSS

NOT SOLD SEPARAT

BODY - air cleaner, oil bath air cleaner gas engine

1шт.

23

A8297

CLAMP

- retainer, oil cup and screen, oil bath air cleaner gas engine

1шт.

24

A8295

SCREEN - oil bath air cleaner gas engine

1шт.

25

A8298

CLAMP - screen retainer, oil bath air cleaner gas engine

1шт.

26

A8296

CUP - oil, oil bath air cleaner gas engine

1шт.

27

A16504

BAND - mounting, air cleaner, oil bath air cleaner gas engine

2шт.

75-424

SCREW

- machine, 1/4" x 1-1/2" N.C. rd. hd., oil bath air cleaner gas engine

2шт.

25-104

NUT,1/4"-20, G5

Oil bath air cleaner gas engine 1/4"-20, G5

2шт.

13-616

BOLT,Hex, 3/8" - 16 x 1", Gr 5, Full Thd

Oil bath air cleaner gas engine Hex, 3/8"-16 x 1", G5, Full Thd

4шт.

92-6

LOCK WASHER,3/8"

oil bath air cleaner gas engine 3/8"

4шт.

28

214-262

HOSE CLAMP,#44, 2.31" - 3.25", Type F Worm

CLAMP - hose, oil bath air cleaner gas engine

4шт.

29

G46338

INTAKE AIR HOSE,2.25" ID x 3.00", SAE 20R2

- Air cleaner to tube, Oil bath air cleaner gas engine 2.25" ID x 3.00", SAE 20R2

1шт.

30

A16505

TUBE - air cleaner to carburetor, oil bath air cleaner gas engine

1шт.

31

L41649

HOSE - intake tube to carburetor, oil bath air cleaner gas engine

1шт.

Выбрано товаров: 0