Запчасти Case W7E (073A) - G44891 SOLENOID, (301B) SPARK IGNITION ENGINE (04) - ELECTRICAL SYSTEMS

Схема запчастей Case W7E - (073A) - G44891 SOLENOID, (301B) SPARK IGNITION ENGINE (04) - ELECTRICAL SYSTEMS
FIT
1:1
100%

Артикул

Название

Примечание

Количество

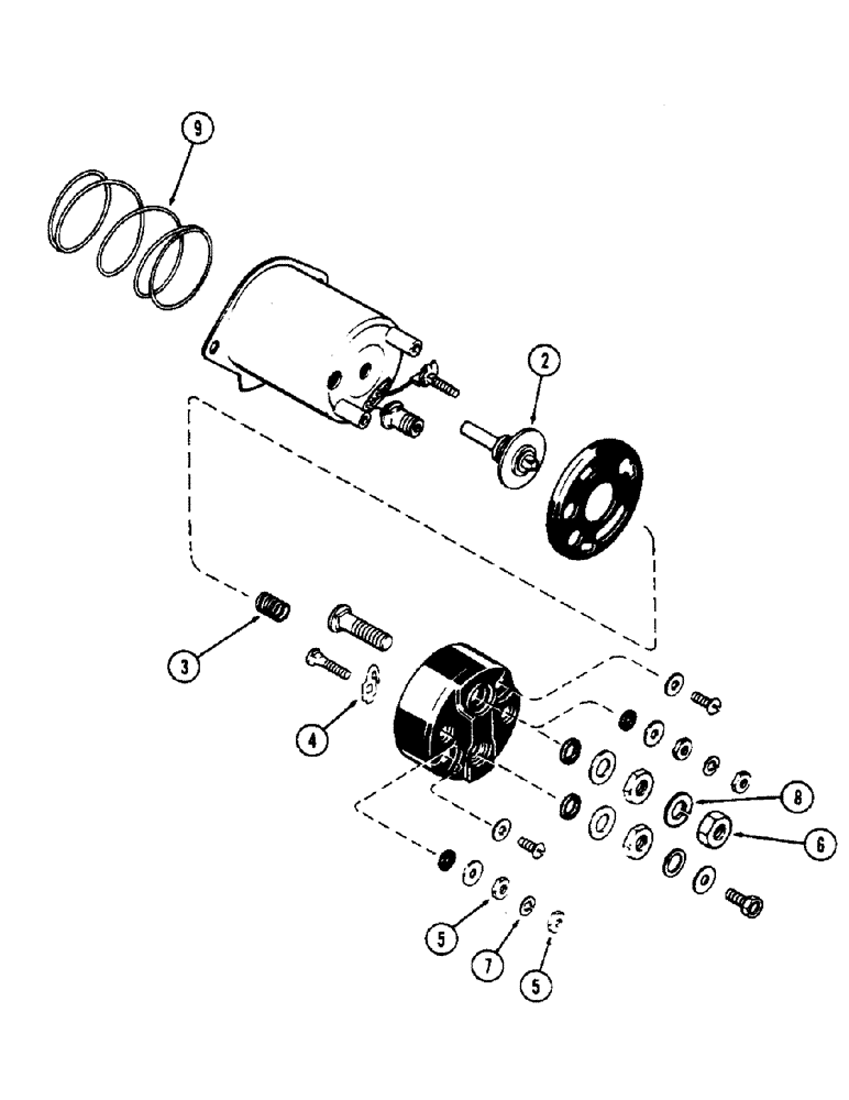
G44891

SOLENOID

ASSY - (Delco #114356), Includes: Ref. 2 - 9

1шт.

It is suggested your local Delco-Remy dealer be contacted for all parts illustrated but not listed.

1шт.

2

A42061

SWITCH

CONTACT ASSY - solenoid

1шт.

3

A42059

SPRING

- return, contact

1шт.

4

A42060

HALF BLADE

BLADE - contact

1шт.

5

129-16

NUT,#8-32

Terminal #8-32

4шт.

6

R15015

X

NUT - terminal, 3/8" N.C. hex.

3шт.

7

192-16

LOCK WASHER,Helical Spring, #8, 0.17" ID, CST, ZND

Washer, Lock, #8

2шт.

8

192-21

LOCK WASHER,3/8"

WASHER, LOCK, 3/8"

2шт.

9

A42059

SPRING

- plunger return

1шт.

Выбрано товаров: 10