Запчасти Case W7E (106) - POWER STEERING HYDRAULICS (05) - STEERING

Схема запчастей Case W7E - (106) - POWER STEERING HYDRAULICS (05) - STEERING
FIT
1:1
100%

Артикул

Название

Примечание

Количество

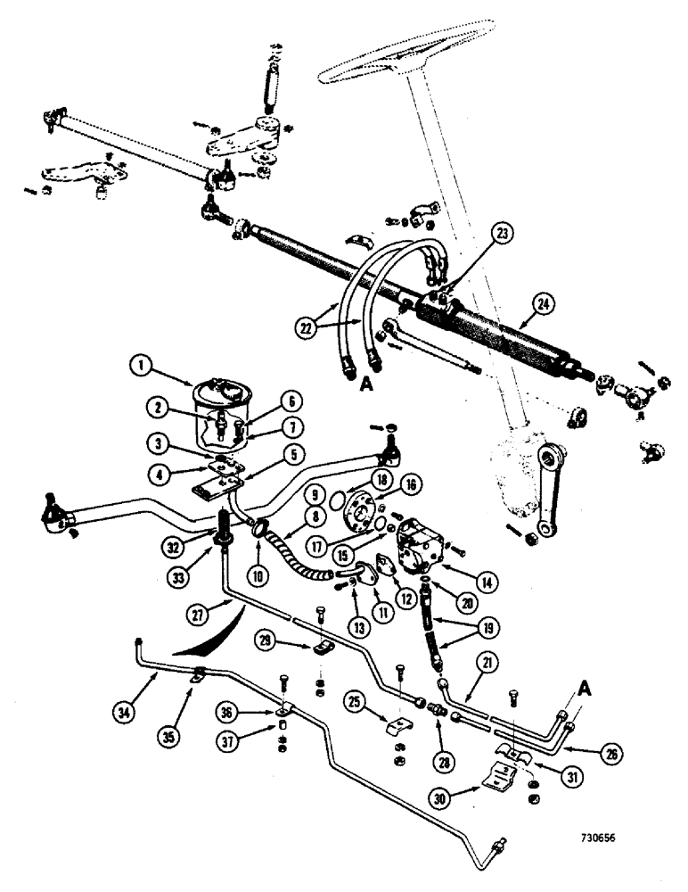
1

A17531

TANK

RESERVOIR - oil, power steering (Parts list figure 110)

1шт.

2

A17532

STUD

Connector, Serial Range: reservoir-bracket

1шт.

3

A27365

O-RING,0.103" Thk x 0.75" ID, -116, Cl 5, 75 Duro

Bracket seal

1шт.

4

A19128

GASKET

, Serial Range: Reservoir-bracket

1шт.

5

T42353

SPARE PART Reservoir mounting

1шт.

6

A18678

BOLT -, Serial Range: reservoir-bracket

2шт.

7

A28090

O-RING,0.301" ID x 0.441" OD x 0.07"

Mounting bolt

2шт.

92-5

LOCK WASHER,5/16"

2шт.

9635082

NUT,5/16" - 18, Gr 5

2шт.

8

A18951

HOSE

Suction, Serial Range: reservoir-pump

1шт.

9

L11636

SPARE PART Suction line hose

1шт.

10

214-253

HOSE CLAMP,#10, 0.56" - 1.06", Type F Worm

2шт.

11

L10899

MANIFOLD

Pump inlet

1шт.

12

A56227

GASKET

, Serial Range: Manifold-pump

1шт.

61-48

HEX SOC SCREW,1/4"-20 x 1/2"

3шт.

13

A56212

WASHER

Copper

3шт.

14

REF

INSTRUCTION

PUMP - power steering (See page 110 for proper pump)

1шт.

15

A17525

SPACER

Pump, Serial Range: shaft-coupling

1шт.

16

A19985

ADAPTER

, Serial Range: Pump-converter

1шт.

17

A17528

O-RING,1.737" ID x 1.943" OD x 0.103"

Pump to adapter

1шт.

18

A29884

O-RING,0.139" Thk x 2.359" ID, -229, Cl 5, 75 Duro

Adapter to converter

1шт.

13-620

BOLT,Hex, 3/8" - 16 x 1-1/4", Gr 5, Full Thd

2шт.

92-6

LOCK WASHER,3/8"

2шт.

61-616

HEX SOC SCREW,3/8"-16 x 1"

4шт.

193-30

LOCK WASHER,Int Tooth, 3/8"

4шт.

19

A17529

HOSE

Pump outlet to steering cylinder, Includes: Ref. 20

1шт.

20

218-5006

O-RING,0.087" Thk x 0.644" ID, -908, Cl 6, 90 Duro

1шт.

21

A17544

TUBE

Pressure, pump to steering cylinder

1шт.

22

A17540

HOSE,0.50" ID x 25.00", SAE 100R1

Power steering, at cylinder

2шт.

23

A14072

ADAPTER

CONNECTOR - steering, Serial Range: cylinder-hose

2шт.

24

A17139

CYLINDER

AND VALVE - steering (Parts list figure 108)

1шт.

25

A27128

SPARE PART CLAMP - tube

1шт.

13-520

BOLT,Hex, 5/16" - 18 x 1-1/4", Gr 5

1шт.

92-5

LOCK WASHER,5/16"

1шт.

9635082

NUT,5/16" - 18, Gr 5

Hex

1шт.

26

A17608

TUBE

Return, cylinder to reservoir (Front section)

1шт.

27

T41161

SPARE PART Return, cylinder to reservoir (Rear section)

1шт.

28

218-435

HYD CONNECTOR,7/8" - 14 Male JIC x 7/8" - 14 Male JIC

Straight, male

1шт.

29

A12497

CLAMP - return tube to chassis (For T41161)

1шт.

13-520

BOLT,Hex, 5/16" - 18 x 1-1/4", Gr 5

1шт.

92-5

LOCK WASHER,5/16"

1шт.

9635082

NUT,5/16" - 18, Gr 5

1шт.

30

A17541

SUPPORT

BRACKET, Tube clamp

1шт.

31

A17542

CLAMP

Tube, pressure and return

1шт.

13-620

BOLT,Hex, 3/8" - 16 x 1-1/4", Gr 5, Full Thd

2шт.

92-6

LOCK WASHER,3/8"

2шт.

25-106

NUT,3/8"-16, G5

2шт.

32

A17536

HYDRAULIC HOSE,0.63" ID x 3.00", SAE20R1

Return, Reservoir

1шт.

33

214-253

HOSE CLAMP,#10, 0.56" - 1.06", Type F Worm

Return

2шт.

34

T42354

TUBE - return, cylinder to reservoir (Replaces A17608 and T41161)

1шт.

35

515-23159

CLAMP,5/8", Insul, 3/8" Bolt

Return tube (For T42354)

1шт.

36

A12497

CLAMP - return tube

1шт.

37

A19177

SPACER

Tube clamp

1шт.

13-532

BOLT,Hex, 5/16" - 18 x 2", Gr 5

1шт.

92-5

LOCK WASHER,5/16"

1шт.

9635082

NUT,5/16" - 18, Gr 5

1шт.

Выбрано товаров: 56