Запчасти Case W8B (052) - ALTERNATOR ELECTRICAL SYSTEM, DIESEL ENGINE (06) - ELECTRICAL SYSTEMS

Схема запчастей Case W8B - (052) - ALTERNATOR ELECTRICAL SYSTEM, DIESEL ENGINE (06) - ELECTRICAL SYSTEMS
FIT
1:1
100%

Артикул

Название

Примечание

Количество

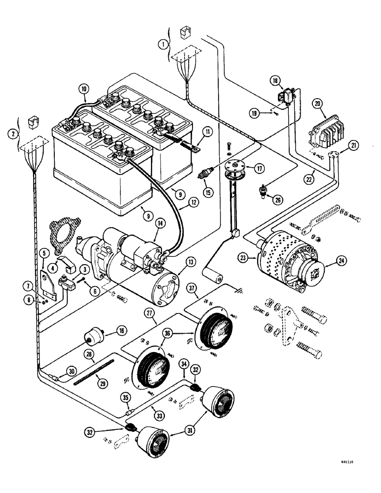
1

L10076

SPARE PART HARNESS - wiring, R.H.

1шт.

2

L10077

WIRE HARNESS

HARNESS - wiring, L.H.

1шт.

3

A19513

SWITCH

SWITCH - neutral start

1шт.

A19515

SPARE PART PIN - plunger, switch (Not illustrated)

1шт.

4

L11390

SPARE PART GUARD - neutral start switch

1шт.

5

A19514

SPARE PART BRACKET - mounting, neutral start switch

1шт.

6

173-68

SCREW,Sl Rnd Hd, #6 - 32 x 1 1/4"

SCREW - machine, round head (#6 - 32 NC x 1-1/4")

2шт.

7

192-5

LOCK WASHER,#6

WASHER, LOCK, #6

2шт.

8

129-5

NUT,#6-32

NUT, #6-32

2шт.

9

14H90

BATTERY - electrical, 12 volt

2шт.

10

A18926

CABLE

CABLE - jumper (18" long)

1шт.

11

A27069

CABLE

CABLE - negative terminal to ground (15" long)

1шт.

13

A15485

STARTING MOTOR

STARTER - engine, 24 volt (Parts list Figures 059C and 059E), Includes: Ref. 14

1шт.

13

RR46156

REMAN-STARTER

Remanufactured Starter

1шт.

13

RC46156

CORE-STARTER

Return Number

1шт.

14

A15358

SOLENOID

SOLENOID - starter

1шт.

15

A13795

SENDER UNIT

SENDER SENDING UNIT - converter temperature

1шт.

16

A35031

SENDER UNIT

SENDER SENDING UNIT - engine oil pressure

1шт.

17

A18869

SENDER UNIT

SENDER SENDING UNIT - fuel gauge

1шт.

18

L11509

RELAY

RELAY -, Serial Range: alternator-ammeter

1шт.

19

13-48

BOLT,Hex, 1/4" - 20 x 1/2", Gr 5

BOLT, Hex, 1/4"-20 x 1/2", G5, Full Thd

2шт.

20

A55703

REGULATOR

REGULATOR - voltage, 24 volt

1шт.

21

L10074

PLUG

HARNESS AND PLUG - alternator to voltage regulator

1шт.

22

L10075

SPARE PART WIRE -, Serial Range: alternator-relay

1шт.

23

A56095

ALTERNATOR

ALTERNATOR - electrical, 24 volt (Parts list Figures 054 and 055A)

1шт.

24

A18423

SPARE PART PULLEY - alternator drive

1шт.

25

A18426

SET OF BELTS,53.00" L

Drive. alternator and fan, Not illustrated

1шт.

26

A21462

SENDER UNIT

SENDER SENDING UNIT - engine temperature

1шт.

27

A16367

ELECTRICAL WIRE

WIRE WIRE - connecting, L.H. to R.H. rear light

1шт.

28

A15948

ELECTRICAL WIRE

WIRE WIRE - harness to L.H. rear light

1шт.

29

A27201

SPARE PART LOOM - wire protector

1шт.

30

A27213

SPARE PART CONNECTOR - wire, harness to rear lights

1шт.

31

L11000

INTERIOR LIGHT

LIGHT - stop and tail, 24 volt (Parts list Figure 086)

2шт.

32

A8210

CONNECTOR, ELEC

CONNECTOR CONNECTOR - wire, Serial Range: stoplights-harness

2шт.

33

A13252

ELECTRICAL WIRE

WIRE WIRE - connecting, R.H. to L.H. stoplight

1шт.

34

A13251

ELECTRICAL WIRE

WIRE WIRE - connecting, harness to R.H. stoplight

1шт.

35

A27213

SPARE PART CONNECTOR - wire, Serial Range: harness-stoplights

1шт.

36

A15932

X

LIGHT - rear (Parts list Figure 086)

2шт.

37

A15941

ELECTRICAL WIRE

WIRE WIRE - ground, R.H. rear light

1шт.

Выбрано товаров: 39