Запчасти Case W8B (054) - A56095 ALTERNATOR, (401) DIESEL ENGINE (06) - ELECTRICAL SYSTEMS

Схема запчастей Case W8B - (054) - A56095 ALTERNATOR, (401) DIESEL ENGINE (06) - ELECTRICAL SYSTEMS
FIT
1:1
100%

Артикул

Название

Примечание

Количество

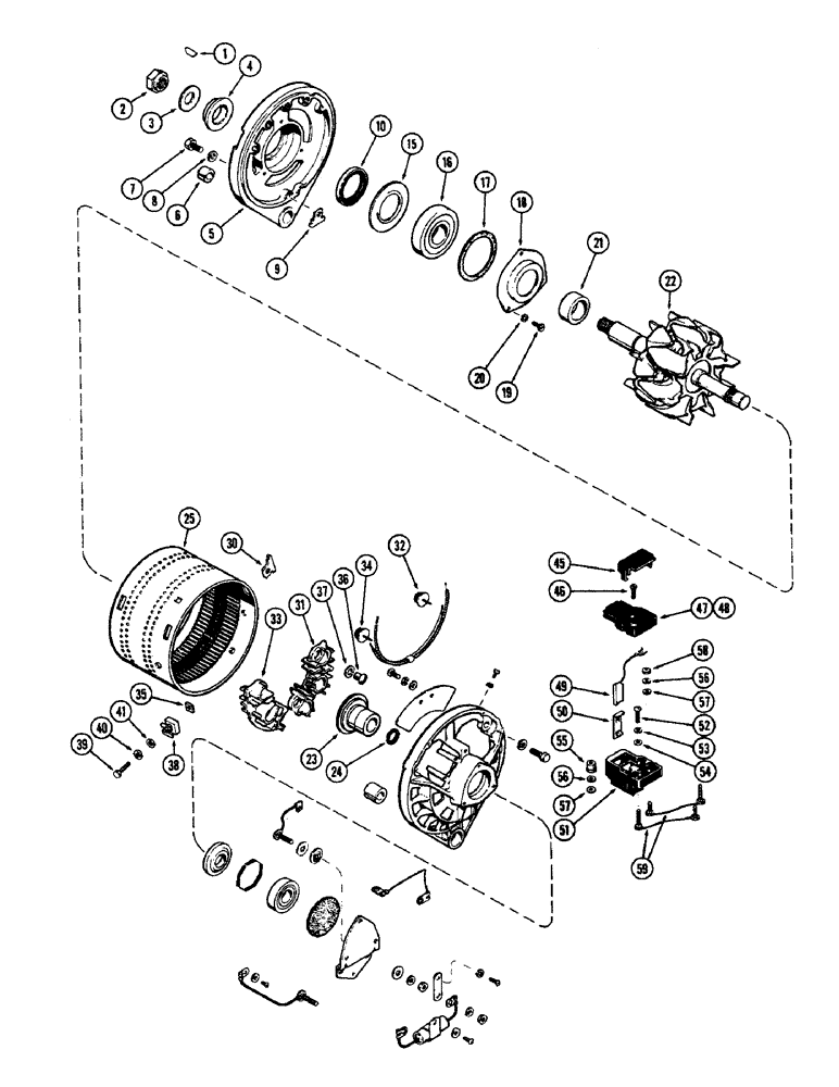
A56095

ALTERNATOR

ALTERNATOR ASSY. - (Delco #1117772), Includes: Ref. 1 - 7

1шт.

104021A1R

REMAN-ALTERNATOR

Remanufactured 24 VOLT, 35 Amp Alternator

1шт.

104021A1C

CORE-ALTERNATOR

Return Number, 24 VOLT, 35 Amp Alternator

1шт.

104022A1R

REMAN-ALTERNATOR

Remanufactured 12 VOLT, 55 Amp Alternator

1шт.

104022A1C

CORE-ALTERNATOR

Return Number, 12 VOLT, 55 Amp Alternator

1шт.

1

126-115

WOODRUFF KEY,#8, 5/32" x 3/4", HT

WOODRUFF KEY, , Drive end #8, 5/32" x 3/4", HT

1шт.

2

A25995

NUT

NUT - shaft, drive end

1шт.

3

A40792

WASHER

WASHER - shaft

1шт.

4

A25989

COLLAR - outside, brg. end spacer

1шт.

5

A25983

SPARE PART FRAME ASSY. - drive end, Includes: Ref. 6

1шт.

6

A42143

BUSHING - mtg. hinge

1шт.

7

114-5

BOLT,Hex, 1/4" - 28 x 3/4", Gr 5

BOLT - drive end, 14 x 3/4" N.F. hex.

3шт.

8

192-19

LOCK WASHER,Helical Spring, 0.256" ID, CST, ZND

WASHER, LOCK, 1/4"

3шт.

9

A42133

NUT - attaching

3шт.

10

A42135

WASHER

WASHER - felt, drive end

1шт.

15

A25988

RETAINER

RETAINER - bearing

1шт.

16

A25477

BEARING, BALL

BEARING - ball, drive end

1шт.

17

A25987

GASKET

SPARE PART GASKET - retainer

1шт.

18

A25986

LARGE PLATE

PLATE, LARGE PLATE - bearing retainer

1шт.

19

173-221

SCREW,Sl Rnd Hd, #10 - 32 x 7/16"

SCREW - retainer, #10-32 x 7/16" rd. hd.

3шт.

20

193-42

WASHER, LOCK,Ext-Int Tooth, #10

WASHER - lock, #10 int.-ext. Shakeproof

3шт.

21

A42131

SPARE PART COLLAR - inside

1шт.

22

A25980

ROTOR

ROTOR ASSY. - alternator, Includes: Ref. 23 and 24

1шт.

23

A25981

SPARE PART RING - slip, rotor

1шт.

24

F7135

RING, SNAP

RING SNAP RING - snap, rotor slip

1шт.

25

A25982

SPARE PART STATOR ASSY. - alternator

1шт.

30

A42133

NUT - frame attaching

3шт.

31

A25997

BRACKET

SINK ASSY. - heat, negative, Includes: Ref. 32

1шт.

32

A25985

SPARE PART DIODE - negative

3шт.

33

A25996

BRACKET

SINK ASSY. heat, positive, Includes: Ref. 34

1шт.

34

A25984

SPARE PART DIODE - positive

3шт.

35

129-58

NUT - attach., heat sink (#12 N.C. hex.)

4шт.

36

173-277

SCREW - term. lead, #10-24 x 5/16" rd. hd.

2шт.

37

192-17

LOCK WASHER,#12

Washer, Lock, #12

2шт.

38

A42151

INSULATOR - heat sink

1шт.

39

163-10

SCREW - heat sink, #12-24 x 13/16" hex. hd.

4шт.

40

192-17

LOCK WASHER,#12

Washer, Lock, #12

4шт.

41

A42145

BUSHING - heat sink screw

4шт.

45

A42148

COVER - shield, terminal

2шт.

46

171-238

SCREW,Sl Flat Hd, #8 - 32 x 5/8"

SCREW - brush holder cap, #8-32 x 5/8" flat hd.

2шт.

47

A42147

SPARE PART

CAP - brush holder, F2 term

1шт.

48

A42146

SPARE PART CAP - brush holder, F1 term

1шт.

49

A41724

SPARE PART BRUSH - alternator

2шт.

50

A25559

SPARE PART SPRING - support, brush

1шт.

51

A25992

NOZZLE HOLDER

HOLDER - brush

2шт.

52

173-276

SCREW,Sl Rnd Hd, #8 - 32 x 3/4"

SCREW - brush holder, #8-32 x 3/4" rd. hd.

2шт.

53

192-16

LOCK WASHER,Helical Spring, #8, 0.17" ID, CST, ZND

Washer, Lock, #8

2шт.

54

A42137

WASHER - brush holder screw

2шт.

55

A42134

NUT - field terminal

2шт.

56

192-18

LOCK WASHER,Helical Spring, #10, 0.196" ID, CST, ZND

WASHER, LOCK, #10

4шт.

57

A42139

SPARE PART WASHER - terminal, 3/16 x 7/16 x 1/32"

2шт.

58

129-37

NUT,#10-32

NUT, , Terminal #10-32

2шт.

59

A25993

SPARE PART TERMINAL - field & lead

2шт.

Выбрано товаров: 53