Запчасти Case W8B (057A) - A22682 GENERATOR, (401) DIESEL ENGINE (06) - ELECTRICAL SYSTEMS

Схема запчастей Case W8B - (057A) - A22682 GENERATOR, (401) DIESEL ENGINE (06) - ELECTRICAL SYSTEMS
FIT
1:1
100%

Артикул

Название

Примечание

Количество

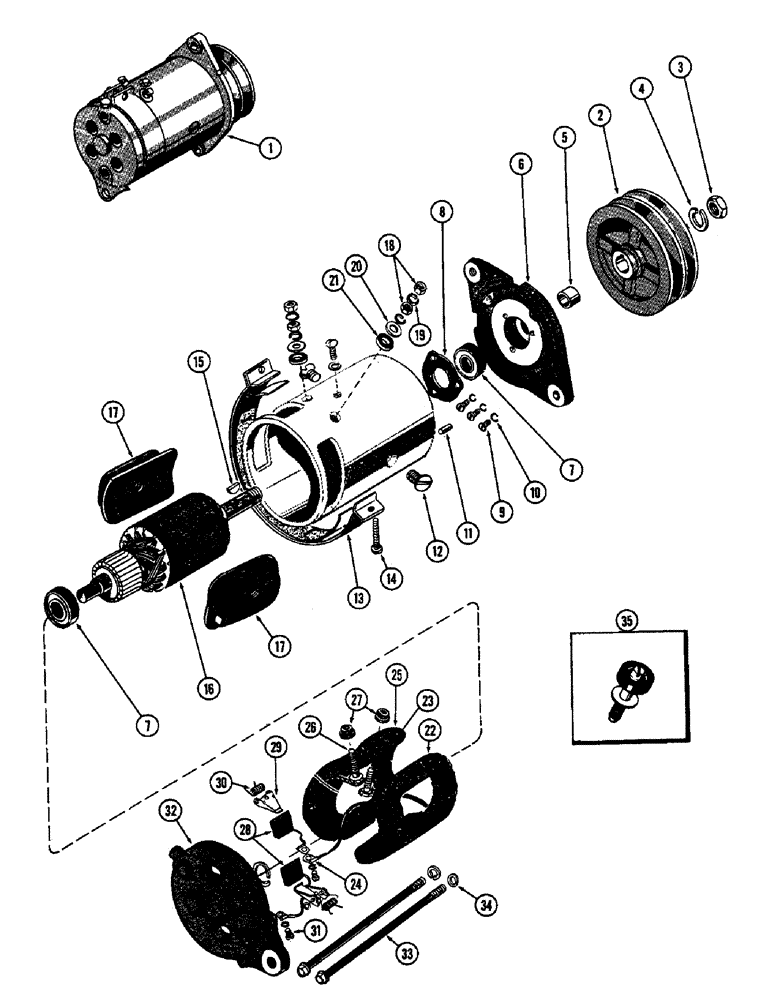
1

A22682

GENERATOR

GENERATOR - (Delco #1105220), Includes: Ref. 2 - 35

1шт.

1

104017A1R

REMAN-GENERATOR

Generator

1шт.

1

104017A1C

CORE-GENERATOR

Return Number

1шт.

2

A21126

PULLEY

PULLEY - drive

1шт.

3

A25546

NUT

NUT - pulley to shaft (Replaces R15105)

1шт.

4

192-116

WASHER, LOCK

WASHER - lock, 11/16"

1шт.

5

R16166

BUSHING

COLLAR - spacer, drive housing

1шт.

6

A25446

SPARE PART HOUSING - drive

1шт.

7

R18193

BALL BEARING,0.6693" ID x 1.5748" OD x 0.4724"

BEARING - ball, armature shaft

2шт.

8

R15101

PLATE

PLATE - retainer

1шт.

9

A41959

SCREW,#10 - 32 x 3/8"

SCREW - retainer plate

3шт.

10

193-42

WASHER, LOCK,Ext-Int Tooth, #10

WASHER - lock, #10 int.-ext. Shakeproof

3шт.

11

R15095

SPARE PART PIN - dowel

2шт.

12

74-612

SCREW,3/8" - 24 x 3/4"

SCREW - pole, 3/8 x 3/4" N.F. flat hd.

2шт.

13

R15096

SPARE PART BAND - cover, Includes: Ref. 14

1шт.

14

173-270

SPARE PART SCREW - band, #10-24 x 1-1/4" rd. hd.

1шт.

15

126-111

WOODRUFF KEY,#5, 1/8" x 5/8", HT

WOODRUFF KEY, , Pulley to shaft #5, 1/8" x 5/8", HT

1шт.

16

A40628

SPARE PART ARMATURE ASSY.

1шт.

17

R15075

SHOE - pole

2шт.

18

129-18

NUT,#12-24

NUT - terminal stud, hex. #12-24

4шт.

19

192-17

LOCK WASHER,#12

Washer, Lock, , Terminal stud #12

4шт.

20

R15079

WASHER

WASHER - plain, 1/4 x 9/16 x 1/16"

2шт.

21

R15078

WASHER - insulator

2шт.

22

R15083

COIL

COIL - field, R.H., Includes: Ref. 23 and 24

1шт.

23

NSS

NOT SOLD SEPARAT

STUD - terminal (Order ref. 35)

1шт.

24

R15085

CLIP -, Serial Range: terminal-brush

1шт.

25

R15081

SPARE PART COIL - field, L.H., Includes: Ref. 26

1шт.

26

NSS

NOT SOLD SEPARAT

STUD - terminal (Order ref. 35)

1шт.

27

NSS

NOT SOLD SEPARAT

BUSHING - terminal stud (Order ref. 35)

2шт.

28

R4286

BRUSH, COMMUTATOR

BRUSH BRUSH - main

2шт.

29

R15090

ARM

ARM - brush

2шт.

30

A41420

SPARE PART SPRING - brush arm

2шт.

31

173-223

SCREW,Sl Rnd Hd, #6 - 32 x 1/4"

SCREW - brush lead, #6-32 x 1/4" rd. hd.

2шт.

32

R15086

FUNNEL

FRAME HOUSING - commutator end

1шт.

33

R15106

BOLT

BOLT - through

2шт.

34

192-20

LOCK WASHER,Helical Spring, 0.318" ID, CST, ZND

WASHER, LOCK, , through bolt 5/16"

2шт.

35

A40702

STUD

STUD ASSY. - terminal

2шт.

Выбрано товаров: 37