Запчасти Case W8B (061C) - ALTERNATOR ELECTRICAL SYSTEM, PRIOR TO LOADER SERIAL NUMBER 9805550 GAS ENGINE (06) - ELECTRICAL SYSTEMS

Схема запчастей Case W8B - (061C) - ALTERNATOR ELECTRICAL SYSTEM, PRIOR TO LOADER SERIAL NUMBER 9805550 GAS ENGINE (06) - ELECTRICAL SYSTEMS
FIT
1:1
100%

Артикул

Название

Примечание

Количество

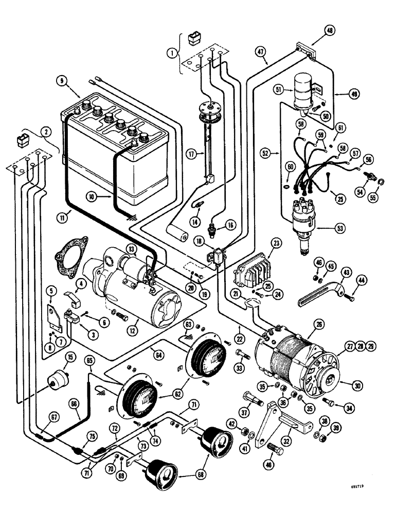
1

L11396

SOCKET

HARNESS - wiring, R.H.

1шт.

2

L10077

WIRE HARNESS

HARNESS - wiring, L.H.

1шт.

3

A19513

SWITCH

SWITCH - neutral start

1шт.

A19515

SPARE PART PIN - plunger, safety switch (Not illustrated)

1шт.

4

L11390

SPARE PART GUARD - neutral start switch

1шт.

5

A19514

SPARE PART PLATE - mounting, neutral start switch

1шт.

6

173-68

SCREW,Sl Rnd Hd, #6 - 32 x 1 1/4"

SCREW - machine, round head (#6 - 32 NC x 1-1/4")

2шт.

7

192-5

LOCK WASHER,#6

WASHER, LOCK, #6

2шт.

8

129-5

NUT,#6-32

NUT, #6-32

2шт.

9

14H90

BATTERY - electrical, 12 volt

1шт.

10

A27069

CABLE

CABLE - negative terminal to ground (15" long)

1шт.

11

A17285

CABLE - positive terminal to starter solenoid

1шт.

12

A20633

STARTER MOTOR

STARTER - engine, 12 volt (Parts list Figures 065A and 065C), Includes: Ref. 13

1шт.

12

AR20633

REMAN-STARTER

Remanufactured STARTER

1шт.

12

AC20633

CORE-STARTER

Return Number

1шт.

13

A40461

IGNITION SWITCH

SOLENOID - starter

1шт.

14

A13795

SENDER UNIT

SENDER SENDING UNIT - converter temperature

1шт.

15

A35031

SENDER UNIT

SENDER SENDING UNIT - engine oil pressure

1шт.

16

A21462

SENDER UNIT

SENDER SENDING UNIT - engine temperature

1шт.

17

A18869

SENDER UNIT

SENDER SENDING UNIT - fuel gauge

1шт.

18

L11508

RELAY

RELAY - field

1шт.

19

13-46

BOLT,Hex, 1/4" - 20 x 3/8", Gr 5, Full Thd

HHCS - 1/4" - 20 NC x 3/8"

2шт.

20

92-4

LOCK WASHER,1/4"

WASHER, LOCK, 1/4"

2шт.

21

L10074

PLUG

HARNESS AND PLUG - alternator to voltage regulator

1шт.

22

L10075

SPARE PART WIRE -, Serial Range: relay-alternator

1шт.

23

L10202

VALVE

REGULATOR - voltage, 12 volt

1шт.

24

13-416

BOLT,Hex, 1/4" - 20 x 1", Gr 5

BOLT, Hex, 1/4"-20 x 1", G5

3шт.

25

92-4

LOCK WASHER,1/4"

WASHER, LOCK, 1/4"

3шт.

26

A18436

SPARE PART ALTERNATOR - electrical, 12 volt (Parts list Figure 061G)

1шт.

27

A18424

SPARE PART FAN - alternator (Includes baffle)

1шт.

28

182-165

SCREW - machine, slotted pan head (#12 - 24 NC x 5/8")

4шт.

29

92-4

LOCK WASHER,1/4"

WASHER, LOCK, 1/4"

4шт.

30

A18423

SPARE PART PULLEY - alternator drive

1шт.

31

A18426

SET OF BELTS,53.00" L

Drive, alternator and fan, Not illustrated

1шт.

32

A18418

BRACKET

BRACKET - alternator mounting

1шт.

33

14-720

BOLT,Hex, 7/16" - 20 x 1-1/4", Gr 5, Full Thd

HHCS - 7/16" - 20 NF x 1-1/4"

1шт.

34

14-728

BOLT,Hex, 7/16" - 20 x 1-3/4", Gr 5

HHCS - 7/16" - 20 NF x 1-3/4"

1шт.

35

92-7

LOCK WASHER,7/16"

LOCK WASHER, , med. sect. 7/16"

2шт.

36

25-117

NUT,7/16"-20, G5

NUT - hex. (7/16" - 20 NF)

2шт.

37

A7442

SPARE PART BOLT - shoulder, special

1шт.

38

92-10

LOCK WASHER,5/8"

WASHER, LOCK, 5/8"

1шт.

39

25-1110

NUT,5/8"-18, G5

NUT - hex. (5/8" - 18 NF)

1шт.

40

14-1236

BOLT,Hex, 3/4" - 16 x 2-1/4", Gr 5, Full Thd

HHCS - 3/4" - 16 NF x 2-1/4"

1шт.

41

92-12

LOCK WASHER,3/4"

WASHER, LOCK, 3/4"

1шт.

42

25-1112

NUT,3/4"-16, G5

NUT - hex. (3/4" - 16 NF)

1шт.

43

A18425

STRAP - alternator adjusting

1шт.

44

13-614

BOLT,Hex, 3/8" - 16 x 7/8", Gr 5, Full Thd

BOLT, Hex, 3/8"-16 x 7/8", G5, Full Thd

1шт.

45

92-6

LOCK WASHER,3/8"

LOCK WASHER, , med. sect. 3/8"

1шт.

46

25-106

NUT,3/8"-16, G5

NUT - hex. (3/8" - 16 NC)

1шт.

47

A18434

WIRE -, Serial Range: relay-resistor

1шт.

48

A24504

RESISTOR

RESISTOR - voltage

1шт.

49

A28015

SPARE PART WIRE -, Serial Range: resistor-coil

1шт.

50

G46803

BOOT

NIPPLE - coil wire

1шт.

51

A40778

COIL

COIL - electrical

1шт.

52

A29180

CABLE

WIRE -, Serial Range: coil-distributor

1шт.

53

A24505

DISTRIBUTOR

DISTRIBUTOR - electrical (Parts list Figure 064)

1шт.

54

G44840

SPARK PLUG

SPARK PLUG - engine, 18 MM, Includes: Ref. 55

6шт.

55

H46839

GASKET - spark plug

1шт.

56

A26768

CABLE

WIRE - no. 1 spark plug (26-1/2" long)

1шт.

57

A26800

CABLE

WIRE - no. 2 spark plug (21-1/2" long)

1шт.

58

A20143

ELECTRICAL WIRE

WIRE WIRE - no. 3 and no. 6 spark plug (15" long)

2шт.

59

A20144

ELECTRICAL WIRE

WIRE WIRE - no. 4 and no. 5 spark plug (11" long)

2шт.

60

A23258

SPARE PART RING - wire harness ( 6 wire)

1шт.

61

A20265

RING - wire harness (2 wire)

1шт.

62

A15932

X

LIGHT - rear (Parts list Figure 086)

2шт.

63

A15941

ELECTRICAL WIRE

WIRE WIRE - ground, rear light

2шт.

64

A16367

ELECTRICAL WIRE

WIRE WIRE - connecting, L.H. to R.H. rear light

1шт.

65

A15948

ELECTRICAL WIRE

WIRE WIRED - harness to L.H. rear light

1шт.

66

A27201

SPARE PART LOOM - wire protector

1шт.

67

A27213

SPARE PART CONNECTOR - wire, harness to rear lights

1шт.

68

L10741

STOP LIGHT

LIGHT - stop and tail, 12 volt (Parts list Figure 086)

2шт.

69

92-4

LOCK WASHER,1/4"

WASHER, LOCK, 1/4"

4шт.

70

25-104

NUT,1/4"-20, G5

NUT, 1/4"-20, G5

4шт.

71

A16731

PLUG

WIRE - connecting, Serial Range: harness-stoplight

4шт.

72

A13251

ELECTRICAL WIRE

WIRE WIRE - connecting, harness to R.H. stoplight (White - 18" long)

4шт.

73

A13252

ELECTRICAL WIRE

WIRE WIRE - connecting, harness to R.H. stoplight (Black - 18" long)

1шт.

74

A27213

SPARE PART CONNECTOR - 2 wire, stoplight

2шт.

75

A8210

CONNECTOR, ELEC

CONNECTOR CONNECTOR - 3 wire, stoplight

2шт.

Выбрано товаров: 78