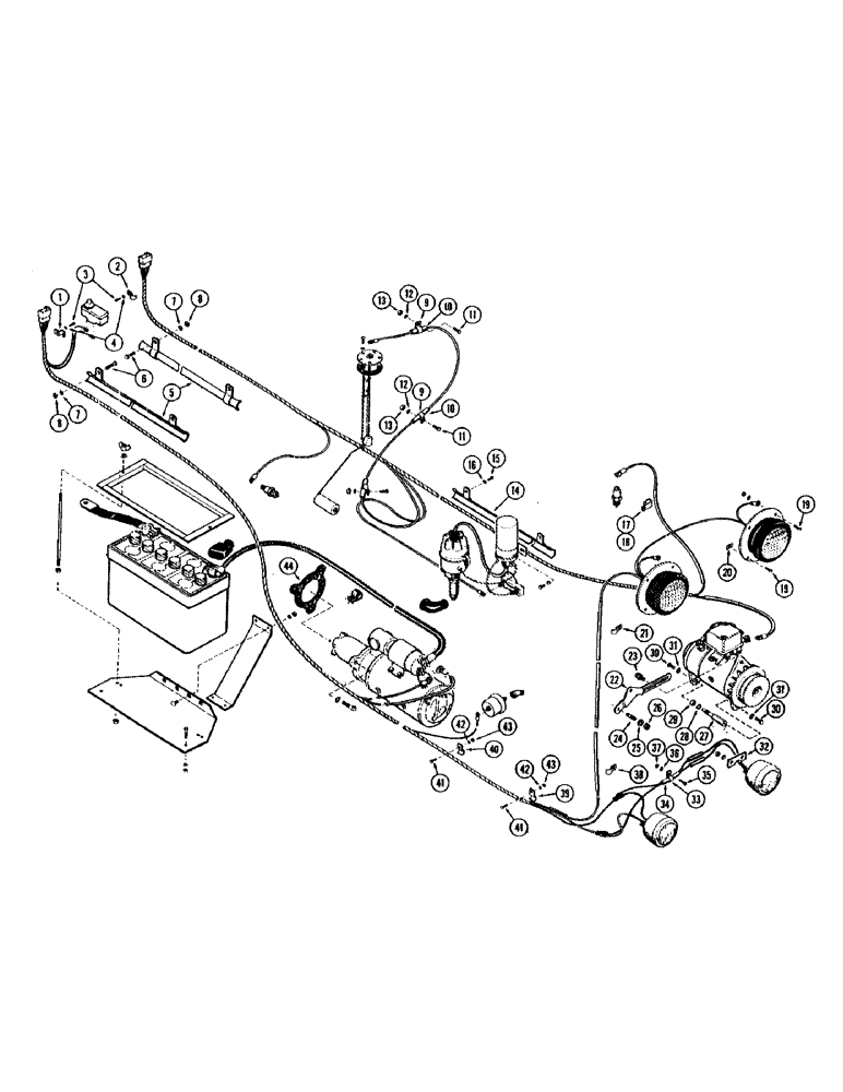
Запчасти Case W8B (066) - ELECTRICAL SYSTEM HARDWARE, GAS ENGINE (06) - ELECTRICAL SYSTEMS

Схема запчастей Case W8B - (066) - ELECTRICAL SYSTEM HARDWARE, GAS ENGINE (06) - ELECTRICAL SYSTEMS
FIT
1:1
100%

Артикул

Название

Примечание

Количество

1

A10852

CLIP - L.H. rear harness to side plate

1шт.

2

A26696

NO LONGER SERVICED

CLIP - R.H. rear harness to side plate

1шт.

3

13-58

BOLT,Hex, 5/16" - 18 x 1/2", Gr 5

2шт.

4

92-5

LOCK WASHER,5/16"

med sect. 5/16"

2шт.

5

A12488

CONDUIT - harness protector

2шт.

6

13-414

BOLT,Hex, 1/4" - 20 x 7/8", Gr 5, Full Thd

4шт.

7

92-4

LOCK WASHER,1/4"

WASHER, LOCK, 1/4"

4шт.

8

25-104

NUT,1/4"-20, G5

4шт.

9

A7922

CLIP

- fuel gauge sender wire

3шт.

10

A12458

SLEEVE

LOOM - wire protector

3шт.

11

13-410

BOLT,Hex, 1/4" - 20 x 5/8", Gr 5, Full Thd

3шт.

12

92-4

LOCK WASHER,1/4"

WASHER, LOCK, 1/4"

3шт.

13

25-104

NUT,1/4"-20, G5

3шт.

14

A28674

CONDUIT - rear, Serial Range: wiring-engine

1шт.

15

13-58

BOLT,Hex, 5/16" - 18 x 1/2", Gr 5

2шт.

16

92-5

LOCK WASHER,5/16"

med sect. 5/16"

2шт.

17

A7922

CLIP

- engine temperature wire

1шт.

18

13-410

BOLT,Hex, 1/4" - 20 x 5/8", Gr 5, Full Thd

1шт.

19

75-412

SCREW,Rd, 1/4" x 3/4"

- machine, round head (1/4" - 20 NC x 3/4")

8шт.

20

131-132

SPRING NUT,Tinn, U, 1/4"-20

- Tinnerman (1/4" - 20 NC)

6шт.

21

A17287

CLIP - rear light, Serial Range: wire-grille

1шт.

22

A15607

STRAP

- generator adjusting

1шт.

23

193-521

SCREW AND LOCKWASHER - 5/16" - 18 NC x 3/4"

1шт.

24

A7391

STUD

- adjusting strap

1шт.

25

95-6

WASHER,3/8"

- plain () 3/8"

1шт.

26

25-156

JAM NUT,Jam, 3/8"-24, G5

- hex., jam (3/8" - 24 NF)

1шт.

27

A22685

X

CARRIER - generator

1шт.

27

A34887

CARRIER

- generator

1шт.

28

95-12

WASHER,3/4"

- plain () 3/4"

1шт.

29

25-1112

NUT,3/4"-16, G5

- hex. (3/4" - 16 NF)

1шт.

30

14-616

BOLT,Hex, 3/8" - 24 x 1", Gr 5

HHCS - 3/8" - 24 NF x 1" (Used with A22685 carrier)

2шт.

30

25774R1

BOLT,Hex, 3/8" - 24 x 2", Gr 8

HHCS - 3/8" - 24 NF x 2" (Used with A34887 carrier)

2шт.

31

92-6

LOCK WASHER,3/8"

med. sect. 3/8"

2шт.

32

A16697

STRAP - mounting, taillight

2шт.

33

A27814

X

CLIP - taillight wire to radiator baffle

1шт.

34

A12458

SLEEVE

LOOM - wire protector

1шт.

35

13-412

BOLT,Hex, 1/4" - 20 x 3/4", Gr 5, Full Thd

1шт.

36

92-4

LOCK WASHER,1/4"

WASHER, LOCK, 1/4"

1шт.

37

25-104

NUT,1/4"-20, G5

1шт.

38

A7922

CLIP

- rear lamp wire

2шт.

39

A20541

CLIP

- L.H. rear, Serial Range: harness-frame

2шт.

40

A26696

NO LONGER SERVICED

CLIP - L.H. rear harness to rear plate

1шт.

41

13-516

BOLT,Hex, 5/16" - 18 x 1", Gr 5

3шт.

42

92-5

LOCK WASHER,5/16"

med sect. 5/16"

3шт.

43

9635082

NUT,5/16" - 18, Gr 5

- hex. (5/16" - 18 NC)

3шт.

44

A27933

GASKET

- starting motor

1шт.

Выбрано товаров: 46