Запчасти Case W8B (074) - INSTRUMENT PANEL, GAS ENGINE, ALTERNATOR ELECTRICAL SYSTEM USED ON LOADER SN. 9805550 AND AFTER (06) - ELECTRICAL SYSTEMS

Схема запчастей Case W8B - (074) - INSTRUMENT PANEL, GAS ENGINE, ALTERNATOR ELECTRICAL SYSTEM USED ON LOADER SN. 9805550 AND AFTER (06) - ELECTRICAL SYSTEMS
FIT
1:1
100%

Артикул

Название

Примечание

Количество

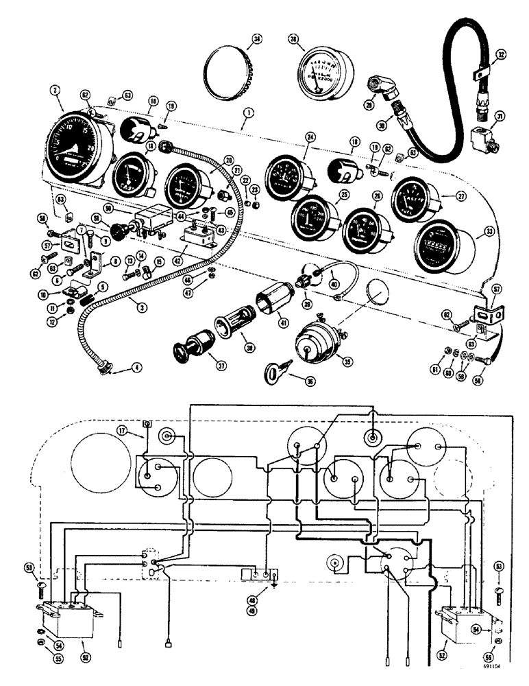
1

A19344

PANEL - instrument

1шт.

2

A11190

TACHOMETER

- engine (Includes hourmeter)

1шт.

3

A12627

CABLE PULLING GRIP

CABLE ASSEMBLY - tachometer drive, Includes: Ref. 4

1шт.

4

A13199

CABLE

- tachometer drive

1шт.

5

A12458

SLEEVE

LOOM - protective

1шт.

6

13-410

BOLT,Hex, 1/4" - 20 x 5/8", Gr 5, Full Thd

1шт.

7

92-4

LOCK WASHER,1/4"

WASHER, LOCK, 1/4"

1шт.

8

A18841

BRACKET - tachometer cable, Serial Range: clip-firewall

1шт.

9

13-410

BOLT,Hex, 1/4" - 20 x 5/8", Gr 5, Full Thd

1шт.

10

A7922

CLIP

- cable to firewall bracket

1шт.

11

92-4

LOCK WASHER,1/4"

WASHER, LOCK, 1/4"

1шт.

12

25-104

NUT,1/4"-20, G5

1шт.

13

13-58

BOLT,Hex, 5/16" - 18 x 1/2", Gr 5

1шт.

14

92-5

LOCK WASHER,5/16"

med sect. 5/16"

1шт.

15

A27033

CLIP - tachometer cable to side plate

1шт.

16

A13756

GAUGE

- converter oil temperature

1шт.

17

A21625

WIRE - ground, gauge to panel bracket

1шт.

18

A7642

LAMP

ASSEMBLY - dash panel, 12 volt (Parts list Figure 088)

2шт.

19

187-1007

SCREW

- round head, self-tapping (#6 - 32 NC x 5/16")

4шт.

20

A56447

ELECTRICAL GAUGE

GAUGE - clutch pressure

1шт.

222-681

FITTING,5/16"-24 x 1/8" NPT Fem, Comp

COUPLING ASSEMBLY - flex fitting, Includes: Ref. 21 - 23

1шт.

21

NSS

NOT SOLD SEPARAT

COUPLING - flex fitting

1шт.

22

222-100

TUBE NUT,1/8" Tube

SLEEVE - flex fitting

1шт.

23

222-110

TUBE NUT,3/8"-24

NUT - flex fitting

1шт.

24

A55699

ELECTRICAL GAUGE

GAUGE - ammeter, 60 amp

1шт.

25

A19347

ELECTRICAL GAUGE

GAUGE - engine temperature

1шт.

26

A19346

ELECTRICAL GAUGE

GAUGE - engine oil pressure

1шт.

27

A19345

ELECTRICAL GAUGE

GAUGE - fuel level

1шт.

28

A19522

ELECTRICAL GAUGE

GAUGE - hydraulic pressure (Optional)

1шт.

29

A19523

ADAPTER - pressure, Serial Range: gauge-hose

1шт.

30

A19426

HOSE - adapter to control valve

1шт.

31

A15925

ELBOW UNION

ELBOW - hose to control valve

1шт.

32

A26696

NO LONGER SERVICED

CLIP - hose to brake cylinder bracket

1шт.

33

A19520

HOURMETER

GAUGE - hourmeter, 12 volt (Optional)

1шт.

34

A19381

X

PLUG - button, gauge opening (Used in place of hourmeter or hydraulic pressure gauge)

1шт.

35

L17820

SWITCH

- starting, Includes: Ref. 36

1шт.

36

A20346

KEY

- starting switch

1шт.

37

A24134

CIGARETTE LIGHTER

LIGHTER - cigarette

1шт.

38

G44916

SOCKET

- lighter, Includes: Ref. 39 and 40

1шт.

39

G44918

CIRCUIT BREAKER - protective

1шт.

40

G44022

ELECTRICAL WIRE

WIRE -, Serial Range: lighter-switch

1шт.

41

G46381

SHELL - retainer, lighter socket

1шт.

42

A22877

BREAKER,40A

CIRCUIT BREAKER - light switch

1шт.

43

92-3

LOCK WASHER,#10

WASHER, LOCK, #10

2шт.

44

129-27

NUT,Hex, #10 - 32

- hex. (#10 - 32 NF)

2шт.

45

173-95

SCREW,Sl Rnd Hd, #10 - 24 x 3/8"

- machine, round head (#10 - 24 NC x 3/8")

2шт.

46

193-70

LOCK WASHER,Ext-Int Tooth, #10

WASHER, LOCK, Ext-Int Tooth, #10

2шт.

47

129-7

NUT,Hex, #10 - 24

- hex. (#10 - 24 NC)

2шт.

48

A56181

ELECTRICAL WIRE

WIRE - ground, circuit breaker

1шт.

49

193-72

LOCK WASHER

- lock, external/internal tooth (3/8") Zinc plated

1шт.

50

A20201

SWITCH

- headlight

1шт.

51

A7817

KNOB

- light switch

1шт.

52

L12282

HARNESS

- wiring, instrument panel

1шт.

53

173-61

SCREW,Sl Rnd Hd, #6 - 32 x 1/2"

- machine, round head (#6 - 32 NC x 1/2")

4шт.

54

193-4

LOCK WASHER,Ext Tooth, 0.145" ID x 0.318" OD, STL, PLN

WASHER, LOCK, Ext Tooth, #6

4шт.

55

129-5

NUT,#6-32

4шт.

56

L11541

CABLE TIE,203.2mm L, Nylon

STRAP - harness (Not illustrated)

2шт.

57

A17270

CLIP - mounting, instrument panel

2шт.

58

13-428

BOLT,Hex, 1/4" - 20 x 1-3/4", Gr 5

2шт.

59

95-4

WASHER,1/4"

- plain () 1/4"

2шт.

60

92-4

LOCK WASHER,1/4"

WASHER, LOCK, 1/4"

1шт.

61

25-144

JAM NUT,Jam, 1/4"-20, G5

- hex., jam (1/4" - 20 NC)

1шт.

62

175-405

SCREW,Phil Truss Hd, 1/2" - 20 x 1/2"

- machine, truss head (1/4" - 20 NC x 1/2") Zinc plated

4шт.

63

131-120

NUT

- Tinnerman (1/4" - 20 NC)

5шт.

Выбрано товаров: 64