Запчасти Case W8B (144) - CONVERTER AND TRANSMISSION HYDRAULICS, TRANSMISSION SERIAL (03) - TRANSMISSION

Схема запчастей Case W8B - (144) - CONVERTER AND TRANSMISSION HYDRAULICS, TRANSMISSION SERIAL (03) - TRANSMISSION
FIT
1:1
100%

Артикул

Название

Примечание

Количество

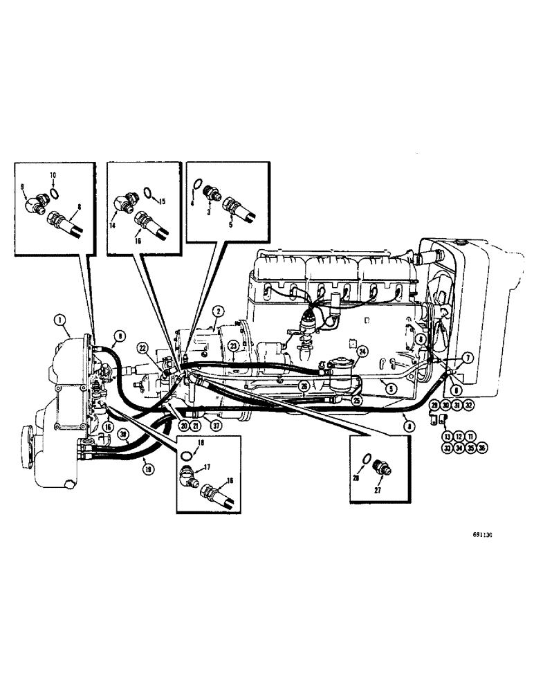
1

L30332

KIT

TRANSMISSION ASSEMBLY - complete (Parts list Figures 148-156)

1шт.

2

L10714

CONVERTER

TORQUE CONVERTER - engine (Use L30331) Parts list Figures 158-164

1шт.

3

218-5064

HYD CONNECTOR,1-1/16" - 12 Male JIC x 1-1/16" - 12 Male ORB

CONNECTOR - straight, male, Incl. Ref. 4

1шт.

4

218-5008

O-RING,0.116" Thk x 0.924" ID, -912, Cl 6, 90 Duro

SEAL - "O" ring

1шт.

5

L10712

HOSE ASSY.

HOSE - torque converter to radiator (74" long)

1шт.

6

221-1384

ELBOW,90º, 3/4" x 1/2" NPT

- 90 degrees reducing (3/4" NPT x 1/2" NPT)

2шт.

7

221-1190

PIPE,Nipple, 1/2" NPT x 2"

NIPPLE - pipe (1/2" NPT x 2")

2шт.

8

L10711

HOSE ASSY.

HOSE - radiator to transmission (95-1/2" long)

1шт.

9

218-5138

ELBOW,45 Degree Elbow, 1-1/16" - 12 Male JIC x 1-1/16" - 12 Male ORB

- adjustable, 90 degrees, Inlcudes: Ref. 10

1шт.

10

218-5008

O-RING,0.116" Thk x 0.924" ID, -912, Cl 6, 90 Duro

SEAL - "O" ring

1шт.

11

A17323

CLAMP - L10711 and L10712 hoses

5шт.

12

13-516

BOLT,Hex, 5/16" - 18 x 1", Gr 5

5шт.

13

131-124

NUT

- Tinnerman (5/16")

5шт.

14

L10707

X

ELBOW - adjustable, 90 degrees, Inlcudes: Ref. 15

1шт.

15

218-5006

O-RING,0.087" Thk x 0.644" ID, -908, Cl 6, 90 Duro

SEAL - "O" ring

1шт.

16

L10710

HOSE,0.38" ID x 28.20", SAE 100R3

- regulating valve to transmission (28-1/4" long)

1шт.

17

L10708

ELBOW

- adjustable, 45 degrees, Inlcudes: Ref. 18

1шт.

18

218-5006

O-RING,0.087" Thk x 0.644" ID, -908, Cl 6, 90 Duro

SEAL - "O" ring

1шт.

19

A17315

HOSE

- suction, transmission case to converter charging pump (27" long)

1шт.

20

221-1370

ELBOW

- 45 degree pipe (1" NPT)

1шт.

21

221-1240

PIPE,Nipple, 1" NPT x 2 1/2"

NIPPLE - pipe (1" NPT x 1/2")

1шт.

22

A19599

ADAPTER

- special

1шт.

23

L15035

HOSE ASSY.

HOSE - coverter charging pump to filter (41" long)

1шт.

24

D22660

AIR INTAKE TUBE

FILTER - converter oil (Parts list Figure 146) When replacing complete filter, order D31210

1шт.

24

D31210

FILTER

- converter oil (Parts list Figure 146)

1шт.

25

221-1415

ELBOW,90 Degree, 3/4"-14, NPT

- street, 90 degrees (3/4" NPT)

1шт.

26

L15036

HOSE ASSY.

HOSE - return, filter to converter pressure regulating valve (35-5/16" long)

1шт.

27

A55729

ADAPTER

- special, Inlcudes: Ref. 28

1шт.

28

218-5008

O-RING,0.116" Thk x 0.924" ID, -912, Cl 6, 90 Duro

SEAL - "O" ring

1шт.

29

A17325

BRACKET - hose clamp to oil pan

1шт.

30

13-518

BOLT,Hex, 5/16" - 18 x 1-1/8", Gr 5

1шт.

31

92-5

LOCK WASHER,5/16"

med sect. 5/16"

1шт.

32

195-25

WASHER,3/8"

- flat () 3/8"

2шт.

33

A17323

CLAMP - L15036 hose

1шт.

34

13-512

BOLT,Hex, 5/16" - 18 x 3/4", Gr 5

1шт.

35

92-5

LOCK WASHER,5/16"

med sect. 5/16"

1шт.

36

9635082

NUT,5/16" - 18, Gr 5

- hex. (5/16" - 18 NC)

1шт.

37

221-1416

ELBOW,90 Degree, 1"-11 1/2, NPT

- street, 90 degrees (1" NPT)

1шт.

38

A17316

HOSE

- return, converter to transmission (30-1/2" long)

1шт.

Выбрано товаров: 39