Запчасти Case W8B (146) - A22660 TORQUE CONVERTER OIL FILTER, D31210 TORQUE CONVERTER (03) - TRANSMISSION

Схема запчастей Case W8B - (146) - A22660 TORQUE CONVERTER OIL FILTER, D31210 TORQUE CONVERTER (03) - TRANSMISSION
FIT
1:1
100%

Артикул

Название

Примечание

Количество

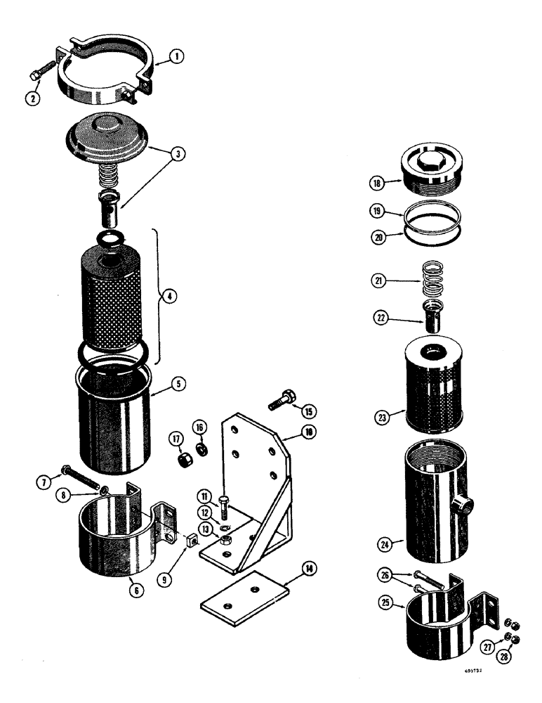
D22660

AIR INTAKE TUBE

FILTER ASSEMBLY - converter oil, Inlcudes: Ref. 1 - 9

1шт.

1

D22658

BOLT

CLAMP - cover

2шт.

2

D22659

BOLT (SPREADER)

BOLT - cover clamp

2шт.

3

D22653

COVER

ASSEMBLY - filter (Includes relief valve)

1шт.

4

A13211

FILTER, ENGINE OIL

ELEMENT KIT - filter

1шт.

5

D22654

SPARE PART

BODY - filter element

1шт.

6

A13210

BRACKET - filter mounting

1шт.

7

75-540

SCREW

- machine, round head (5/16" - 18 NC x 2-1/2")

2шт.

8

92-5

LOCK WASHER,5/16"

med sect. 5/16"

2шт.

9

25-225

SQUARE NUT,Sq, 5/16"-24

- square (5/16" - 18 NC)

2шт.

10

A17319

BRACKET - filter retaining

1шт.

11

13-624

BOLT,Hex, 3/8" - 16 x 1-1/2", Gr 5

HHCS - 3/8" - 16 NC x 1-1/2"

2шт.

12

92-6

LOCK WASHER,3/8"

med. sect. 3/8"

2шт.

13

25-106

NUT,3/8"-16, G5

- hex. (3/8 - 16 NC)

2шт.

14

A17322

PAD - filter bracket

1шт.

15

13-616

BOLT,Hex, 3/8" - 16 x 1", Gr 5, Full Thd

Filter to bracket Hex, 3/8"-16 x 1", G5, Full Thd

4шт.

16

92-6

LOCK WASHER,3/8"

med. sect. 3/8"

4шт.

17

25-106

NUT,3/8"-16, G5

- hex. (3/8" - 16 NC)

4шт.

D31210

FILTER

ASSEMBLY - converter oil (Order D22660), Inlcudes: Ref. 18 - 24

1шт.

18

D31214

CAP

HEAD - filter, D31210 torque converter oil filter

1шт.

19

D36095

BACK-UP RING

WASHER - backup, D31210 torque converter oil filter

1шт.

20

A27507

O-RING,0.139" Thk x 3.984" ID, -242, Cl 5, 75 Duro

SEAL "O" ring, D31210 torque converter oil filter

1шт.

21

D31212

SPRING

- relief valve, D31210 torque converter oil filter

1шт.

22

D37207

VALVE

- relief, D31210 torque converter oil filter

1шт.

23

D31213

FILTER, ENGINE OIL

ELEMENT - filter, D31210 torque converter oil filter

1шт.

24

NSS

NOT SOLD SEPARAT

BODY - filter, D31210 torque converter oil filter

1шт.

25

D31217

BRACKET

- filter mounting, D31210 torque converter oil filter

1шт.

26

75-544

SCREW - machine, round head (5/16" - 18 NC x 2-3/4"), D31210 torque converter oil filter

2шт.

27

92-5

LOCK WASHER,5/16"

D31210 torque converter oil filter 5/16"

2шт.

28

9635082

NUT,5/16" - 18, Gr 5

- hex. (5/16" - 18 NC), D31210 torque converter oil filter

2шт.

Выбрано товаров: 30