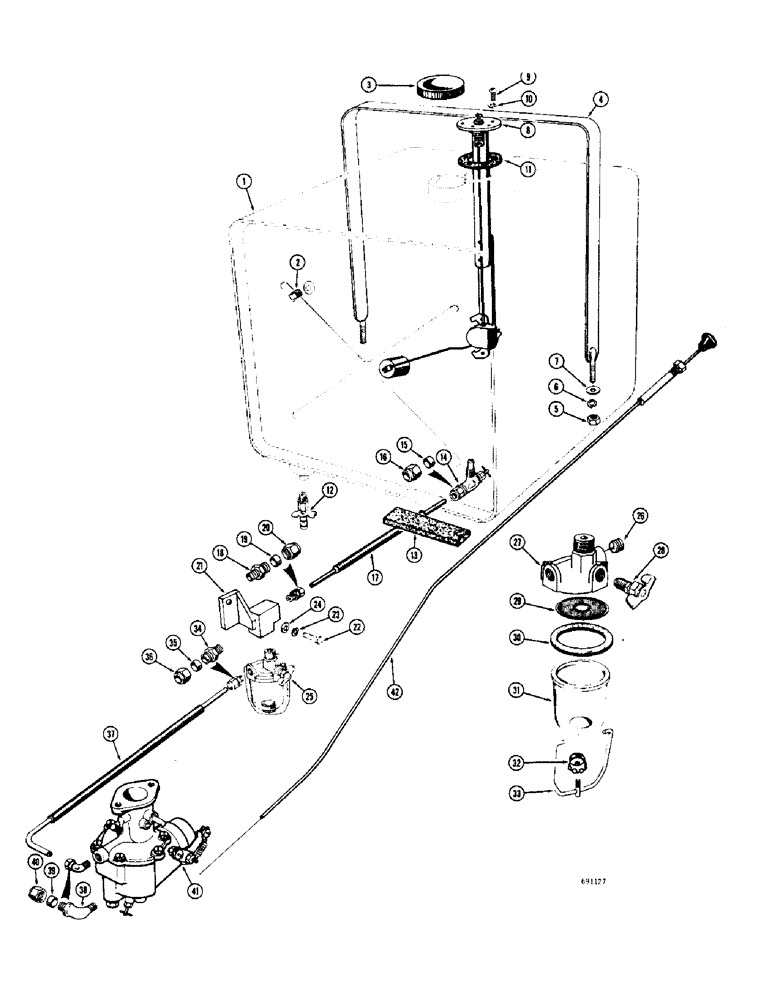
Запчасти Case W8C (144) - FUEL TANK, GAS ENGINE (03) - FUEL SYSTEM

Схема запчастей Case W8C - (144) - FUEL TANK, GAS ENGINE (03) - FUEL SYSTEM
FIT
1:1
100%

Артикул

Название

Примечание

Количество

1

A18867

FUEL TANK

TANK - fuel

1шт.

2

221-1012

DRAIN PLUG,Sq Hd, 1/4"-18 NPTF

PLUG - pipe, square head (1/4" NPT)

1шт.

3

A18870

FILLER CAP

CAP - fuel tank

1шт.

4

A18872

STRAP - mounting, tank

2шт.

5

25-116

NUT,Hex, 3/8"-24, G5

- hex. (3/8" - 24 NF)

4шт.

6

92-6

LOCK WASHER,3/8"

4шт.

7

195-25

WASHER,3/8"

- plain () 3/8"

4шт.

8

A18869

SENDER UNIT

SENDING UNIT - fuel gauge

1шт.

9

173-221

SCREW,Sl Rnd Hd, #10 - 32 x 7/16"

- machine, round head (#10 - 32 NC x 7/16")

5шт.

10

192-18

LOCK WASHER,Helical Spring, #10, 0.196" ID, CST, ZND

WASHER, LOCK, #10

5шт.

11

A61161

GASKET

- sending unit

1шт.

12

217-102

PLUG, DRAIN

VALVE - drain, fuel tank

1шт.

13

A7390

PAD - tank mounting

4шт.

A27955

VALVE

ASSEMBLY - fuel shutoff, Includes: Ref. 14 - 16

1шт.

14

NSS

NOT SOLD SEPARAT

VALVE - needle, fuel tank

1шт.

15

222-104

SLEEVE,3/8" Tube

- flex tube fitting

1шт.

16

222-114

NUT,5/8"-24

NUT - flex tube fitting

1шт.

17

A18878

HOSE -, Serial Range: tank-strainer

1шт.

222-28

HYD CONNECTOR,5/8"-24 x 3/8" NPTF W/Nut

CONNECTOR ASSEMBLY - flex tube, Includes: Ref. 18 - 20

1шт.

18

NSS

NOT SOLD SEPARAT

CONNECTOR - flex tube

1шт.

19

222-104

SLEEVE,3/8" Tube

- flex tube fitting

1шт.

20

222-114

NUT,5/8"-24

NUT - flex tube fitting

1шт.

21

A18874

BRACKET - fuel strainer mounting

1шт.

22

13-616

BOLT,Hex, 3/8" - 16 x 1", Gr 5, Full Thd

1шт.

23

92-6

LOCK WASHER,3/8"

1шт.

24

195-25

WASHER,3/8"

- plain () 3/8"

1шт.

25

A26615

STRAINER ELEMENT

STRAINER - fuel, Includes: Ref. 26 - 33

1шт.

26

221-1849

PLUG

- pipe, hex. socket head (1/8" NPT)

1шт.

27

A11215

BODY

- strainer

1шт.

28

A11205

VALVE

- fuel shutoff

1шт.

29

A11202

SCREEN

- strainer

1шт.

30

A11203

GASKET

- fuel bowl

1шт.

31

A11204

BOWL

- fuel

1шт.

32

A11210

ADJUSTER

NUT - bowl retainer

1шт.

33

A11206

BAIL

ASSEMBLY - bowl retainer

1шт.

222-24

FITTING,9/16"-24 x 1/8" NPTF

CONNECTOR ASSEMBLY - flex tube, Includes: Ref. 34 - 36

1шт.

34

NSS

NOT SOLD SEPARAT

CONNECTOR - flex tube

1шт.

35

222-103

SLEEVE,5/16" Tube

- flex tube fitting 5/16" Tube

1шт.

36

222-113

TUBE NUT,9/16"-24

NUT - flex tube fitting

1шт.

37

A18879

HOSE -, Serial Range: strainer-carburetor

1шт.

222-44

ELBOW,90 Degree, 9/16"-24 Fem x 1/8"-27 NPTF

ASSEMBLY - flex tube, Includes: Ref. 38 - 40

1шт.

38

NSS

NOT SOLD SEPARAT

ELBOW - flex tube, 90 degrees

1шт.

39

222-103

SLEEVE,5/16" Tube

- flex tube fitting 5/16" Tube

1шт.

40

222-113

TUBE NUT,9/16"-24

NUT - flex tube fitting

1шт.

41

REF

INSTRUCTION

CARBURETOR - gas engine (See Figures 48 or 49A for proper carburetor)

1шт.

42

A36578

ROD

CABLE ASSEMBLY - carburetor choke control

1шт.

Выбрано товаров: 46