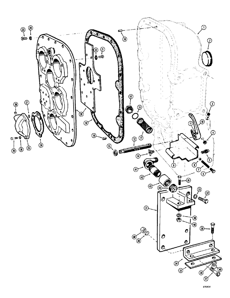
Запчасти Case W8C (156) - TRANSMISSION, TRANSMISSION CASE AND COVERS (06) - POWER TRAIN

Схема запчастей Case W8C - (156) - TRANSMISSION, TRANSMISSION CASE AND COVERS (06) - POWER TRAIN
FIT
1:1
100%

Артикул

Название

Примечание

Количество

L10715

TRANSMISSION

ASSEMBLY - complete, Includes: Ref. 1 - 30

1шт.

L30046

CASE ASSEMBLY - transmission, Includes: Ref. 1 - 4

1шт.

1

NSS

NOT SOLD SEPARAT

CASE - transmission

1шт.

2

L30165

PLUG

- transmission case

1шт.

3

221-25

PLUG,Sq Soc, 3/4"-14 NPTF

- pipe, square socket head (3/4" NPT)

1шт.

4

221-26

DRAIN PLUG,Sq Soc, 1"-11 1/2, NTPF

PLUG - pipe, square socket head (1" NPT)

2шт.

5

A17973

PLUG

- drain, magnetic

1шт.

6

221-662

PLUG,Hex Hd, 1/4"-18

- hex. head, detent spring (1/4" NPT)

1шт.

7

A17961

VALVE SPRING

SPRING - detent, shift rail

1шт.

8

211-11

BALL,3/8" Dia

- detent, shift rail (.) 3/8" Dia

1шт.

9

L30398

BAFFLE - oil, lower transmission case

1шт.

10

A17962

FORK

- range shift

1шт.

11

A17958

LOCK SCREW,3/8" - 24 x 27/32"

SCREW - lock, shift fork

1шт.

12

A17960

SHAFT

RAIL - range shift

1шт.

13

A17949

OIL SEAL

- oil, shift rail

1шт.

14

217-103

COCK, DRAIN

VALVE - check, oil level

2шт.

15

L30038

PLUG

- suction screen

1шт.

16

L30039

GASKET,46.83mm ID x 58.74mm OD x 3.17mm Thk

- plug

1шт.

17

A17948

FILTER SCREEN

SCREEN - suction, oil

1шт.

18

A17924

PIN

- dowel, Serial Range: cover-case

2шт.

19

A17922

GASKET

- cover, transmission case

1шт.

L30321

COVER ASSEMBLY - transmission end plate, Includes: Ref. 20 and 21

1шт.

20

NSS

NOT SOLD SEPARAT

COVER - end plate

1шт.

21

13-614

BOLT,Hex, 3/8" - 16 x 7/8", Gr 5, Full Thd

15шт.

22

193-10

LOCK WASHER,Ext Tooth, 0.391" ID x 0.682" OD, STL, PLN

WASHER, LOCK, Ext Tooth, 3/8"

15шт.

23

13-718

SCREW,Hex, 7/16" - 14 x 1 1/8", Gr 5

BOLT, Hex, 7/16"-14 x 1 1/8", G5, Full Thd

20шт.

24

92-7

LOCK WASHER,7/16"

20шт.

25

A17928

CYLINDER END CAP

CAP - bearing, clutch

4шт.

26

221-849

PLUG,Hex Soc, 1/8"-27

- pipe, hex. socket head (1/8" NPT)

4шт.

27

A27410

O-RING,0.487" ID x 0.693" OD x 0.103"

SEAL - "O" ring, bearing cap port hole

4шт.

28

A17934

GASKET

- bearing cap

4шт.

29

13-718

SCREW,Hex, 7/16" - 14 x 1 1/8", Gr 5

BOLT, Hex, 7/16"-14 x 1 1/8", G5, Full Thd

12шт.

30

92-7

LOCK WASHER,7/16"

12шт.

31

A19072

BRACKET - mounting, transmission

2шт.

32

13-1232

BOLT,Hex, 3/4" - 10 x 2", Gr 5

8шт.

33

92-12

LOCK WASHER,3/4"

WASHER, LOCK, 3/4"

8шт.

34

A19077

ANGLE - lower support

2шт.

35

A17290

SHIM - transmission mounting bracket

4шт.

36

13-1036

BOLT,Hex, 5/8" - 11 x 2-1/4", Gr 5

4шт.

37

92-10

LOCK WASHER,5/8"

WASHER, LOCK, 5/8"

12шт.

38

25-1010

NUT,5/8"-11, G5

12шт.

39

13-1032

BOLT,Hex, 5/8" - 11 x 2", Gr 5

6шт.

40

13-1024

BOLT,Hex, 5/8" - 11 x 1-1/2", Gr 5, Full Thd

2шт.

41

221-1416

ELBOW,90 Degree, 1"-11 1/2, NPT

- street, 90 degrees (1" NPT) Oil filler pipe

1шт.

42

221-1253

NIPPLE - straight (1" NPT)

1шт.

43

221-1340

COUPLING

- pipe nipple (1" NPT)

1шт.

44

221-1006

PLUG,Sq Hd, 1"-11 1/2 NPTF

- pipe, square head (1" NPT)

1шт.

Выбрано товаров: 47