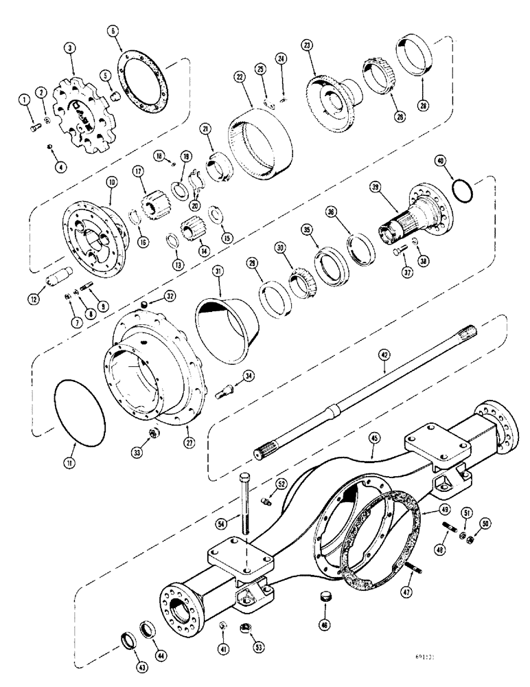
Запчасти Case W8C (174) - L15393 FRONT RIGID AXLE, AXLE HOUSING AND PLANETARY (06) - POWER TRAIN

Схема запчастей Case W8C - (174) - L15393 FRONT RIGID AXLE, AXLE HOUSING AND PLANETARY (06) - POWER TRAIN
FIT
1:1
100%

Артикул

Название

Примечание

Количество

L15393

AXLE ASSEMBLY - front rigid, complete (PR-107HX-34), Includes: Ref. 1 - 52

1шт.

1

L30675

SCREW

BOLT - spider cover

16шт.

2

92-7

LOCK WASHER,7/16"

16шт.

3

L34027

COVER

- planetary spider

2шт.

4

221-31

DRAIN PLUG,Sq Soc, 1/4"-18 NPTF

PLUG - pipe, oil lever (1/4" NPT)

2шт.

5

A12980

BUTTON

- thrust, drive shaft

2шт.

6

A12910

GASKET,0.4mm Thk

-, Serial Range: cover-spider

2шт.

7

129-545

NUT,1/2"-20, G8

24шт.

8

92-8

LOCK WASHER,1/2"

24шт.

9

L30951

STUD

-, Serial Range: spider-hub

24шт.

10

A12909

U-JOINT SPIDER

SPIDER - planetary

2шт.

11

A18218

O-RING,10.125" ID x 10.312" OD x 0.103"

SEAL - "O" ring, spider to hub

2шт.

12

A40146

SHAFT

- planetary pinion

6шт.

13

A12904

WASHER

- pinion thrust, outer

6шт.

14

A12901

GEAR

PINION - planetary

6шт.

15

A40145

WASHER

- pinion thrust, inner

6шт.

16

A12907

O-RING,1.74" ID x 0.1205"

RING - retainer, sun gear to shaft

2шт.

17

A12905

GEAR

- sun

2шт.

18

A13137

AXLE PIN

PIN - thrust washer

4шт.

19

A13103

WASHER

- thrust, sun gear

2шт.

20

A12953

RETAINER

LOCK - bearing nut

4шт.

21

A13104

BEARING LOCK NUT

NUT - hub bearing

2шт.

22

A12911

GEAR

- ring, pinion

2шт.

23

A12913

HUB CAP

HUB - ring gear

2шт.

24

G49000

BOLT,Hex, 5/16" - 18 x 3/4", Gr 5, Drilled

- lock plate

16шт.

25

A12914

LOCK ASSY

PLATE - lock

8шт.

26

A12915

ROLLER BEARING,4.25" ID x 1.375"

CONE - hub bearing, outer

2шт.

A13139

HUB ASSEMBLY - drive wheel, Includes: Ref. 27 - 29

2шт.

27

NSS

NOT SOLD SEPARAT

HUB - drive wheel

1шт.

28

A12916

BEARING CUP

CUP - bearing, outer

1шт.

29

A7892

BEARING, CUP

CUP - bearing, inner

1шт.

30

A7893

ROLLER BEARING,3.375" ID x 1.172"

CONE - hub bearing, inner

2шт.

31

L34020

SEAL ASSY.

SLINGER - oil

2шт.

32

221-678

DRAIN PLUG,Sq Soc, 3/4" NPT

PLUG - pipe, magnetic (3/4" NPT)

2шт.

33

A12522

WHEEL NUT

- drive wheel bolt

24шт.

34

A13112

STUD

- drive, Serial Range: wheel-hub

24шт.

35

A12937

SEAL

RETAINER - oil seal

2шт.

36

A12931

OIL SEAL

OIL SEAL - hub bearing

2шт.

37

A13108

BOLT -, Serial Range: spindle-housing

24шт.

38

A19905

WASHER

- spindle bolt

24шт.

39

A19902

SPINDLE

- wheel

2шт.

40

A19906

O-RING,0.139" Thk x 3.484" ID, -238, Cl 5, 75 Duro

SEAL - "O" ring, Serial Range: spindle-housing

2шт.

41

131-60

LOCK NUT,5/8"-18

NUT - hex., lock (5/8" - 18 NF)

24шт.

42

A12941

SHAFT

- axle

2шт.

L34029

HOUSING

ASSEMBLY - rigid axle (PR107HX-34), Includes: Ref. 43 - 48

1шт.

A19907

HOUSING ASSEMBLY - rigid axle (PR107HX-37), Includes: Ref. 43 - 4

1шт.

43

A12930

RETAINER

- oil seal, axle shaft

2шт.

44

A12929

OIL SEAL

OIL SEAL - axle shaft

2шт.

45

NSS

NOT SOLD SEPARAT

HOUSING - axle and differential

1шт.

46

221-25

PLUG,Sq Soc, 3/4"-14 NPTF

- pipe, square socket head (3/4" NPT)

1шт.

47

L30673

STUD

- differential carrier to housing (3" long)

4шт.

48

A13130

STUD

- differential carrier to housing (2-5/8" long)

10шт.

49

A12943

GASKET

- differential, Serial Range: carrier-housing

1шт.

50

131-74

LOCK NUT,1/2"-20

NUT - hex., lock (1/2" 20 NF)

14шт.

51

L30674

WASHER

- carrier to housing stud

14шт.

52

A12928

BREATHER

- oil, differential

1шт.

53

131-188

LOCK NUT,1"-14, GB

NUT - hex., lock (1" - 14 NF)

8шт.

54

116-901

BOLT,Hex, 1" - 14 x 9-1/2", Gr 8

HHCS - 1" - 14 NF x 9-1/2"

8шт.

Выбрано товаров: 58