Запчасти Case W9A (012) - CYLINDER BLOCK ASSEMBLY, DIESEL (02) - ENGINE

Схема запчастей Case W9A - (012) - CYLINDER BLOCK ASSEMBLY, DIESEL (02) - ENGINE
FIT
1:1
100%

Артикул

Название

Примечание

Количество

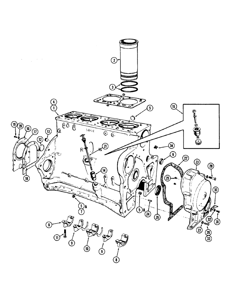
1

A40361

SHORT ENGINE

BLOCK ASSY - engine, (Short) (Incl. stripped blk. assy., sleeves, conn. rods & liners, crankshaft & gear camshaft & gear, balancer drive gear, rear seal & ret.)

1шт.

2

A23660

SLEEVE

- cyl. (See A40357, Figure 16)

4шт.

3

A23316

O-RING,0.139" Thk x 4.484" ID, -246, Cl 5, 75 Duro

"O" RING - packing, sleeve (See A40357, Figure 16)

8шт.

4

A23494

BLOCK

ASSY - engine (Stripped) (Incl. blk., brg. caps, camshaft bsg. & plugs, tach. drv. & oil ga. sckt.)

1шт.

5

41-1622

PLUG,Cup, 1 3/8", Stainless

- cup, water gallery

1шт.

5a

221-283

SPARE PART

PLUG - pipe, 3/8" hex. sckt. hd. (Steel)

5шт.

6

41-1628

PLUG,Cup, 1 3/4", Stainless

- cup, water gallery, front

1шт.

7

221-41

PLUG

- pipe, 1/8" slotted headless

2шт.

8

6301A

CAP - crankshaft brg., wide

2шт.

9

A6302A

X

CAP - crankshaft brg., narrow

2шт.

10

6303A

CAP - crankshaft thrust brg.

1шт.

11

O9706AB

SCREW - cap, crankshaft brg.

10шт.

12

A24361

PLUG

- cup, rear camshaft

1шт.

13

221-26

DRAIN PLUG,Sq Soc, 1"-11 1/2, NTPF

PLUG - pipe, 1" sq. sckt. hd. (Mall.)

1шт.

14

A20714

X

SOCKET - dipstick, oil level gauge

1шт.

15

A33610

DRIVE

ASSY - tachometer

1шт.

16

A32182

RETAINER

- rear oil seal, crankshaft

1шт.

17

A23085

OIL SEAL

- oil, crankshaft rear

1шт.

18

A32830

GASKET

- oil seal retainer

1шт.

19

13-620

BOLT,Hex, 3/8" - 16 x 1-1/4", Gr 5, Full Thd

6шт.

20

92-6

LOCK WASHER,3/8"

6шт.

21

A20739

GAUGE

- oil level bayonet

1шт.

22

A33018

GASKET

- timing gear cover

1шт.

23

A20718

COVER ASSY - timing gear, w/seal

1шт.

24

O9710AB

PIN - dowel, gear cover

2шт.

25

O9754AB

BUTTON - thrust, gear cover

2шт.

26

A23433

OIL SEAL

- oil, gear cover

1шт.

27

92-6

LOCK WASHER,3/8"

10шт.

28

13-640

BOLT,Hex, 3/8" - 16 x 2-1/2", Gr 5

- 3/8" x 2-1/2" N.C. hex

7шт.

29

13-644

BOLT,Hex, 3/8" - 16 x 2-3/4", Gr 5

- 3/8" x 2-3/4" N.C. hex

1шт.

30

A21362

CLIP

POINTER - engine timing

1шт.

31

13-48

BOLT,Hex, 1/4" - 20 x 1/2", Gr 5

2шт.

32

193-44

LOCK WASHER,Ext-Int Tooth, 1/4"

LOCKWASHER - 1/4" ext. - int. Shakeproof

2шт.

33

13-616

BOLT,Hex, 3/8" - 16 x 1", Gr 5, Full Thd

2шт.

34

A23656

COCK, DRAIN

VALVE - drain, cyl. block

1шт.

Выбрано товаров: 35