Запчасти Case W9A (014) - CAMSHAFT, DIESEL, FLYWHEEL AND HOUSING, CRANKSHAFT AND (02) - ENGINE

Схема запчастей Case W9A - (014) - CAMSHAFT, DIESEL, FLYWHEEL AND HOUSING, CRANKSHAFT AND (02) - ENGINE
FIT
1:1
100%

Артикул

Название

Примечание

Количество

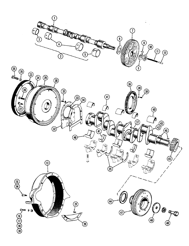
1

A23495

CAMSHAFT

- engine

1шт.

2

A23577

KIT

BUSHING KIT - camshaft (Set of 4)

1шт.

3

NSS

NOT SOLD SEPARAT

BUSHING - camshaft, rear (Order A23577)

1шт.

4

NSS

NOT SOLD SEPARAT

BUSHING - camshaft, inter. (Order A23577)

2шт.

5

NSS

NOT SOLD SEPARAT

BUSHING - camshaft, frt. (Order A23577)

1шт.

6

A21017

WASHER

- thrust, camshaft

1шт.

7

A22604

GEAR

- drive, camshaft

1шт.

8

126-28

WOODRUFF KEY,#18, 1/4" x 1 1/8"

Camshaft #18, 1/4" x 1 1/8"

1шт.

9

O970AB

X

WASHER - lock, camshaft nut

1шт.

10

O971AB

X

NUT - camshaft

1шт.

11

O9726AB

X

SPRING - thrust, plunger, camshaft

1шт.

12

O9725AB

X

PLUNGER - thrust, camshaft

1шт.

13

A9397

HOUSING

- flywheel and clutch

1шт.

14

A32607

STEP BOLT

- dowel, hsg. to block (Lg.), flywheel and housing

1шт.

15

A32608

STEP BOLT

BOLT - dowel, hsg. to blk. (Short), flywheel and housing

1шт.

16

A20108

BOLT - housing to block, flywheel and housing

2шт.

17

13-816

BOLT,Hex, 1/2" - 13 x 1", Gr 5, Full Thd

Flywheel and housing Hex, 1/2"-13 x 1", G5, Full Thd

1шт.

18

16-828

BOLT - 1/2" x 1-3/4" N.F. hex, flywheel and housing

5шт.

19

13-844

BOLT,Hex, 1/2" - 13 x 2-3/4", Gr 5

Hex, 1/2"-13 x 2 3/4", G5, Flywheel and housing

1шт.

20

A7081

BEARING

SHIELD - dust, clutch hsg, flywheel and housing

1шт.

21

13-820

BOLT,Hex, 1/2" - 13 x 1-1/4", Gr 5, Full Thd

Flywheel and housing Hex, 1/2"-13 x 1 1/4", G5, Full Thd

4шт.

23

A16644

RING

- drive, flywheel adpt., flywheel and housing

1шт.

24

A16645

SEALING RING

- drive ring, flywheel and housing

1шт.

25

166-46

12 PT SCREW,Flg, 3/8" - 16 x 1 1/4", Gr 8

BOLT - drive ring, flywheel and housing

8шт.

26

193-30

LOCK WASHER,Int Tooth, 3/8"

WASHER, LOCK, , Flywheel and housing Int Tooth, 3/8"

8шт.

27

A7136

HEX SOC SCREW,Sl Hex, 9/16" - 18 x 2 5/32"

BOLT - dowel, flywheel to crankshaft, flywheel and housing

2шт.

28

A7137

HEX SOC SCREW,Sl Hex, 5/8" - 18 x 2 1/8"

BOLT - flywheel to crankshaft, flywheel and housing

4шт.

29

A23282

FLYWHEEL ASSY - engine, flywheel and housing

1шт.

30

O9830AB

X

GEAR - ring, flywheel, flywheel and housing

1шт.

31

13-620

BOLT,Hex, 3/8" - 16 x 1-1/4", Gr 5, Full Thd

Crankshaft and retainer Hex, 3/8"-16 x 1 1/4", G5, Full Thd

6шт.

32

A32182

RETAINER

ASSY - crankshaft, rear, crankshaft and retainer

1шт.

33

A23085

OIL SEAL

- oil, retainer, crankshaft and retainer

1шт.

34

A32830

GASKET

- crankshaft retainer

1шт.

35

O9705AB

X

WASHER - thrust, crankshaft, crankshaft and retainer

2шт.

36

A22577

X

GEAR - drv. balancer (Use w/A22578), crankshaft and retainer

1шт.

37

A8134

PIN

- dowel, crankshaft balancer gear, crankshaft and retainer

1шт.

38

A23583

HEX SOC SCREW,Flat Hd, 3/8" - 24 x 3/4"

SCREW - mtg. gear to crankshaft, crankshaft and retainer

4шт.

39

193-56

LOCK WASHER,Ext Csk Tooth, 3/8"

WASHER, LOCK, , Crankshaft and retainer Ext Csk Tooth, 3/8"

4шт.

40

4706AA

X

LINER KIT - crankshaft brg. (Wide) std. size, crankshaft and retainer

3шт.

40

A7182

KIT

LINER KIT - crankshaft brg. (Wide) - .002", crankshaft and retainer

3шт.

40

A7188

BEARING LINER

LINER KIT - crankshaft brg. (Wide) - .010", crankshaft and retainer

3шт.

40

A7194

KIT

LINER KIT - crankshaft brg. (Wide) - .020", crankshaft and retainer

3шт.

40

A7200

KIT

LINER KIT - crankshaft brg. (Wide) - .030", crankshaft and retainer

3шт.

41

A20394

LINING

LINER KIT - crankshaft brg. (Narrow) std. size, crankshaft and retainer

2шт.

41

A20579

LINING

LINER KIT - crankshaft brg. (Narrow) - .002", crankshaft and retainer

2шт.

41

A20582

LINING

LINER KIT - crankshaft brg. (Narrow) - .010", crankshaft and retainer

2шт.

41

A20585

KIT

LINER KIT - crankshaft brg. (Narrow) - .020", crankshaft and retainer

2шт.

41

A20588

KIT

LINER KIT - crankshaft brg. (Narrow) - .030", crankshaft and retainer

2шт.

42

O10700AB

CRANKSHAFT - engine w/o balancer, crankshaft and retainer

1шт.

43

A22578

CRANKSHAFT - engine w/balancer, crankshaft and retainer

1шт.

44

A23433

OIL SEAL

- oil, crankshaft, front, crankshaft and retainer

1шт.

45

O9707AB

X

GEAR - crankshaft, front, crankshaft and retainer

1шт.

46

126-129

WOODRUFF KEY,#C, 5/16" x 1 1/8", HT

Crankshaft and retainer #C, 5/16" x 1 1/8", HT

2шт.

47

A15486

PULLEY

- crankshaft for drive, crankshaft and retainer

1шт.

48

O9803AB

X

WASHER - retainer, crankshaft and retainer

1шт.

49

O10282AB

X

CAPSCREW - retainer, pulley, crankshaft and retainer

1шт.

Выбрано товаров: 56