Запчасти Case W9A (030) - CAMSHAFT, GASOLINE, FLYWHEEL AND HOUSING, CRANKSHAFT AND (02) - ENGINE

Схема запчастей Case W9A - (030) - CAMSHAFT, GASOLINE, FLYWHEEL AND HOUSING, CRANKSHAFT AND (02) - ENGINE
FIT
1:1
100%

Артикул

Название

Примечание

Количество

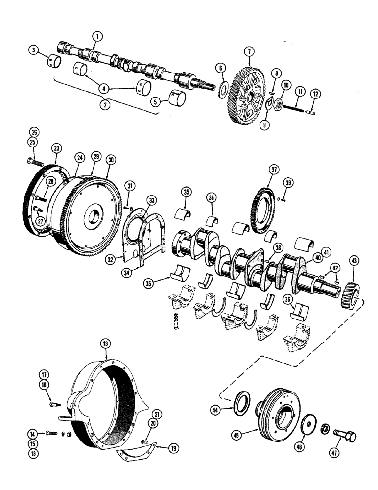
1

A23501

CAMSHAFT

- engine

1шт.

2

A23577

KIT

BUSHING KIT - camshaft (Set of 4)

1шт.

3

NSS

NOT SOLD SEPARAT

BUSHING - camshaft, 4th (Order A23577)

1шт.

4

NSS

NOT SOLD SEPARAT

BUSHING - camshaft, 2nd & 3rd (Order A23577)

2шт.

5

NSS

NOT SOLD SEPARAT

BUSHING - camshaft, 1st (Order A23577)

1шт.

6

A21017

WASHER

- thrust, camshaft

1шт.

7

6451A

X

GEAR - camshaft

1шт.

8

126-28

WOODRUFF KEY,#18, 1/4" x 1 1/8"

1шт.

9

O970AB

X

WASHER - lock, camshaft nut

1шт.

10

O971AB

X

NUT - camshaft

1шт.

11

O9726AB

X

SPRING - thrust plunger

1шт.

12

O9725AB

X

PLUNGER - thrust, camshaft

1шт.

13

A9397

HOUSING

- flywheel

1шт.

14

13-824

BOLT,Hex, 1/2" - 13 x 1-1/2", Gr 5, Full Thd

Flywheel and housing Hex, 1/2"-13 x 1 1/2", G5, Full Thd

3шт.

15

14-828

BOLT,Hex, 1/2" - 20 x 1-3/4", Gr 5

- 1/2" x 1-3/4" N.F., hex., flywheel and housing

3шт.

16

A32607

STEP BOLT

- dowel, hsg. to blk. (Short), flywheel and housing

1шт.

17

A32608

STEP BOLT

BOLT - dowel, hsg. to blk. (Long),. flywheel and housing

1шт.

18

A20108

BOLT - housing to block, flywheel and housing

2шт.

19

A7081

BEARING

SHIELD - dust, flywheel hsg., flywheel and housing

1шт.

20

13-816

BOLT,Hex, 1/2" - 13 x 1", Gr 5, Full Thd

Flywheel and housing Hex, 1/2"-13 x 1", G5, Full Thd

2шт.

21

14-820

BOLT,Hex, 1/2" - 20 x 1-1/4", Gr 5

- 1/2" x 1-1/4 N.F. hex., flywheel and housing

2шт.

23

A16644

RING

- drive, flywheel adapter, flywheel and housing

1шт.

24

A16645

SEALING RING

- drive ring, flywheel and housing

1шт.

25

A16646

X

BOLT - drive ring, flywheel and housing

8шт.

26

193-30

LOCK WASHER,Int Tooth, 3/8"

WASHER, LOCK, , Flywheel and housing Int Tooth, 3/8"

8шт.

27

A7136

HEX SOC SCREW,Sl Hex, 9/16" - 18 x 2 5/32"

BOLT - dowel, flywheel to crankshaft, flywheel and housing

2шт.

28

A7137

HEX SOC SCREW,Sl Hex, 5/8" - 18 x 2 1/8"

SCREW - cap, flywheel to crankshaft, flywheel and housing

4шт.

29

A23283

FLYWHEEL ASSY - engine, flywheel and housing

1шт.

30

A20875

GEAR, RING

GEAR - ring, flywheel, flywheel and housing

1шт.

31

13-620

BOLT,Hex, 3/8" - 16 x 1-1/4", Gr 5, Full Thd

Crankshaft and retainer Hex, 3/8"-16 x 1 1/4", G5, Full Thd

6шт.

32

A32182

RETAINER

ASSY - crankshaft, rear, crankshaft and retainer

1шт.

33

A23085

OIL SEAL

- oil, crankshaft retainer

1шт.

34

A32830

GASKET

- crankshaft retainer

1шт.

35

4706AA

X

LINER KIT - crankshaft brg., wide (Std. size), crankshaft and retainer

3шт.

35

A7182

KIT

LINER KIT - crankshaft brg., wide (-.002"), crankshaft and retainer

3шт.

35

A7188

BEARING LINER

LINER KIT - crankshaft brg., wide (-.010"), crankshaft and retainer

3шт.

35

A7194

KIT

LINER KIT - crankshaft brg., wide (-.020"), crankshaft and retainer

3шт.

35

A7200

KIT

LINER KIT - crankshaft brg., wide (-.030"), crankshaft and retainer

3шт.

36

A20394

LINING

LINER KIT - crankshaft brg., narrow (Std. size), crankshaft and retainer

2шт.

36

A20579

LINING

LINER KIT - crankshaft brg., narrow (-.002"), crankshaft and retainer

2шт.

36

A20582

LINING

LINER KIT - crankshaft brg., narrow (-.010"), crankshaft and retainer

2шт.

36

A20585

KIT

LINER KIT - crankshaft brg., narrow (-.020"), crankshaft and retainer

2шт.

36

A20588

KIT

LINER KIT - crankshaft brg., narrow (-.030"), crankshaft and retainer

2шт.

37

A22576

GEAR

ASSY - balancer drive (Use w/A22578), crankshaft and retainer

1шт.

38

A8134

PIN

- dowel, gear locating, crankshaft and retainer

1шт.

39

A23583

HEX SOC SCREW,Flat Hd, 3/8" - 24 x 3/4"

SCREW - mtg., balancer drive gear, crankshaft and retainer

4шт.

40

A22578

CRANKSHAFT - engine, used w/balancer, crankshaft and retainer

1шт.

41

O10700AB

CRANKSHAFT - engine, used w/o balancer, crankshaft and retainer

1шт.

42

126-129

WOODRUFF KEY,#C, 5/16" x 1 1/8", HT

Crankshaft and retainer #C, 5/16" x 1 1/8", HT

2шт.

43

O9707AB

X

GEAR - crankshaft, and retainer

1шт.

44

A23433

OIL SEAL

- oil, crankshaft front, crankshaft and retainer

1шт.

45

A15486

PULLEY

- crankshaft fan drive, crankshaft and retainer

1шт.

46

O9803AB

X

WASHER - retainer, pulley, crankshaft and retainer

1шт.

47

O10382AB

CAPSCREW - retainer, pulley, crankshaft and retainer

1шт.

Выбрано товаров: 54