Запчасти Case W9A (062) - ALTERNATOR SYSTEM (OPTIONAL), A18498 MANIFOLD PREHEATER KIT, (04) - ELECTRICAL SYSTEMS

Схема запчастей Case W9A - (062) - ALTERNATOR SYSTEM (OPTIONAL), A18498 MANIFOLD PREHEATER KIT, (04) - ELECTRICAL SYSTEMS
FIT
1:1
100%

Артикул

Название

Примечание

Количество

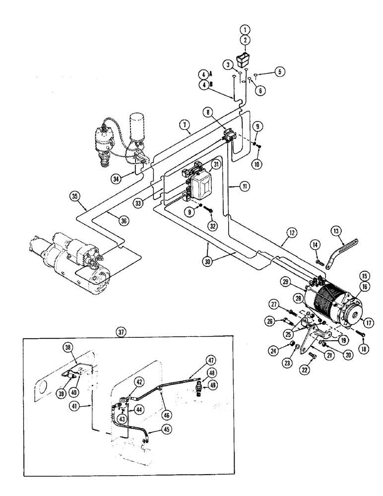
1

A18442

PLUG ASSY - wire, R.H.

1шт.

2

A13777

PLUG - connector, wire

1шт.

3

NSS

NOT SOLD SEPARAT

WIRE - plug to fuel gauge conn. (Blk. 67")

1шт.

4a

NSS

NOT SOLD SEPARAT

WIRE - plug to relay "3" term. (Diesel) (Red 90")

1шт.

4b

NSS

NOT SOLD SEPARAT

WIRE - plug to resistor (Gas) (Red 90")

1шт.

5

NSS

NOT SOLD SEPARAT

WIRE - plug to conv. temp. swt. (Blk. 65")

1шт.

6

NSS

NOT SOLD SEPARAT

WIRE - plug to eng., temp. swt. (Wht. 120")

1шт.

7

NSS

NOT SOLD SEPARAT

WIRE - plug to volt. ref. "L" term (Blk. 91")

1шт.

8

A18439

X

RELAY ASSY - field

1шт.

9

92-4

LOCK WASHER,1/4"

WASHER, LOCK, 1/4"

5шт.

10

13-46

BOLT,Hex, 1/4" - 20 x 3/8", Gr 5, Full Thd

- 1/4" x 3/8" N.C. hex

2шт.

11

A18441

WIRE - relay "2" term. to alter "B" term (Red 38")

1шт.

12

O6552AB

WIRE - alter. grd. to regulator (Blk. 42-1/2")

1шт.

13

A18425

STRAP - adj. alternator

1шт.

14

13-614

BOLT,Hex, 3/8" - 16 x 7/8", Gr 5, Full Thd

1шт.

15

A18424

FAN ASSY - alternator

1шт.

16

182-165

SCREW - mach., #12 x 5/8" slt. pan hd.

4шт.

17

A18423

PULLEY - alternator

1шт.

18

14-728

BOLT,Hex, 7/16" - 20 x 1-3/4", Gr 5

- 7/16" x 1-3/4" N.F. hex

1шт.

19

92-10

LOCK WASHER,5/8"

WASHER, LOCK, 5/8"

1шт.

20

25-1110

NUT,5/8"-18, G5

- 5/8" N.F., hex

1шт.

21

A18437

BRACKET ASSY - mtg., alternator

1шт.

22

14-1236

BOLT,Hex, 3/4" - 16 x 2-1/4", Gr 5, Full Thd

- 3/4" x 2-1/4" N.F., hex.

1шт.

23

92-12

LOCK WASHER,3/4"

WASHER, LOCK, 3/4"

1шт.

24

25-1112

NUT,3/4"-16, G5

- 3/4" N.F., hex.

1шт.

25

92-7

LOCK WASHER,7/16"

2шт.

26

A7442

BOLT - shoulder, Serial Range: brkt.-engine

1шт.

27

14-720

BOLT,Hex, 7/16" - 20 x 1-1/4", Gr 5, Full Thd

- 7/16" x 1-1/4" N.F., hex

1шт.

28

25-117

NUT,7/16"-20, G5

- 7/16" N.F., hex

2шт.

29

A18436

ALTERNATOR ASSY - generator, AC (12V., 60 amp.)

1шт.

30

A18444

WIRE - alter, "FI" term. & "F" term to volt. reg. "B" & "F" term (Black 39")

2шт.

31

A18440

REGULATOR ASSY - voltage

1шт.

32

13-412

BOLT,Hex, 1/4" - 20 x 3/4", Gr 5, Full Thd

3шт.

33

A8743

WIRE - reg. "B" term. to relay 1" term (Wht. 8")

1шт.

34

A13906

WIRE - relay "#" term. to resistor (Gasoline) (Wht. 24")

1шт.

35

A8743

WIRE - resistor to st. sol. (Gas.) (Wht. 8")

1шт.

36

A18443

WIRE - relay "2" term. to st. sol. (Red. 32")

1шт.

37

A18498

PREHEATER KIT - manifold (Mach. item), A18498 manifold preheater kit, diesel

1шт.

38

A13750

WIRE - heater swt. to R.H. plug (Blk. 12"), A18498 manifold preheater kit, diesel

1шт.

39

O10602AB

SWITCH ASSY - heater (Push button), A18498 manifold preheater kit, diesel

1шт.

40

A13752

WIRE - st. swt. "B" term to htr. swt. (Red 13"), A18498 manifold preheater kit, diesel

1шт.

41

A14657

WIRE - plug to htr. sol. swt. (Red 103"), A18498 manifold preheater kit, diesel

1шт.

42

G44835

SOLENOID

ASSY - heater switch, A18498 manifold preheater kit, diesel

1шт.

43

92-4

LOCK WASHER,1/4"

WASHER, LOCK, , A18498 Manifold preheater kit, Diesel 1/4"

2шт.

44

13-48

BOLT,Hex, 1/4" - 20 x 1/2", Gr 5

A18498 manifold preheater kit, diesel Hex, 1/4"-20 x 1/2", G5, Full Thd

2шт.

45

A21483

CABLE

- sol. swt. to starter, A18498 manifold preheater kit, diesel

1шт.

46

A10852

CLIP - cable, A18498 manifold preheater kit, diesel

1шт.

47

A21485

CABLE

- sol, swt. to heater, A18498 manifold preheater kit, diesel

1шт.

48

A24396

X

HEATER ASSY - manifold, A18498 manifold preheater kit, diesel

1шт.

49

A20916

MANIFOLD GASKET

GASKET - manifold heater, A18498 manifold preheater kit, diesel

1шт.

Выбрано товаров: 0