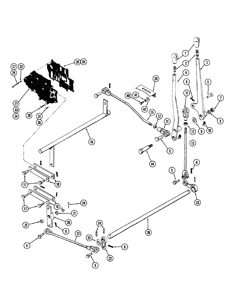
Запчасти Case W9A (086) - FORWARD - REVERSE AND RANGE SHIFT CONTROL (06) - POWER TRAIN

Схема запчастей Case W9A - (086) - FORWARD - REVERSE AND RANGE SHIFT CONTROL (06) - POWER TRAIN
FIT
1:1
100%

Артикул

Название

Примечание

Количество

1

A14051

GRIP

KNOB - hand lever, shift range

2шт.

2

A16775

STUD

- shift lever knob

2шт.

3

A14033

BODY

LEVER - shift, forward & reverse

1шт.

4

A16378

LEVER - shift, transmission range

1шт.

5

141-6

CLEVIS PIN,1/2" x 1.360"

PIN - clevis, yoke end

6шт.

6

132-48

COTTER PIN,1/8" x 1"

Pin, Split (Cotter), 1/8" x 1"

6шт.

7

86637932

JAM NUT,Jam, 5/8"-18, G5

NUT - 5/8" N.F., hex

1шт.

8

92-10

LOCK WASHER,5/8"

WASHER, LOCK, 5/8"

1шт.

9

195-41

WASHER,5/8"

1шт.

10

219-55

LUBE NIPPLE,90 Degree Elbow, 1/8" - 27 NPTF

NIPPLE, LUBE, 90º, 1/8" NPT x .84" lg

1шт.

11

213-6

ADJUSTABLE CLEVIS,1/2"-20 x 3"

YOKE - adj., 1/2"

2шт.

12

25-118

NUT,1/2"-20, G5

- jam., 1/2" N.F., hex

2шт.

13

A14485

LINK - connecting, forward & reverse

1шт.

14

A17877

BOLT - dowel, lever mounting

1шт.

15

A15178

LINK - connecting, transmission range

1шт.

16

A14482

SHAFT ASSY - shifter, trans. range

1шт.

17

A12122

PIN - connecting, shifter and trans. links

4шт.

18

A12123

LINK - connecting, range, Serial Range: shaft-trans

2шт.

19

A12121

LINK - connecting, forward &, Serial Range: reverse-trans.

2шт.

20

A16774

LEVER ASSY - forward & reverse links

1шт.

21

O10308AB

X

BUSHING - lever, forward & reverse

2шт.

22

A12117

LINK - cross shaft, lower forward & reverse

1шт.

23

A12115

LEVER - cross shaft, forward & reverse

2шт.

24

135-359

GROOVED PIN,1/4" x 1 1/2", Type F

PIN - groove, 1/4" x 1-3/4"

3шт.

25

A12116

COLLAR - cross shaft, forward & reverse

1шт.

26

A12114

SHAFT - cross, forward & reverse

1шт.

27

A16988

VALVE ASSY - trans. selector (Used trans. serial #23080 and after) (Repairs, Figure 90)

1шт.

28

A16987

GASKET

- selectors, Serial Range: valve-trans

1шт.

29

13-656

BOLT,Hex, 3/8" - 16 x 3-1/2", Gr 5

- 3/8" x 3-1/2" N.C., hex

3шт.

30

13-640

BOLT,Hex, 3/8" - 16 x 2-1/2", Gr 5

- 3/8" x 2-1/2" N.C, hex

6шт.

31

13-620

BOLT,Hex, 3/8" - 16 x 1-1/4", Gr 5, Full Thd

2шт.

32

92-6

LOCK WASHER,3/8"

1шт.

33

A16664

LOCK VALVE

VALVE ASSY - trans. selector (Used trans. serial #18213 to 23079) (Repair, Figure 88)

1шт.

34

A12818

VALVE ASSY - transmission selector (Used prior trns. S/N18213 (Order A16664) (Repair, Figure 88)

1шт.

35

A12804

GASKET

- selector, Serial Range: valve-trans.

1шт.

36

13-620

BOLT,Hex, 3/8" - 16 x 1-1/4", Gr 5, Full Thd

6шт.

37

13-648

BOLT,Hex, 3/8" - 16 x 3", Gr 5

- 3/8 x 3" N.C., hex.

5шт.

39

A14484

GUIDE - hand lever

1шт.

40

13-524

BOLT,Hex, 5/16" - 18 x 1-1/2", Gr 5

- hex, 5/16 NC x 1-1/2"

2шт.

41

92-5

LOCK WASHER,5/16"

2шт.

42

95-5

WASHER,3/8" x 7/8" x .083"

- 5/16" plain

2шт.

Выбрано товаров: 0