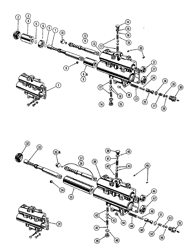
Запчасти Case W9A (088) - A12818 SELECTOR VALVE ASSEMBLY, USED PRIOR TRANS. SN. 18213 (06) - POWER TRAIN

Схема запчастей Case W9A - (088) - A12818 SELECTOR VALVE ASSEMBLY, USED PRIOR TRANS. SN. 18213 (06) - POWER TRAIN
FIT
1:1
100%

Артикул

Название

Примечание

Количество

1

A12818

VALVE ASSY - selector, trans.

1шт.

2

A12654

COVER - plug, forward & reverse spool

1шт.

3

A13228

SLEEVE - shift valve, forward (Used Trans. Serial #5909 and after)

1шт.

4

A12742

SLEEVE - shift valve, forward (Used prior to trans. serial #5909)

1шт.

5

A12667

RING

- snap, forward & reverse spool

2шт.

6

A12744

PISTON - forward and reverse spool

1шт.

7

A12743

SPOOL ASSY - forward and reverse

1шт.

8a

A13227

SLEEVE - shift valve, reverse (Used trans. serial #5909 and after)

1шт.

9

A12745

SLEEVE - shift valve, reverse (Used prior trans. serial #5909)

1шт.

10

A12699

PLUG - range shift spool

1шт.

11

A12746

SPOOL ASSY - valve, range selector

1шт.

12

A13517

BUSHING - spool, range selector valve

1шт.

13

NSS

NOT SOLD SEPARAT

BODY - selector valve (Order A16664)

1шт.

14

A16531

PLUG - selector valve

2шт.

15

A12650

GASKET - plug, selector valve

2шт.

16

A12669

WEIGHT

PIN - plug, selector valve

1шт.

17

A12661

SPRING

- ball, selector valve

4шт.

18

211-15

BALL,5/8" Dia

- spring, . 5/8" Dia

4шт.

19

221-1661

PLUG

- pipe, 1/8" hex. hd.

2шт.

20

138-220

LOCK PIN,3/8" x 3/4", Slotted

PIN, 3/8" x 3/4", Slotted

2шт.

21

A12660

SEAL

- oil, range spool

1шт.

22

A12747

OIL RESERVOIR

SEAL - oil, forward & reverse spool

1шт.

23

A12741

SPRING - cut-off valve

1шт.

24

A12648

X

PIN - cut-off valve

1шт.

25

A12782

LOCK VALVE

VALVE - cut-off

1шт.

26

A12649

GASKET

- plug, cut-off valve

1шт.

27

A16569

PLUG

- cut-off valve

1шт.

28

A12666

O-RING,0.359" ID x 0.73"

"O" RING - seal, cut-off plug

1шт.

29

A16568

CUP ASSY.

CUP - cut-off plug

1шт.

30

A12784

PLUG

- retainer, cut-off valve

1шт.

31

A16664

LOCK VALVE

VALVE ASSY - selector, transmission, A16664 selector valve assembly used transmission serial no., Serial Range: 18213-23079

1шт.

32

A12654

PLUG - cover, forward & reverse spool, A16664 selector valve assembly used transmission serial no., Serial Range: 18213-23079

1шт.

33

A16663

SPOOL ASSY - valve, forward & reverse, A16664 selector valve assembly used transmission serial no., Serial Range: 18213-23079

1шт.

34

A13517

BUSHING - valve spool, A16664 selector valve assembly used transmission serial no., Serial Range: 18213-23079

1шт.

35

A16662

SLEEVE

- spool, forward & reverse, A16664 selector valve assembly used transmission serial no., Serial Range: 18213-23079

1шт.

35a

A12699

PLUG - spool, range selector, A16664 selector valve assembly used transmission serial no., Serial Range: 18213-23079

1шт.

36

A12746

SPOOL ASSY - valve, range selector, A16664 selector valve assembly used transmission serial no., Serial Range: 18213-23079

1шт.

37

A13517

BUSHING - spool, range selector, A16664 selector valve assembly used transmission serial no., Serial Range: 18213-23079

1шт.

38

NSS

NOT SOLD SEPARAT

BODY - selector valve (Order A16664), A16664 selector valve assembly used transmission serial no., Serial Range: 18213-23079

1шт.

39

A16531

PLUG - selector valve, A16664 selector valve assembly used transmission serial no., Serial Range: 18213-23079

2шт.

40

A12650

GASKET - valve plug (Copper), A16664 selector valve assembly used transmission serial no., Serial Range: 18213-23079

2шт.

41

A12669

WEIGHT

PIN - valve plug, A16664 selector valve assembly used transmission serial no., Serial Range: 18213-23079

2шт.

42

A12661

SPRING

- valve ball, A16664 selector valve assembly used transmission serial no., Serial Range: 18213-23079

4шт.

43

211-15

BALL,5/8" Dia

- valve spring (.), A16664 selector valve assembly used transmission serial no. 18213 to 23079 5/8" Dia

4шт.

44

221-1661

PLUG

- pipe, 1/8" hex. hd., A16664 selector valve assembly used transmission serial no., Serial Range: 18213-23079

2шт.

45

138-220

LOCK PIN,3/8" x 3/4", Slotted

PIN, , A16664 selector valve assembly used transmission S/N 18213 to 23079 3/8" x 3/4", Slotted

1шт.

46

A12660

SEAL

- oil, range selector spool, A16664 selector valve assembly used transmission serial no., Serial Range: 18213-23079

1шт.

47

A12747

OIL RESERVOIR

SEAL - oil, forward & reverse spool, A16664 selector valve assembly used transmission serial no., Serial Range: 18213-23079

1шт.

48

A12741

SPRING - cut-off valve, A16664 selector valve assembly used transmission serial no., Serial Range: 18213-23079

1шт.

49

A12648

X

PIN - cut-off valve, A16664 selector valve assembly used transmission serial no., Serial Range: 18213-23079

1шт.

50

A15972

WASHER

VALVE - cut-off, A16664 selector valve assembly used transmission serial no., Serial Range: 18213-23079

1шт.

51

A12649

GASKET

- retainer plug, A16664 selector valve assembly used transmission serial no., Serial Range: 18213-23079

1шт.

52

A16569

PLUG

- cut-off valve, A16664 selector valve assembly used transmission serial no., Serial Range: 18213-23079

1шт.

53

A12666

O-RING,0.359" ID x 0.73"

"O" RING - seal, cut-off valve plug, A16664 selector valve assembly used transmission serial no. 18213 to 23079

1шт.

54

A16568

CUP ASSY.

CUP - cut-off plug, A16664 selector valve assembly used transmission serial no., Serial Range: 18213-23079

1шт.

55

A12784

PLUG

- retainer, cut-off valve, A16664 selector valve assembly used transmission serial no., Serial Range: 18213-23079

1шт.

Выбрано товаров: 0