Запчасти Case W9A (096) - CONVERTER AND TRANSMISSION HOSES - TUBES, TORQUE CONVERTER (06) - POWER TRAIN

Схема запчастей Case W9A - (096) - CONVERTER AND TRANSMISSION HOSES - TUBES, TORQUE CONVERTER (06) - POWER TRAIN
FIT
1:1
100%

Артикул

Название

Примечание

Количество

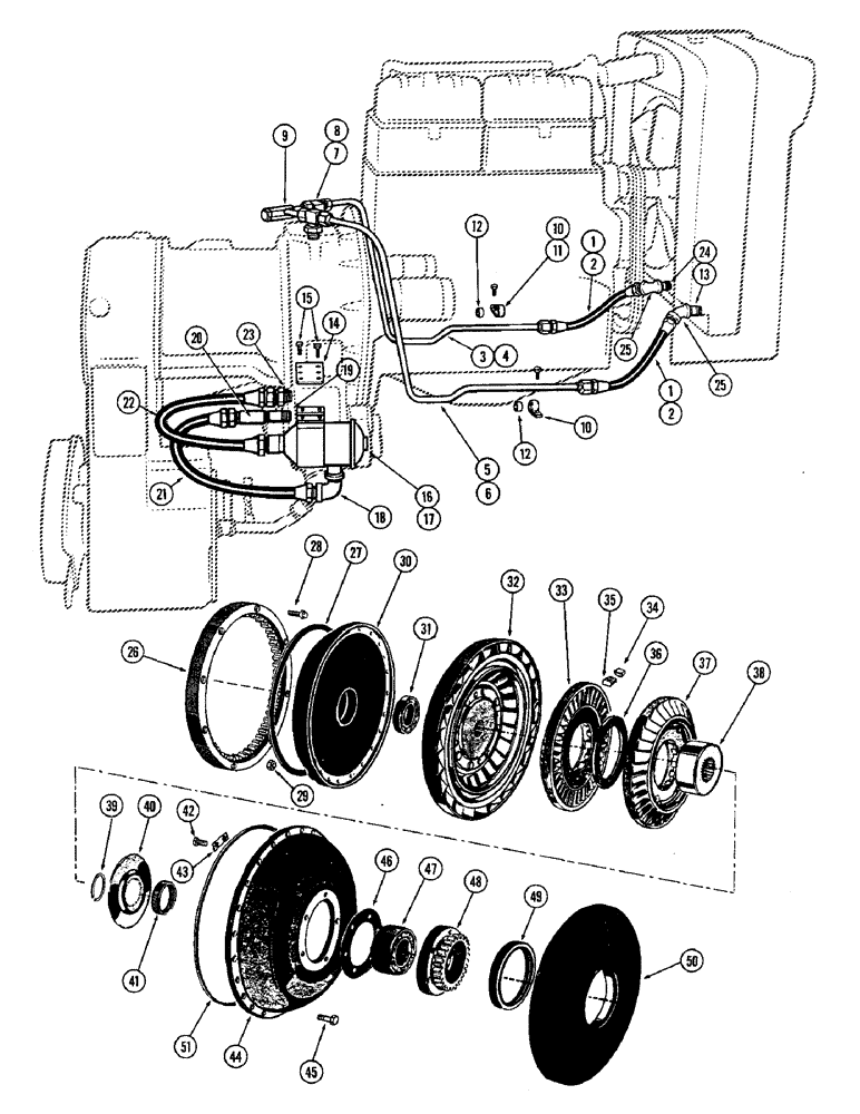
1

A16704

HOSE - cooler to trans. tube (1-1/4" dia.) (Use w/A16700 & A16701 tubes)

2шт.

2

A12495

HOSE

cooler to trans. tube (15/16" dia.) (Use w/A15186 & A15187 tubes)

2шт.

3

A16700

TUBE ASSY - oil cooler, R.H. (3/4" O.D. tube) (Used late production units)

1шт.

4

A15186

TUBE ASSY - oil cooler, R.H. (5/8" O.D. tube) (Used early production units)

1шт.

5

A16701

TUBE ASSY - oil cooler, L.H. (3/4" O.D. tube) (Used late production units)

1шт.

6

A15187

RING

TUBE ASSY - oil cooler, L.H. (5/8" O.D. tube) (Used early production units)

1шт.

7

A16699

TEE - outlet male (Use w/A16700 & A16701)

2шт.

8

218-555

TEE,7/8"-14, 37 Degree x 1/2"-14, NPTF Br

- outlet, male (Use w/A15186 & A15187)

2шт.

9

A16384

VALVE

ASSY - by-pass (Repair, Figure 98)

1шт.

10

A21633

CLIP - cooler tube (Use w/A16700 & A16701)

2шт.

11

A12497

CLIP - cooler tube (Use A15186 & A15187)

4шт.

12

VP520

X

SPACER - tube clip (4 used w/A12497 & 2 used with A21633)

4шт.

13

221-60

TUBE

BUSHING - reducer, 3/4"-1/2" pipe (Used w/A12496)

2шт.

14

A12614

BRACKET - mtg., trans. oil filter

1шт.

15

14-624

BOLT,Hex, 3/8" - 24 x 1-1/2", Gr 5

- 3/8" x 1-1/2" N.F., hex

2шт.

16

A12615

FILTER ASSY - oil, trans. (Repair, Figure 98)

1шт.

17

14-616

BOLT,Hex, 3/8" - 24 x 1", Gr 5

- 3/8" x 1" N.F. hex

4шт.

18

221-1415

ELBOW,90 Degree, 3/4"-14, NPT

- 3/4" x 90 degree pipe

1шт.

19

221-1241

FITTING

NIPPLE - 1" x 3" pipe

1шт.

20

221-1354

CAP

COUPLING - reducing, 1"-3/4" pipe

1шт.

21

A12612

HOSE ASSY.

HOSE - filter to transmission (Inlet)

1шт.

22

A12613

HOSE - filter to transmission (Outlet)

1шт.

23

221-1065

BUSHING

- reducer, 1"-3/4" pipe

1шт.

24

221-1185

FITTING

NIPPLE - 1/2" x 1-1/8" pipe

2шт.

25

221-1377

ELBOW,90 Degree, 1/2" NPT

- 1/2" x 90 degree pipe

2шт.

26

A16644

RING

- drive, coverter, torque

1шт.

27

A16645

SEALING RING

- drive ring, torque converter

1шт.

28

166-46

12 PT SCREW,Flg, 3/8" - 16 x 1 1/4", Gr 8

SCREW - cap, 3/8" x 1-1/4" N.C., ferry hd., torque converter

8шт.

29

25-135

SLOTTED NUT,5/16"-24, G5

NUT - 5/16" N.F., hex, torque converter

24шт.

30

A23329

COVER ASSY

COVER - converter pump, torque converter

1шт.

31

O4509TF

X

BEARING - ball, conv., front (ND3208XRIA), torque converter

1шт.

32

A12762

TURBINE

- converter, torque

1шт.

33

A13908

STATOR

- first, coverter, torque

1шт.

34

A15973

SPRING

- roller, conv. free wheel (Replace all 16), torque converter

16шт.

35

A12840

ROLLER

- free wheel, converter, torque

16шт.

36

A12685

HOSE

WASHER - spacing, first & second stator, torque converter

1шт.

37

A12690

STATOR

- second, coverter, torque

1шт.

38

A12692

RACE - free wheel, converter, torque

1шт.

39

A12694

RING, SNAP

RING - snap, converter shaft, torque converter

1шт.

40

A12691

SPACER - stator, converter, torque

1шт.

41

A12693

SPACER

- pump, converter, torque

1шт.

42

14-420

BOLT,Hex, 1/4" - 28 x 1-1/4", Gr 5

- 1/2" x 1-1/4" N.F., hex, torque converter

6шт.

43

A12731

LOCKING PLATE

STRIP - locking, pump housing, torque converter

3шт.

44

A12725

PUMP ASSY - converter, torque

1шт.

45

A12695

BOLT

- converter pump, torque converter

24шт.

46

A12826

GASKET

- input drive gear, torque converter

1шт.

47

A12757

BEARING

- ball, conv, rear (MRC5209K1), torque converter

1шт.

48

A12827

GEAR - drive, input, torque converter

1шт.

49

L34000

DIAPHRAGM

SEAL - diaphragm, converter hsg, torque converter

1шт.

50

A12824

DIAPHRAGM

- converter housing, torque converter

1шт.

51

A12674

RING

- seal, conv. hsg. to flywheel, torque converter

1шт.

Выбрано товаров: 0