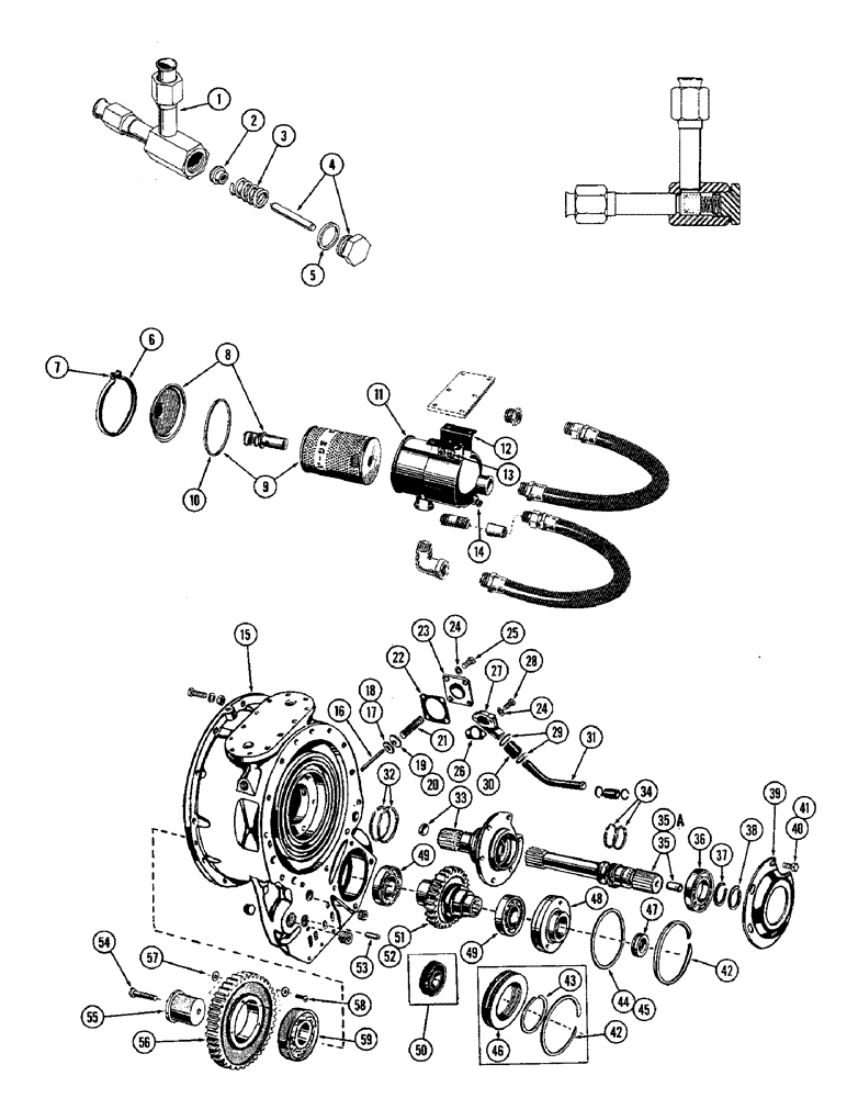
Запчасти Case W9A (098) - A16384 BY-PASS VALVE, A12615 FILTER ASSEMBLY, CONVERTER (06) - POWER TRAIN

Схема запчастей Case W9A - (098) - A16384 BY-PASS VALVE, A12615 FILTER ASSEMBLY, CONVERTER (06) - POWER TRAIN
FIT
1:1
100%

Артикул

Название

Примечание

Количество

A16384

VALVE

ASSY - by-pass, trns. oil

1шт.

1

NSS

NOT SOLD SEPARAT

BODY ASSY - bypass valve (Order A16384)

1шт.

2

A16388

POPPET - valve

1шт.

3

O8375AB

X

SPRING - valve poppet

1шт.

4

A16385

CAP ASSY - valve

1шт.

5

O9844AB

X

GASKET - plug assy

1шт.

A12615

FILTER ASSY - oil, transmission

1шт.

6

A15989

RING

CLAMP ASSY - filter cover (2 halves), A12615 filter assembly

1шт.

7

71-414

BOLT (MACHINE),M12 x 1.75 x 45mm, Cl 10.9

SCREW - mach., 1/4" x 7/8" slotted fill. hd., A12615 filter assembly

2шт.

8

A15991

COVER

ASSY - filter, w/relief valve, A12615 filter assembly

1шт.

9

A13211

FILTER, ENGINE OIL

ELEMENT KIT - filter, A12615 filter assembly

1шт.

10

A13208

GASKET

GASKET - cover, filter, A12615 filter assembly

1шт.

11

NSS

NOT SOLD SEPARAT

BODY ASSY - filter (Order A12615), A12615 filter assembly

1шт.

12

A13210

BRACKET ASSY - filter, A12615 filter assembly

1шт.

13

72-540

SCREW - mach., 5/16" x 2-1/2" N.C. sltd. hd., A12615 filter assembly

2шт.

14

221-662

PLUG,Hex Hd, 1/4"-18

- pipe, 1/4" hex. hd., A12615 filter assembly

1шт.

15

A12821

HOUSING - converter, torque, converter housing and pump drive

1шт.

16

A12689

PIN - oil pressure, regulator valve, converter housing and pump drive

1шт.

17

A40059

WASHER

- oil press, valve (S/N 27719 & after), converter housing and pump drive

1шт.

18

A15972

WASHER

- oil press., valve (Prior S/N 27719), converter housing and pump drive

1шт.

19

A40058

VALVE

- regulator, oil press. (S/N 27719 & after), converter housing and pump drive

1шт.

20

A12673

X

VALVE - regulator, oil pres. (Prior S/N 27719), converter housing and pump drive

1шт.

21

A12676

SPRING - regulator valve, converter housing and pump drive

1шт.

22

A12688

GASKET

- cover, regl. valve, converter housing and pump drive

1шт.

23

A12772

COVER - reg. valve, oil pressure, converter housing and pump drive

1шт.

24

92-6

LOCK WASHER,3/8"

converter housing and pump drive 3/8"

6шт.

25

13-612

BOLT,Hex, 3/8" - 16 x 3/4", Gr 5, Full Thd

Converter housing and pump drive Hex, 3/8"-16 x 3/4", G5, Full Thd

4шт.

26

A12820

GASKET

- drain tube, housing, converter housing and pump drive

1шт.

27

A12774

FLANGE

- drain tube, housing, converter housing and pump drive

1шт.

28

13-624

BOLT,Hex, 3/8" - 16 x 1-1/2", Gr 5

- 3/8" x 1-1/2" N.C., hex, converter housing and pump drive

2шт.

29

214-253

HOSE CLAMP,#10, 0.56" - 1.06", Type F Worm

CLAMP - hose, 9/16" - 1-1/6", converter housing and pump drive

2шт.

30

A12773

HOSE ASSY.

HOSE - drain tube, housing, converter housing and pump drive

1шт.

31

A12775

TUBE - drain, housing, converter housing and pump drive

1шт.

32

A12841

SEAL

RING - seal, shaft sleeve, converter housing and pump drive

2шт.

33

A12715

SLEEVE - ground, shaft, converter housing and pump drive

1шт.

34

A12823

RING - seal, conv. shaft (2 used w/A12748-1 w/A40024), converter housing and pump drive

2шт.

35

A40024

SHAFT

- converter (S/N 37339 & after), converter housing and pump drive

1шт.

37a

A12748

SHAFT ASSY - coverter (Prior S/N 37339), converter housing and pump drive

1шт.

36

VT2893

X

BEARING - conv. shaft, rear (ND3207XIA), converter housing and pump drive

1шт.

37

A12662

X

RING - snap, rear bearing, converter housing and pump drive

1шт.

38

A12684

HOSE

RING - snap, rear bearing (Used w/A12748 only), converter housing and pump drive

1шт.

39

A12709

RETAINER - rear bearing, converter housing and pump drive

1шт.

40

193-30

LOCK WASHER,Int Tooth, 3/8"

WASHER, LOCK, , Converter housing and pump drive Int Tooth, 3/8"

6шт.

41

13-613

SCREW,Hex, 3/8" - 16 x 7/8"

BOLT - 3/8" x 7/8" N.C., hex, converter housing and pump drive

6шт.

42

A12816

SNAP RING

RING - snap, drive gear brg., pump, converter housing and pump drive

1шт.

43

A12672

RING - snap, pump gear brg. (Prior S/N 7596), converter housing and pump drive

1шт.

44

A13256

"O" RING - inner, bearing (Prior S/N 7596), converter housing and pump drive

1шт.

45

A13255

O-RING

"O" RING - bearing, retaining, outer, converter housing and pump drive

1шт.

46

A12802

RETAINER

- bearing (Prior S/N 7596), converter housing and pump drive

1шт.

47

A13262

SEAL

- oil, brg. retainer (S/N 7596 & after), converter housing and pump drive

1шт.

48

A13254

RETAINER

- drive gear brg. (S/N 7596 & after), converter housing and pump drive

1шт.

49

B18274

BALL BEARING,1.7712" ID x 3.3465" OD x 0.748"

BEARING - drive gear (ND3209XRIA), converter housing and pump drive

2шт.

50

A12788

BEARING - drv. gear (MRC209SZ) (Prior S/N 7596), converter housing and pump drive

1шт.

51

A13257

GEAR WHEEL

GEAR - drv., pump (S/N 7596 & after), converter housing and pump drive

1шт.

52

A12714

X

GEAR - drive, pump (Prior S/N 7596), converter housing and pump drive

1шт.

53

A13514

TUBE - oil transfer, converter housing and pump drive

1шт.

54

A18016

X

BOLT - 7/16" x 1-3/4" N.C., hex, converter housing and pump drive

1шт.

55

A12794

SPINDLE

- idler gear, converter housing and pump drive

1шт.

56

A40039

GEAR SET

GEAR ASSY - drive, idler, converter housing and pump drive

1шт.

57

A40042

X

WASHER - retaining, bearing, converter housing and pump drive

6шт.

58

A40041

RIVET

- bearing, retaining, converter housing and pump drive

3шт.

59

O7608AB

X

BEARING - idler gear (ND1210), converter housing and pump drive

1шт.

Выбрано товаров: 0