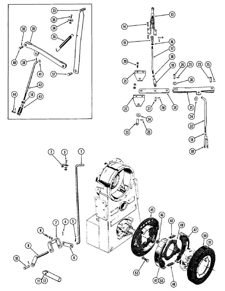
Запчасти Case W9A (106) - REAR AXLE CLUTCH CONTROL, PARKING BRAKE CONTROL, OVER CENTER (06) - POWER TRAIN

Схема запчастей Case W9A - (106) - REAR AXLE CLUTCH CONTROL, PARKING BRAKE CONTROL, OVER CENTER (06) - POWER TRAIN
FIT
1:1
100%

Артикул

Название

Примечание

Количество

1

A12090

ROD - control, rear axle shaft

1шт.

2

A12098

CLIP - control rod

1шт.

3

14-616

BOLT,Hex, 3/8" - 24 x 1", Gr 5

- 3/8" x 1" N.F., hex

1шт.

4

138-96

LOCK PIN,3/16" x 1", Slotted

PIN, 3/16" x 1", Slotted

1шт.

5

132-48

COTTER PIN,1/8" x 1"

Pin, Split (Cotter), 1/8" x 1"

1шт.

6

A12097

LEVER - rear axle shift, outer

1шт.

7

A16929

BRACKET - lever & cross shaft

1шт.

8

13-620

BOLT,Hex, 3/8" - 16 x 1-1/4", Gr 5, Full Thd

2шт.

9

A12093

SHAFT ASSY - lever & cross

1шт.

10

141-6

CLEVIS PIN,1/2" x 1.360"

PIN - clevis, 1/2"

1шт.

11

A16981

SHAFT - shifter fork (See Figure 102)

1шт.

12

A12729

SHAFT - shifter fork (See Figure 104)

1шт.

13

A16533

LEVER ASSY - parking brake, parking brake control over center locking

1шт.

14

14-612

BOLT,Hex, 3/8" - 24 x 3/4", Gr 5, Full Thd

Parking brake control over center locking Hex, 3/8"-24 x 3/4", G5, Full Thd

4шт.

15

213-3

ADJUSTABLE CLEVIS,5/16"-24

YOKE - adj., 5/16", parking brake control over center locking

1шт.

16

25-155

JAM NUT,Jam, 5/16"-24, G5

- jam, 5/16" N.F., hex, parking brake control over center locking

1шт.

17

A16540

ROD - brace, hand, parking brake control over center locking

1шт.

18

25-156

JAM NUT,Jam, 3/8"-24, G5

- jam, 3/8" N.F., hex, parking brake control over center locking

2шт.

19

213-4

ADJUSTABLE CLEVIS,3/8"-24 x 2 1/2"

YOKE - adj., 3/8", parking brake control over center locking

2шт.

20

14-628

BOLT,Hex, 3/8" - 24 x 1-3/4", Gr 5

- 3/8" x 1-3/4" N.F., hex, parking brake control over center locking

4шт.

21

A16538

BRACKET - mtg., lever (Inner), parking brake control over center locking

1шт.

22

A16539

BRACKET - mtg., lever (Outer), parking brake control over center locking

1шт.

23

141-6

CLEVIS PIN,1/2" x 1.360"

PIN - clevis, 1/2", parking brake control over center locking

2шт.

24

195-53

WASHER,1" x 2" x .134"

- plain, 1/2" SAE, parking brake control over center locking

2шт.

25

132-46

COTTER PIN,1/8" x 3/4"

Pin, Split (Cotter), , Parking brake control over center locking 1/8" x 3/4"

4шт.

26

A16534

LEVER - control, front, parking brake control over center locking

1шт.

27

141-4

CLEVIS PIN,3/8" x 1.060"

PIN, CLEVIS, , Pivot, parking brake control over center locking 3/8" x 1.060"

1шт.

28

132-25

COTTER PIN,3/32" x 5/8"

Pin, Split (Cotter), , Parking brake control over center locking 3/32" x 5/8"

2шт.

29

A12470

PIN

- pivot, rear control lever, parking brake control over center locking

1шт.

30

195-29

WASHER,7/16"

- plain, SAE, parking brake control over center locking 7/16"

1шт.

31

A16535

LEVER - control rear, parking brake control over center locking

1шт.

32

A12471

ROD - control, lower, parking brake control over center locking

1шт.

33

A12469

HANDLE - rachet, hand brake, parking brake control ratchet type

1шт.

34

O9326AB

X

PAWL - hand brake, parking brake control ratchet type

1шт.

35

75-612

SCREW - mach., 3/8" x 3/4" N.F., rd. hd., parking brake control ratchet type

1шт.

36

O4921AB

X

SPRING - tension, hand brake, parking brake control ratchet type

1шт.

37

A12470

PIN

- pivot, handle, parking brake control ratchet type

1шт.

38

132-46

COTTER PIN,1/8" x 3/4"

Pin, Split (Cotter), , Parking brake control ratchet type 1/8" x 3/4"

3шт.

39

A12466

LEVER - hand brake, parking brake control ratchet type

1шт.

40

141-6

CLEVIS PIN,1/2" x 1.360"

PIN - clevis, 1/2", parking brake control ratchet type

1шт.

41

195-53

WASHER,1" x 2" x .134"

- plain, 1/2" SAE, parking brake control ratchet type

1шт.

42

A12471

ROD - hand brake, parking brake control ratchet type

1шт.

43

213-4

ADJUSTABLE CLEVIS,3/8"-24 x 2 1/2"

YOKE - end, rod, parking brake control ratchet type

1шт.

44

141-4

CLEVIS PIN,3/8" x 1.060"

PIN, CLEVIS, , End, parking brake control ratchet type 3/8" x 1.060"

1шт.

45

A15974

PLATE ASSY - backing, brake, parking brake

1шт.

46

A16642

WASHER

ROLLER - cam lever, parking brake

1шт.

47

A12780

BRAKE SHOE

SHOE ASSY - brake (Set of two), parking brake

1шт.

48

A12778

SPRING

- return, brake shoe, parking brake

2шт.

49

A12779

LEVER

- cam, brake, parking

1шт.

50

A12777

DRUM - brake, parking

1шт.

51

14-614

SCREW,Hex, 3/8" - 24 x 7/8", Gr 5

BOLT - 3/8" x 3/4" N.F., hex, parking brake

8шт.

52

13-1020

BOLT,Hex, 5/8" - 11 x 1-1/4", Gr 5, Full Thd

Parking brake Hex, 5/8"-11 x 1 1/4", G5, Full Thd

3шт.

53

A12843

PACKAGE

LINING KIT - brake (Set of 2, w/rivets), parking brake

1шт.

Выбрано товаров: 0