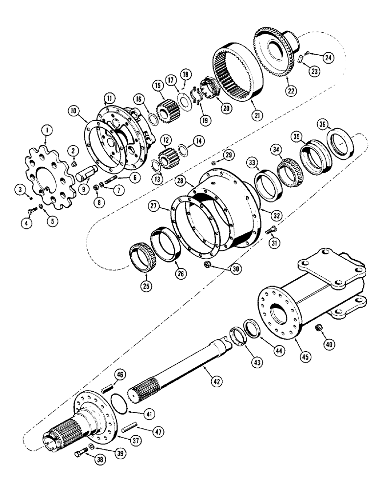
Запчасти Case W9A (150) - FRONT RIGID AXLE AND PLANETARY (06) - POWER TRAIN

Схема запчастей Case W9A - (150) - FRONT RIGID AXLE AND PLANETARY (06) - POWER TRAIN
FIT
1:1
100%

Артикул

Название

Примечание

Количество

1

A12908

COVER

- planetary spider

2шт.

2

A12980

BUTTON

- thrust

2шт.

3

221-31

DRAIN PLUG,Sq Soc, 1/4"-18 NPTF

PLUG - oil leve, 1/4" P.T. sq. socket hd

2шт.

4

113-307

X

BOLT - 7/16" x 1-1/8" N.C. hex. hd. (Gr. 8)

16шт.

5

92-7

LOCK WASHER,7/16"

16шт.

6

A12945

X

STUD -, Serial Range: spider-hub

24шт.

7

92-8

LOCK WASHER,1/2"

24шт.

8

129-545

NUT,1/2"-20, G8

24шт.

9

A40146

SHAFT

- planetary pinion

6шт.

10

A12910

GASKET,0.4mm Thk

- spider cover

2шт.

11

A12909

U-JOINT SPIDER

SPIDER - planetary

2шт.

12

A12901

GEAR

PINION - planetary

6шт.

13

A12904

WASHER

- outer, pinion thrust

6шт.

14

A40145

WASHER

- inner, pinion thrust

6шт.

15

A12905

GEAR

- sun

2шт.

16

A12907

O-RING,1.74" ID x 0.1205"

SNAP RING - sun gear

2шт.

17

A13103

WASHER

- thrust, sun gear

2шт.

18

A13137

AXLE PIN

PIN - thrust washer

2шт.

19

A12953

RETAINER

LOCK - bearing nut

4шт.

20

A13104

BEARING LOCK NUT

NUT - hub bearing

2шт.

21

A12911

GEAR

- ring

2шт.

22

A12913

HUB CAP

HUB - ring gear

2шт.

23

A12914

LOCK ASSY

LOCK - hub

8шт.

24

G49000

BOLT,Hex, 5/16" - 18 x 3/4", Gr 5, Drilled

- lock

16шт.

25

A12915

ROLLER BEARING,4.25" ID x 1.375"

CONE - outer brg. (Timken #48190)

2шт.

26

A12916

BEARING CUP

CUP - outer bearing

2шт.

27

A12900

X

GASKET -, Serial Range: spider-hub

2шт.

REF#27 IS NOW O/RING A18218 11/8/96

1шт.

28

A13139

HUB - wheel (Incl. ref. 6, 26 & 33)

2шт.

29

221-678

DRAIN PLUG,Sq Soc, 3/4" NPT

PLUG - magnetic drain, 3/4" P.T. ctsk

2шт.

30

A12522

WHEEL NUT

- wheel stud

24шт.

31

A13112

STUD

- wheel

24шт.

32

A12917

X

SLINGER - oil

2шт.

33

A7892

BEARING, CUP

CUP - inner bearing (Timken #493)

2шт.

34

A7893

ROLLER BEARING,3.375" ID x 1.172"

CONE - inner bearing (Timken #497)

2шт.

35

L34057

RETAINER

- oil seal

2шт.

36

A12931

OIL SEAL

OIL SEAL - hub bearing

2шт.

37

A12922

SPINDLE

- wheel

2шт.

38

A13108

BOLT - spindle

16шт.

39

A14991

WASHER - spindle bolt

16шт.

40

131-185

LOCK NUT,5/8"-18, GB

NUT - lock, 5/8" N.F. hex

16шт.

41

A19906

O-RING,0.139" Thk x 3.484" ID, -238, Cl 5, 75 Duro

RING - seal, Serial Range: spindle-hsg

2шт.

42

A12941

SHAFT

- axle

2шт.

43

A12930

RETAINER

- oil seal, axle shaft

2шт.

44

A12929

OIL SEAL

OIL SEAL - axle shaft

2шт.

45

A12940

HOUSING - front axle

1шт.

46

A13106

SPARE PART

DOWEL -, Serial Range: spindle-housing

4шт.

47

A13133

DOWEL - spindle to brake housing

4шт.

221-25

PLUG,Sq Soc, 3/4"-14 NPTF

- sq. socket hd. (Not shown)

1шт.

Выбрано товаров: 0