burger
mini logo mini logo

Качественные детали и логистика

zakaz@partsell.ru 8 (800) 777-65-74
  • Написать в whatsapp
  • Каталог
  • Справочники
  • Сервисным и ремонтным
    организациям
  • Поставщикам запчастей
  • Контакты
Заказать запчасти ()

Оригинальные и аналоговые запчасти с доставкой по России, Казахстану и Беларуси

©2022 PartSell
ООО "Система"
ИНН 2463123282
ОГРН 1212400004838


Центральный офис: г. Красноярск, Академика Киренского, д.87, пом.4

Телефон: 8 (800) 777-65-74
Email: zakaz@partsell.ru

8 (800) 777-65-74 zakaz@partsell.ru
Главная
/
Справочники
/
Case
/
Строительно-дорожная техника
/
Погрузчики колесные
/
W
/
(W9B) - CASE WHEEL LOADER (S/N 8208732 TO 9808999) (1/64-12/68)
/
(00) - PICTORIAL INDEX
/

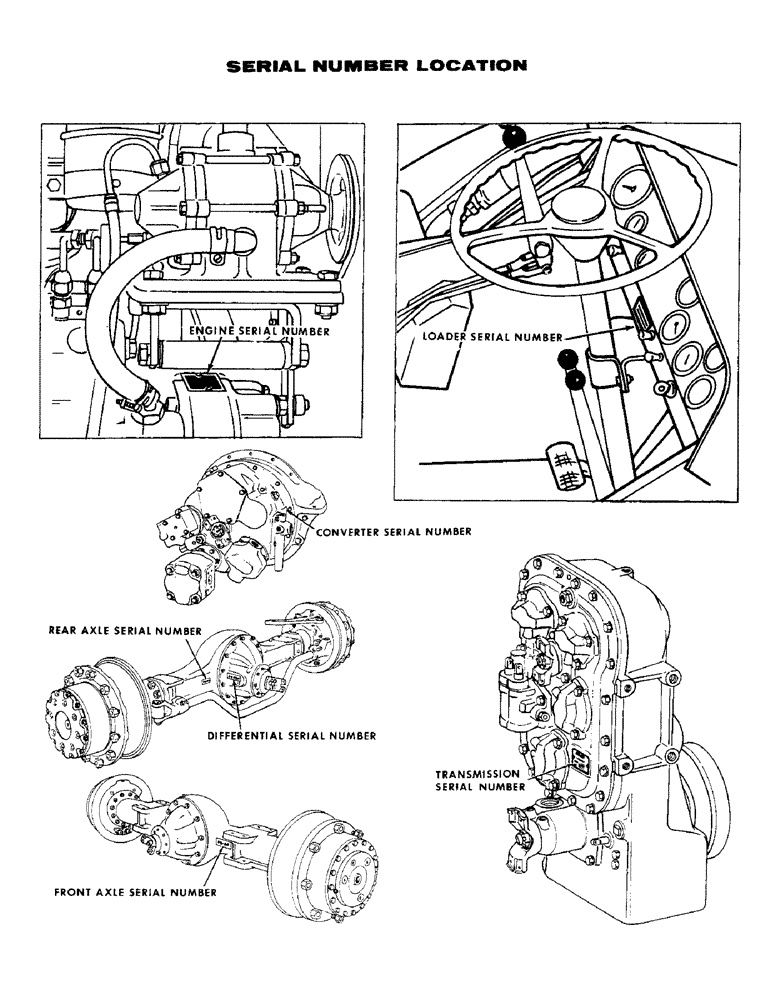
(001A) - SERIAL NUMBER LOCATION

Запчасти Case W9B (001A) - SERIAL NUMBER LOCATION (00) - PICTORIAL INDEX

Схема запчастей Case W9B - (001A) - SERIAL NUMBER LOCATION (00) - PICTORIAL INDEX
FIT
1:1
100%