Запчасти Case W9B (126) - HOOD AND ENGINE SIDE PANELS (09) - CHASSIS

Схема запчастей Case W9B - (126) - HOOD AND ENGINE SIDE PANELS (09) - CHASSIS
FIT
1:1
100%

Артикул

Название

Примечание

Количество

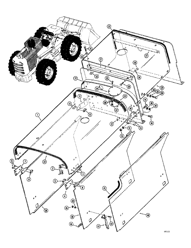
1

A18615

HOOD ASSEMBLY - engine (Rear), Includes: Ref. 2 and 3

1шт.

2

A17232

LATCH ASSY.

LATCH - hood

4шт.

3

49-46

RIVET - box head, 1/4" dia. x 3/8"

8шт.

4

A55984

BRACKET ASSEMBLY - hood holddown, R.H. rear, Includes: Ref. 5 and 6

1шт.

5

A17237

HOOK

CATCH - holddown

1шт.

6

49-310

RIVET - truss head, 3/16" dia. x 5/8"

2шт.

7

A55985

BRACKET ASSEMBLY - hood holddown, L.H. rear, Includes: Ref. 8 and 9

1шт.

8

A17237

HOOK

CATCH - holddown

1шт.

9

49-310

RIVET - truss head, 3/16" dia. x 5/8"

2шт.

10

A19648

BRACKET ASSEMBLY - hood holddown, R.H. front, Includes: Ref. 12 and 13

1шт.

11

A19649

BRACKET ASSEMBLY - hood holddown, L.H. front, Includes: Ref. 12 and 13

1шт.

12

A17237

HOOK

CATCH - holddown

1шт.

13

49-310

RIVET - truss head, 3/16" dia. x 5/8"

2шт.

14

13-620

BOLT,Hex, 3/8" - 16 x 1-1/4", Gr 5, Full Thd

8шт.

15

92-6

LOCK WASHER,3/8"

8шт.

16

25-106

NUT,3/8"-16, G5

- hex. (3/8" - 16 NC)

8шт.

17

A18829

PLATE - mounting, fuel tank

1шт.

18

13-616

BOLT,Hex, 3/8" - 16 x 1", Gr 5, Full Thd

4шт.

19

92-6

LOCK WASHER,3/8"

4шт.

20

25-106

NUT,3/8"-16, G5

- hex. (3/8" - 16 NC)

4шт.

21

A18614

HOOD - fuel tank (Front)

1шт.

22

L11785

SHIM

PAD -, Serial Range: hood-chassis

2шт.

23

A18822

GASKET

MOULDING - hood edge

1шт.

24

113-208

BOLT,Hex, 3/8" - 16 x 1-1/4", Gr 5

6шт.

25

192-21

LOCK WASHER,3/8"

WASHER, LOCK, 3/8"

6шт.

26

195-525

WASHER,3/8", SAE

- plain (3/8") Zinc plated

6шт.

27

A18617

ANGLE - hood holddown, at chassis and fuel tank plate

2шт.

28

13-510

BOLT,Hex, 5/16" - 18 x 5/8", Gr 5, Full Thd

4шт.

29

92-5

LOCK WASHER,5/16"

4шт.

30

9635082

NUT,5/16" - 18, Gr 5

- hex. (5/16" - 18 NC)

4шт.

31

113-102

BOLT,Hex, 5/16" - 18 x 3/4", Gr 5

Hex, 5/16"-18 x 3/4", G5, Full Thd

6шт.

32

195-521

WASHER,5/16", SAE

- plain (5/16") Zinc plated

6шт.

33

131-124

NUT

- Tinnerman (5/16" - 18 NC)

6шт.

34

L10046

PLATE - cover, hood opening (Used with oil bath air cleaner)

1шт.

35

173-118

SCREW,Sl Rnd Hd, #12 - 24 x 5/8"

- machine, round head (#12 - 24 NC x 5/8")

4шт.

36

92-4

LOCK WASHER,1/4"

WASHER, LOCK, 1/4"

4шт.

37

225-14112

NUT,#12-24

- hex. (#12 - 24 NC)

4шт.

38

A18619

SIDE PANEL - engine, L.H. (Used with dry and oil bath air cleaners)

1шт.

39

A18618

SIDE PANEL - engine, R.H. (Used with dry type air cleaner only)

1шт.

40

A19986

SIDE PANEL - engine, R.H. (Used with oil bath air cleaner only)

1шт.

41

A19989

MOULDING - side panel (Used with A19986 panel only)

1шт.

42

A12514

LATCH

- engine panel

4шт.

43

173-118

SCREW,Sl Rnd Hd, #12 - 24 x 5/8"

- machine, round head (#12 - 24 NC x 5/8")

8шт.

44

492-11012

LOCK WASHER,#12

WASHER, LOCK, #12

8шт.

45

225-14112

NUT,#12-24

- hex. (#12 - 24 NC)

8шт.

46

A14382

BRACKET - holddown, panel

4шт.

Выбрано товаров: 46