Запчасти Case W9C (196) - LOADER LIFT FRAME AND RELATED PARTS (09) - CHASSIS

Схема запчастей Case W9C - (196) - LOADER LIFT FRAME AND RELATED PARTS (09) - CHASSIS
FIT
1:1
100%

Артикул

Название

Примечание

Количество

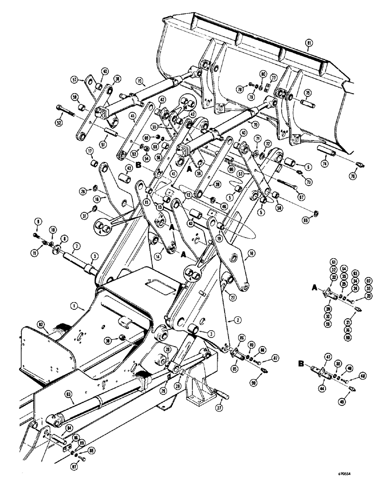
1

REF

INSTRUCTION

CHASSIS - tractor

1шт.

2

L19227

FRAME

LIFT - loader, Incl. Ref. 3 - 6

1шт.

3

A16761

BUSHING

Pivot, lift, Serial Range: frame-chassis

2шт.

4

L17114

BUSHING

SPARE PART Pivot, tilt lever to lift frame

4шт.

5

A12059

BUSHING

Pivot, cylinder link to lift frame

4шт.

6

A56184

BUSHING

Pivot, loader bucket to lift frame

2шт.

7

A15964

SHAFT

Pivot, lift, Serial Range: frame-chassis

1шт.

8

A15965

PLATE

Shaft retainer

2шт.

9

14-820

BOLT,Hex, 1/2" - 20 x 1-1/4", Gr 5

6шт.

10

92-8

LOCK WASHER,1/2"

6шт.

11

219-3

LUBE NIPPLE,1/8" - 27 NPTF

2шт.

12

L19231

SPARE PART LEVER - tilt, inner (RH), Incl. Ref. 13

1шт.

13

A12062

BUSHING

Lever

3шт.

14

L19232

SPARE PART LEVER - tilt, inner (LH), Incl. Ref. 15

1шт.

15

A12062

BUSHING

Lever

3шт.

16

L19229

LEVER - tilt, outer (LH), Incl. Ref. 17

1шт.

17

A12062

BUSHING

Lever

3шт.

18

L19228

SPARE PART LEVER - tilt, outer (RH), Incl. Ref. 19

1шт.

19

A12062

BUSHING

Lever

3шт.

20

L17106

AXLE PIN

Tilt lever to lift frame

2шт.

21

219-1

LUBE NIPPLE,1/8" - 27 NPTF

2шт.

22

L17204

LOCK

Pin retainer

2шт.

23

13-616

BOLT,Hex, 3/8" - 16 x 1", Gr 5, Full Thd

4шт.

24

92-6

LOCK WASHER,3/8"

4шт.

25

95-6

WASHER,3/8"

4шт.

26

D26919

SNAP RING,#200, Ext

2шт.

27

L19230

SPARE PART LINK - leveling, chassis to tilt lever, Incl. Ref. 28

2шт.

28

A12062

BUSHING

Leveling link

4шт.

29

219-1

LUBE NIPPLE,1/8" - 27 NPTF

2шт.

30

L17106

AXLE PIN

Leveling link to tilt lever

2шт.

31

D26919

SNAP RING,#200, Ext

2шт.

32

L17204

LOCK

Pin retainer

2шт.

33

13-616

BOLT,Hex, 3/8" - 16 x 1", Gr 5, Full Thd

4шт.

34

92-6

LOCK WASHER,3/8"

4шт.

35

95-6

WASHER,3/8"

4шт.

36

219-1

LUBE NIPPLE,1/8" - 27 NPTF

2шт.

37

A12523

PIN

Leveling, Serial Range: link-chassis

2шт.

38

131-216

LOCK

NUT - hex., lock (1-1/2" -10 NF)

2шт.

39

L19233

LINK - outer leveling, at tilt lever, Incl. Ref. 40

2шт.

40

A12062

BUSHING

Link

1шт.

41

L19234

LINK - inner leveling, at tilt lever, Incl. Ref. 42

2шт.

42

A12062

BUSHING

Link

1шт.

43

L17322

SPACER

Tilt lever

2шт.

44

L17107

AXLE PIN

Tilt lever to leveling link

2шт.

45

219-1

LUBE NIPPLE,1/8" - 27 NPTF

2шт.

46

D26919

SNAP RING,#200, Ext

2шт.

47

L17204

LOCK

Pin retainer

2шт.

48

13-616

BOLT,Hex, 3/8" - 16 x 1", Gr 5, Full Thd

4шт.

49

92-6

LOCK WASHER,3/8"

4шт.

50

95-6

WASHER,3/8"

4шт.

51

L17113

SPARE PART Leveling link

2шт.

52

13-12136

BOLT,Hex, 3/4" - 10 x 8-1/2", Gr 5

2шт.

53

92-12

LOCK WASHER,3/4"

2шт.

54

25-1012

NUT,3/4"-10, G5

2шт.

55

L19236

LINK - cylinder pivot, inner, Incl. Ref. 56

2шт.

56

A12062

BUSHING

Pivot link

2шт.

57

L19235

LINK - cylinder pivot, outer, Incl. Ref. 58

2шт.

58

A12062

BUSHING

Cylinder link

2шт.

59

L17106

AXLE PIN

Cylinder pivot link to lift frame

2шт.

60

219-1

LUBE NIPPLE,1/8" - 27 NPTF

2шт.

61

L17204

LOCK

Pin retainer

2шт.

62

13-616

BOLT,Hex, 3/8" - 16 x 1", Gr 5, Full Thd

4шт.

63

92-6

LOCK WASHER,3/8"

4шт.

64

95-6

WASHER,3/8"

4шт.

65

D26919

SNAP RING,#200, Ext

2шт.

66

L17437

SPACER

Cylinder link

2шт.

67

13-10136

CAPSCREW,Hex, 5/8" - 11 x 8 1/2", Gr 5

SPARE PART

2шт.

68

92-10

LOCK WASHER,5/8"

2шт.

69

25-1010

NUT,5/8"-11, G5

2шт.

70

L17436

CYLINDER

Hydraulic, loader tilt (3-1/2" I.D. x 27-11/16" stroke) Parts list Figure 242

2шт.

71

D25509

WASHER

Plain, special

4шт.

72

D26919

SNAP RING,#200, Ext

4шт.

73

219-1

LUBE NIPPLE,1/8" - 27 NPTF

4шт.

74

A18597

PIN

Lower pivot, lift, Serial Range: frame-bucket

2шт.

75

A14105

PIN

Upper pivot, tilt, Serial Range: cylinder-bucket

2шт.

76

219-1

LUBE NIPPLE,1/8" - 27 NPTF

2шт.

77

L17207

LOCK ASSY

Pin retainer

4шт.

78

13-820

BOLT,Hex, 1/2" - 13 x 1-1/4", Gr 5, Full Thd

8шт.

79

92-8

LOCK WASHER,1/2"

8шт.

80

95-8

WASHER,1/2"

8шт.

81

REF

INSTRUCTION

BUCKET - loader (See page 200 for optional types)

1шт.

82

A17883

CYLINDER BLOCK

Hydraulic, RH loader lift (5" I.D. x 36" stroke) Parts list Figure 240

1шт.

84

A18909

AXLE PIN

Pivot, lift, Serial Range: cylinder-chassis

2шт.

85

A18908

PIN

Pivot, lift cylinder to lift frame

2шт.

86

L17204

LOCK

Pin retainer

4шт.

87

13-616

BOLT,Hex, 3/8" - 16 x 1", Gr 5, Full Thd

8шт.

88

92-6

LOCK WASHER,3/8"

8шт.

89

95-6

WASHER,3/8"

8шт.

90

219-1

LUBE NIPPLE,1/8" - 27 NPTF

2шт.

Выбрано товаров: 89