Запчасти Case W9E (007A) - WATER PUMP & ATTACHING PARTS, (377B) SPARK IGNITION ENGINE (02) - ENGINE

Схема запчастей Case W9E - (007A) - WATER PUMP & ATTACHING PARTS, (377B) SPARK IGNITION ENGINE (02) - ENGINE
FIT
1:1
100%

Артикул

Название

Примечание

Количество

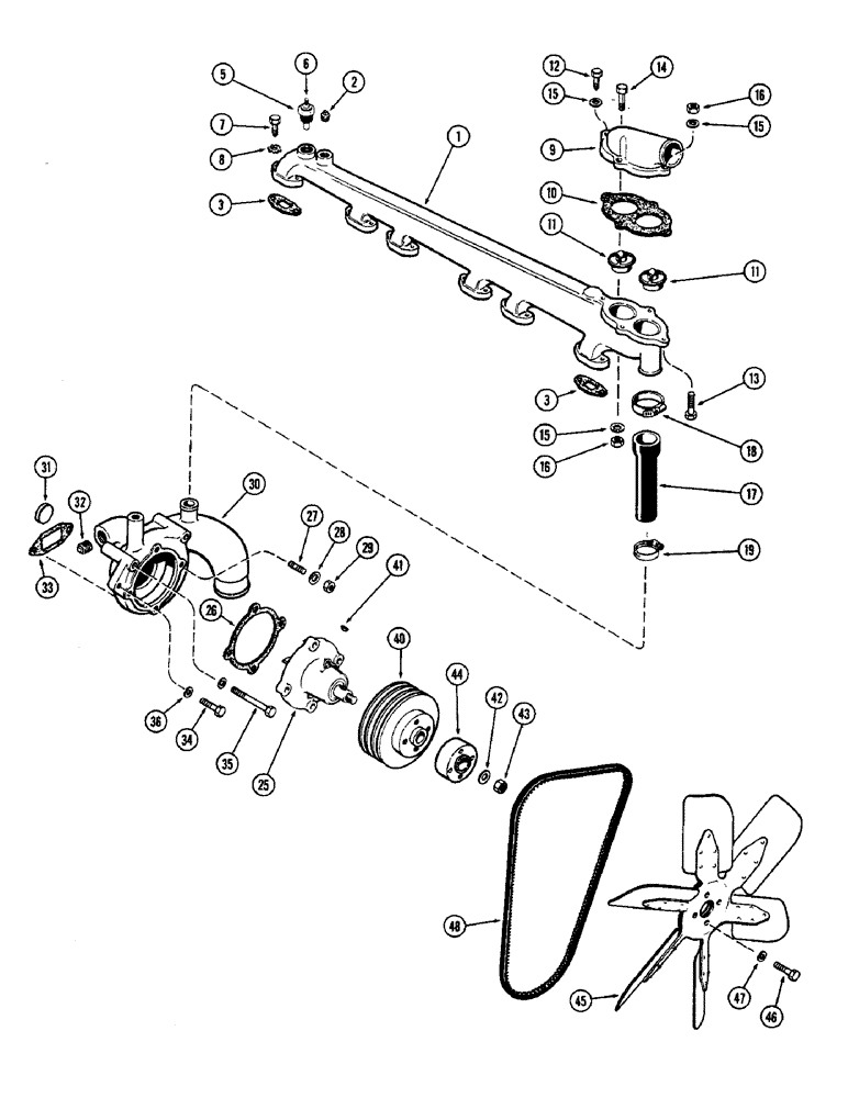
1

A60072

MANIFOLD ASSY - water, Includes: Ref. 2

1шт.

2

221-13

PLUG,Sq Hd, 3/8"-18

- 3/8" P.T. sq. hd.

1шт.

3

A27905

GASKET

- water manifold

6шт.

5

F13156

SENDER UNIT

UNIT - temperature sending

1шт.

6

193-1000

NUT,Keps, w/LW,#10-32

- #10 N.F. Keps

1шт.

7

13-518

BOLT,Hex, 5/16" - 18 x 1-1/8", Gr 5

12шт.

8

193-9

LOCK WASHER,Ext Tooth, 5/16"

WASHER, LOCK, Ext Tooth, 5/16"

12шт.

9

A32611

HOUSING - thermostat

1шт.

10

A32612

GASKET

- thermostat housing

1шт.

11

A57641

THERMOSTAT

2шт.

12

13-618

BOLT,Hex, 3/8" - 16 x 1-1/8", Gr 5

1шт.

13

13-620

BOLT,Hex, 3/8" - 16 x 1-1/4", Gr 5, Full Thd

1шт.

14

13-624

BOLT,Hex, 3/8" - 16 x 1-1/2", Gr 5

- 3/8 x 1-1/2" N.C. hex.

2шт.

15

193-20

WASHER,Ext-Int Tooth, 7/16"

- lock, 3/8" int. Shakeproof

4шт.

16

25-106

NUT,3/8"-16, G5

- 3/8" N.C. hex.

3шт.

17

A58829

HOSE

- water by-pass

1шт.

18

214-258

HOSE CLAMP,#28, 1.31" - 2.25", Type F Worm

CLAMP - top (1-5/16 to 2-3/4")

1шт.

19

214-256

HOSE CLAMP,#20, 0.81" - 1.75", Type F Worm

CLAMP - lower (1-3/16 to 1-3/4")

1шт.

25

A61266

PUMP

ASSY - water

1шт.

26

A58646

GASKET

-, Serial Range: pump-body

1шт.

27

A62234

STUD

- pump (3/8" N.C. x 1-5/16")

4шт.

28

193-30

LOCK WASHER,Int Tooth, 3/8"

WASHER, LOCK, Int Tooth, 3/8"

4шт.

29

25-146

JAM NUT,Jam, 3/8"-16, G5

- jam, 3/8" N.C. hex.

4шт.

30

A60630

HOUSING

BODY ASSY - water pump, Includes: Ref. 31

1шт.

31

A58568

PLUG,Cup, 1 3/8", Stainless

- 1-3/8" cup type

1шт.

32

221-5

DRAIN PLUG,Sq Hd, 1/4"-14 NPTF

PLUG - 3/4" P.T. sq. hd.

2шт.

33

A58649

GASKET

-, Serial Range: body-block

1шт.

34

13-618

BOLT,Hex, 3/8" - 16 x 1-1/8", Gr 5

2шт.

35

13-660

BOLT,Hex, 3/8" - 16 x 3-3/4", Gr 5

- 3/8 x 3-3/4" N.C. hex.

2шт.

36

92-6

LOCK WASHER,3/8"

4шт.

40

A60690

PULLEY

- drive, water pump & fan

1шт.

41

126-116

WOODRUFF KEY,#9, 3/16" x 3/4", HT

Pulley #9, 3/16" x 3/4", HT

1шт.

42

A58651

WASHER

- pulley retaining (17/32 x 1-1/16 x 15/16")

1шт.

43

131-1106

LOCK NUT,1/2"-20, GB

NUT, LOCK, 1/2"-20, GB

1шт.

44

L41879

SPACER -, Serial Range: fan-pulley

1шт.

45

A15519

FAN

- radiator (Suction type)

1шт.

45

A15504

FAN

- radiator (Pusher type)

1шт.

46

13-636

BOLT,Hex, 3/8" - 16 x 2-1/4", Gr 5

4шт.

47

92-6

LOCK WASHER,3/8"

4шт.

48

L19082

BELT

Pump drive (Set of 2)

1шт.

Выбрано товаров: 40