Запчасти Case W9E (038) - CYLINDER BLOCK ASSY., (377B) SPARK IGNITION ENGINE, CYLINDER (02) - ENGINE

Схема запчастей Case W9E - (038) - CYLINDER BLOCK ASSY., (377B) SPARK IGNITION ENGINE, CYLINDER (02) - ENGINE
FIT
1:1
100%

Артикул

Название

Примечание

Количество

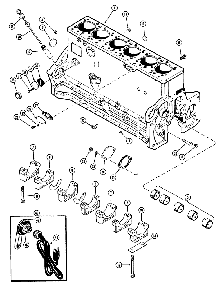
A41844

BLOCK ASSY - short (Incl. stripped block, pistons, sleeves, conn. rods, crankshaft, bearings, rear oil seal, camshaft, lifter and oil pump), Includes: Ref. 1 - 17

1шт.

1

A41963

SKELETON ENGINE

BLOCK ASSY - stripped (Case #A58510)

1шт.

2

A24361

PLUG

- camshaft hole (2-3/8" cup type)

1шт.

3

221-41

PLUG

- 1/8" P.T. slotted

6шт.

4

221-1843

PLUG

- 3/8" P.T. hex. socket hd.

3шт.

5

A23544

BUSHING

KIT - camshaft

1шт.

6

A34540

TUBE

SOCKET - oil filler

1шт.

7

A58783

BEARING CAP

CAP - wide main bearing

2шт.

8

A58784

BEARING CAP

CAP - narrow main bearing

3шт.

9

A58785

BEARING CAP

CAP - thrust bearing

1шт.

10

A58782

CAP

- front main bearing

1шт.

11

A58566

STEP BOLT

BOLT - bearing cap (5/8 x 4-1/2" N.C. spec.)

12шт.

12

A58567

STEP BOLT

BOLT - oil pump & bearing cap (5/8 x 6-13/16" N.C. spec.)

2шт.

14

A58859

SHIM,.005" Thk

Oil pump to cap .005" Thk

1шт.

15

A58568

PLUG,Cup, 1 3/8", Stainless

- water gallery (1-3/8" cup type)

3шт.

16

A58569

PLUG,Cup, 2", Stainless

- heater opening (2" cup type)

1шт.

17

221-1845

DRAIN PLUG,Hex Soc, 3/4"-14, NPTF

PLUG - 3/4" P.T. hex. socket hd.

1шт.

19

A23656

COCK, DRAIN

VALVE - drain, water

1шт.

20

A34541

DIPSTICK

- oil level, Includes: Ref. 21

1шт.

REF. 20 ANOTHER GAUGE USED(NOT A SUB) PART A20739.

1шт.

21

F62075

O-RING,0.139" Thk x 0.734" ID, -210, Cl 5, 75 Duro

"O" RING - 3/4 x 1 x 1/8"

2шт.

22

222-40

ELBOW,90 Degree, 3/8"-24 Fem x 1/8"-27 NPTF

- 1/8 x 1/8 x 90 degrees

1шт.

26

A58851

PLATE

COVER - water opening, oil cooler

1шт.

27

A58670

GASKET

- cover, water opening

1шт.

28

13-814

BOLT,Hex, 1/2" - 13 x 7/8", Gr 5, Full Thd

Hex 1/2"-13 x 7/8", G5, Full Thd

2шт.

29

92-8

LOCK WASHER,1/2"

2шт.

30

A58732

COVER

- pump mounting

1шт.

31

A58617

GASKET

- cover, pump mounting

1шт.

32

13-656

BOLT,Hex, 3/8" - 16 x 3-1/2", Gr 5

- 3/8 x 3-1/2" N.C. hex.

2шт.

33

92-6

LOCK WASHER,3/8"

2шт.

34

25-106

NUT,3/8"-16, G5

- 3/8" N.C. hex.

2шт.

35

G11702

COVER

- fuel pump opening

1шт.

36

G46902

GASKET

- cover

1шт.

37

13-512

BOLT,Hex, 5/16" - 18 x 3/4", Gr 5

2шт.

38

92-5

LOCK WASHER,5/16"

2шт.

45

A42279

HEATER

KIT - cylinder block, Includes: Ref. 46 - 48

1шт.

46

NSS

NOT SOLD SEPARAT

ELEMENT - heater (Order A42279), cylinder block heater

1шт.

47

A7156

O-RING,0.139" Thk x 1.734" ID, -224, Cl 6, 90 Duro

"O" RING - element to block (1-3/4 x 2 x 1/8"), cylinder block heater

1шт.

48

A42297

LAMP

CORD - heater, 60" long (Includes plugs), cylinder block heater

1шт.

Выбрано товаров: 39