Запчасти Case W9E (044) - OIL PUMP, (377B) SPARK IGNITION ENGINE (02) - ENGINE

Схема запчастей Case W9E - (044) - OIL PUMP, (377B) SPARK IGNITION ENGINE (02) - ENGINE
FIT
1:1
100%

Артикул

Название

Примечание

Количество

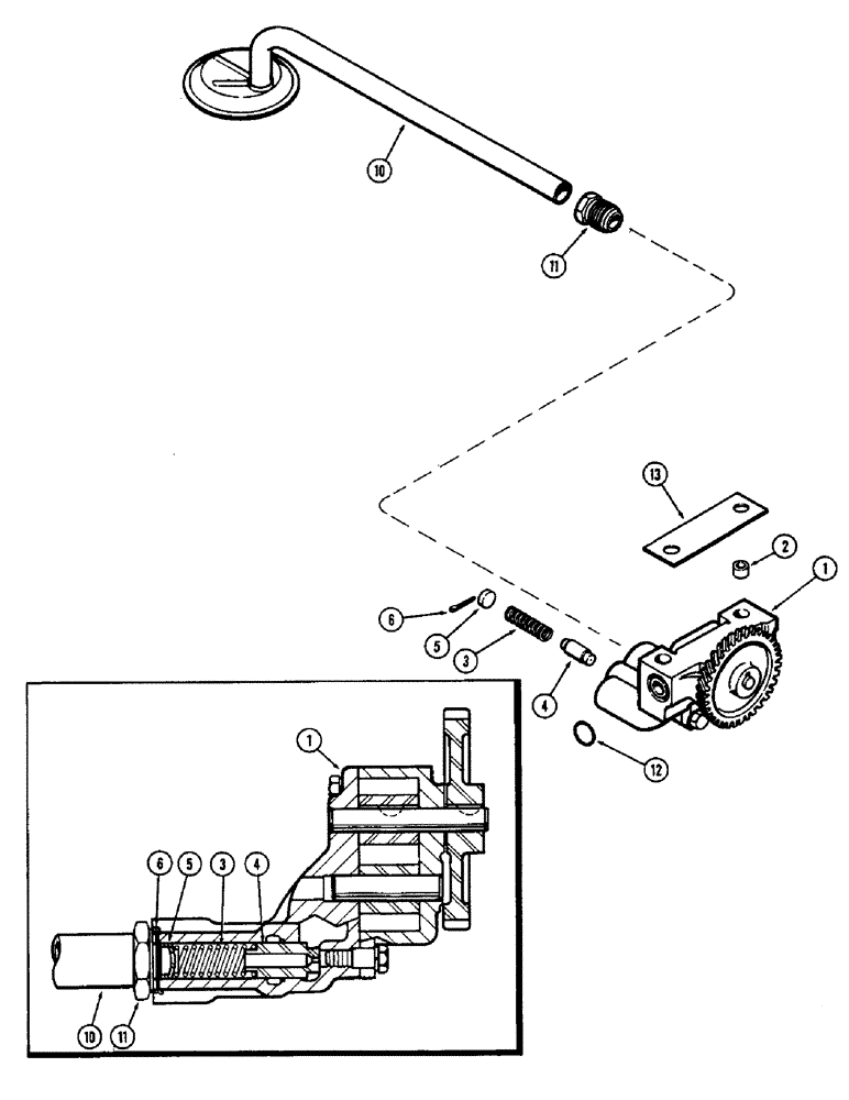
1

A61809

PUMP

ASSY - oil, Includes: Ref. 2 - 6

1шт.

2

A58915

SLEEVE

- pump body

1шт.

3

A59111

SPRING

- relief valve

1шт.

4

A34992

PISTON

VALVE - relief

1шт.

5

41-1011

PLUG,Cup, 11/16"

- relief valve (11/16" cup type)

1шт.

6

132-32

COTTER PIN,3/32" x 1 1/2"

Pin, Split (Cotter), 3/32" x 1 1/2"

1шт.

10

A62033

SCREEN

TUBE ASSY - oil suction (Includes screen)

1шт.

11

222-510

TUBE NUT,1 1/4"-18

NUT - tube, 1" inverted flare type

1шт.

12

A58602

O-RING,0.103" Thk x 0.924" ID, -119, Cl 5, 75 Duro

"O" RING - pump to block (15/16 x 1-1/8 x 3/32")

1шт.

13

A58859

SHIM,.005" Thk

Oil pump mounting .005" Thk

1шт.

Выбрано товаров: 10