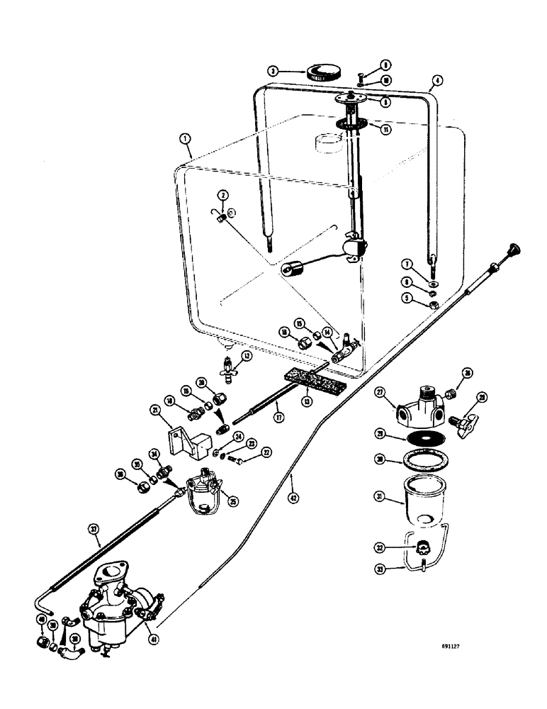
Запчасти Case W9E (154) - FUEL TANK, GAS ENGINE (03) - FUEL SYSTEM

Схема запчастей Case W9E - (154) - FUEL TANK, GAS ENGINE (03) - FUEL SYSTEM
FIT
1:1
100%

Артикул

Название

Примечание

Количество

1

A18867

FUEL TANK

1шт.

2

221-1012

DRAIN PLUG,Sq Hd, 1/4"-18 NPTF

Pipe

1шт.

3

A18870

FILLER CAP

Fuel tank

1шт.

4

A18872

SPARE PART Mounting, tank

2шт.

5

25-116

NUT,Hex, 3/8"-24, G5

4шт.

6

92-6

LOCK WASHER,3/8"

4шт.

7

195-25

WASHER,3/8"

4шт.

8

A18869

SENDER UNIT

SENDER Fuel gauge

1шт.

9

173-221

SCREW,Sl Rnd Hd, #10 - 32 x 7/16"

Machine

5шт.

10

192-18

LOCK WASHER,Helical Spring, #10, 0.196" ID, CST, ZND

5шт.

11

A61161

GASKET

SPARE PART Sending unit

1шт.

12

217-102

PLUG, DRAIN

VALVE, fuel tank

1шт.

13

A7390

SPARE PART Tank mounting

4шт.

A27955

VALVE

ASSEMBLY - fuel shutoff, Includes: Ref. 14 - 16

1шт.

14

NSS

NOT SOLD SEPARAT

VALVE - needle, fuel tank

1шт.

15

222-104

SLEEVE,3/8" Tube

Flex tube fitting

1шт.

16

222-114

NUT,5/8"-24

Flex tube fitting

1шт.

17

A18878

SPARE PART, Serial Range: Tank-strainer

1шт.

222-28

HYD CONNECTOR,5/8"-24 x 3/8" NPTF W/Nut

ASSEMBLY - flex tube, Includes: Ref. 18 - 20

1шт.

18

NSS

NOT SOLD SEPARAT

CONNECTOR - flex tube

1шт.

19

222-104

SLEEVE,3/8" Tube

Flex tube fitting

1шт.

20

222-114

NUT,5/8"-24

Flex tube fitting

1шт.

21

A18874

BRACKET - fuel strainer mounting

1шт.

22

13-616

BOLT,Hex, 3/8" - 16 x 1", Gr 5, Full Thd

1шт.

23

92-6

LOCK WASHER,3/8"

1шт.

24

195-25

WASHER,3/8"

1шт.

25

A26615

STRAINER ELEMENT

Fuel, Includes: Ref. 26 - 33

1шт.

26

221-1849

PLUG

Pipe, 1/8" hex, socket hd.

1шт.

27

A11215

BODY

Strainer

1шт.

28

A11205

VALVE

Fuel shutoff

1шт.

29

A11202

SCREEN

Strainer

1шт.

30

A11203

GASKET

Fuel bowl

1шт.

31

A11204

BOWL

Fuel

1шт.

32

A11210

ADJUSTER

NUT - bowl retainer

1шт.

33

A11206

BAIL

ASSEMBLY - bowl retainer

1шт.

222-24

FITTING,9/16"-24 x 1/8" NPTF

CONNECTOR ASSEMBLY - flex tube, Includes: Ref. 34 - 36

1шт.

34

NSS

NOT SOLD SEPARAT

CONNECTOR - flex tube

1шт.

35

222-103

SLEEVE,5/16" Tube

Flex tube fitting

1шт.

36

222-113

TUBE NUT,9/16"-24

Flex tube fitting

1шт.

37

A18879

SPARE PART, Serial Range: Strainer-carburetor

1шт.

222-44

ELBOW,90 Degree, 9/16"-24 Fem x 1/8"-27 NPTF

ASSEMBLY - flex tube, Includes: Ref. 38 - 40

1шт.

38

NSS

NOT SOLD SEPARAT

ELBOW - flex tube, 90 degrees

1шт.

39

222-103

SLEEVE,5/16" Tube

Flex tube fitting

1шт.

40

222-113

TUBE NUT,9/16"-24

Flex tube fitting

1шт.

41

REF

INSTRUCTION

CARBURETOR - gas engine (See figures 54 or 56 for proper carburetor)

1шт.

42

A38458

CONTROL

CABLE ASSEMBLY - carburetor choke

1шт.

Выбрано товаров: 46