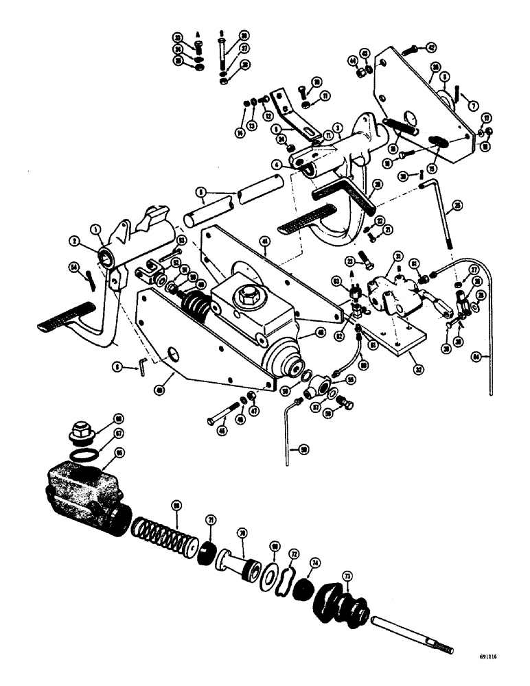
Запчасти Case W9E (116) - HYDROVAC BRAKE SYSTEM, BRAKE PEDALS AND CLUTCH CONTROL (07) - BRAKES

Схема запчастей Case W9E - (116) - HYDROVAC BRAKE SYSTEM, BRAKE PEDALS AND CLUTCH CONTROL (07) - BRAKES
FIT
1:1
100%

Артикул

Название

Примечание

Количество

1

A18886

PEDAL - brake, R.H., Includes: Ref. 2

1шт.

2

A30845

BUSHING

- pedal

2шт.

3

A17383

PEDAL - brake, L.H., Includes: Ref. 4

1шт.

4

A30845

BUSHING

- pedal

2шт.

5

A17384

SHAFT - mounting, brake pedal

1шт.

6

A27275

LOCK PIN - pedal shaft

1шт.

7

132-93

COTTER PIN,3/16" x 1 1/4"

Pin, Split (Cotter), 3/16" x 1 1/4"

1шт.

8

195-553

WASHER,1", SAE

- plain, 1"

1шт.

9

A18906

BRACKET - stop, brake pedal

1шт.

10

13-636

BOLT,Hex, 3/8" - 16 x 2-1/4", Gr 5

1шт.

11

25-146

JAM NUT,Jam, 3/8"-16, G5

- 3/8" N.C. hex. jam

2шт.

12

13-620

BOLT,Hex, 3/8" - 16 x 1-1/4", Gr 5, Full Thd

2шт.

13

92-6

LOCK WASHER,3/8"

2шт.

14

25-106

NUT,3/8"-16, G5

- 3/8" N.C. hex.

2шт.

15

A26953

CLIP

BRACKET - spring, pedal return

2шт.

16

13-612

BOLT,Hex, 3/8" - 16 x 3/4", Gr 5, Full Thd

2шт.

17

92-6

LOCK WASHER,3/8"

2шт.

18

25-106

NUT,3/8"-16, G5

- 3/8" N.C. hex.

2шт.

19

A10436

VALVE SPRING

SPRING - pedal return

2шт.

20

A18893

ARM - brake, Serial Range: pedal-valve

1шт.

21

13-616

BOLT,Hex, 3/8" - 16 x 1", Gr 5, Full Thd

1шт.

22

92-6

LOCK WASHER,3/8"

1шт.

23

113-438

BOLT,Hex, 1/2" - 13 x 2-1/4", SST

1шт.

24

25-148

JAM NUT,Jam, 1/2"-13, G5

1шт.

25

A18899

ROD

- connecting, Serial Range: arm-valve

1шт.

26

213-3

ADJUSTABLE CLEVIS,5/16"-24

YOKE - rod end

1шт.

27

25-115

NUT,5/16"-24, G5

- 5/16" NF hex

1шт.

28

141-3

CLEVIS PIN,5/16" x .940"

PIN, CLEVIS, , Yoke 5/16" x .940"

1шт.

29

95-5

WASHER,3/8" x 7/8" x .083"

- 5/16" plain

1шт.

30

132-5

COTTER PIN,1/16" x 1/2"

Pin, Split (Cotter), 1/16" x 1/2"

2шт.

31

A18891

LOCK VALVE

VALVE - clutch control (Parts list figure 138 (1) )

1шт.

32

A18892

BRACKET - mounting, clutch control

1шт.

33

13-624

BOLT,Hex, 3/8" - 16 x 1-1/2", Gr 5

- 3/8" x 1-1/2" N.C. hex.

2шт.

34

92-6

LOCK WASHER,3/8"

2шт.

35

25-106

NUT,3/8"-16, G5

- 3/8" N.C. hex.

2шт.

36

169-107

SCREW,Sl Fil Hd, #10 - 24 x 2"

- machine, #10 x 2" N.C. slotted head

3шт.

37

92-3

LOCK WASHER,#10

WASHER, LOCK, #10

3шт.

38

129-7

NUT,Hex, #10 - 24

- #10 N.C. hex.

3шт.

39

A18885

PLATE - brake pedal mounting, L.H.

1шт.

40

A18888

PLATE - mounting, brake pedal and cylinder, R.H.

1шт.

41

A18889

PLATE - mounting, cylinder, inner

1шт.

42

13-820

BOLT,Hex, 1/2" - 13 x 1-1/4", Gr 5, Full Thd

6шт.

43

92-8

LOCK WASHER,1/2"

6шт.

44

25-108

NUT,1/2"-13, G5

- 1/2" N.C. hex.

6шт.

45

13-656

BOLT,Hex, 3/8" - 16 x 3-1/2", Gr 5

- 3/8" x 3-1/2" N.C. hex.

2шт.

46

92-6

LOCK WASHER,3/8"

2шт.

47

25-106

NUT,3/8"-16, G5

- 3/8" N.C. hex.

2шт.

48

A19970

CYLINDER

- master, brake

1шт.

49

A18526

ROD

PUSH ROD - master cylinder

1шт.

50

25-157

JAM NUT,Jam, 7/16"-20, G5

- 7/16" N.F. hex, jam

1шт.

51

95-7

WASHER,7/16"

- plain 7/16"

1шт.

52

A12442

YOKE - push, Serial Range: rod-pedal

1шт.

53

A27094

PIN

- yoke, brake pedal

1шт.

54

132-48

COTTER PIN,1/8" x 1"

Pin, Split (Cotter), 1/8" x 1"

1шт.

55

A18890

CONNECTOR, ELEC

CONNECTOR - master cylinder to brake lines

1шт.

56

A12864

BOLT

- special, Serial Range: connector-cylinder

1шт.

57

NLS

NO LONGER SERVICED

- connector to bolt, outer

1шт.

58

51200242

SEAL,15.24mm ID x 20.64mm OD x 0.81mm Thk

- connector to master cylinder, inner

1шт.

59

A18980

PIPE

TUBE - master cylinder to Hydrovac cylinder

1шт.

60

A18988

TUBE

- master cylinder to clutch control valve

1шт.

61

222-1012

HYD CONNECTOR,7/16"-24 Inv Fl x 1/8" NPT

CONNECTOR - clutch control tube to tee and transmission tube to valve

2шт.

62

217-55

TEE,1/8"-27 NPTF Fem Run x 1/8"-27 NPTF Male Br

- clutch control tube and switch to control valve

1шт.

63

A12491

SWITCH

ASSY - brake, stop light

1шт.

64

A18977

TUBE - clutch control valve to transmission control valve

1шт.

A19970

CYLINDER

- brake, master, Includes: Ref. 65 - 74

1шт.

65

NSS

NOT SOLD SEPARAT

BODY - master cylinder

1шт.

66

A19918

CAP

- filler, master cylinder

1шт.

67

A19755

GASKET

- filler cap, master cylinder

1шт.

68

A19803

SEAL

SPRING - piston return, master cylinder

1шт.

69

A19759

PLATE

- stop, master cylinder

1шт.

A19919

KIT

- cylinder repair, master cylinder, Includes: Ref. 70 - 73

1шт.

70

NSS

NOT SOLD SEPARAT

PISTON ASSEMBLY - cylinder, master

1шт.

71

A19807

CUPEL

CUP - piston, master cylinder

1шт.

72

A19760

RING

LOCK WIRE - stop plate, master cylinder

1шт.

73

A19916

BOOT

- protective, master cylinder

1шт.

74

G10943

DUST CAP

CAP - rubber, push rod, master cylinder

1шт.

Выбрано товаров: 76