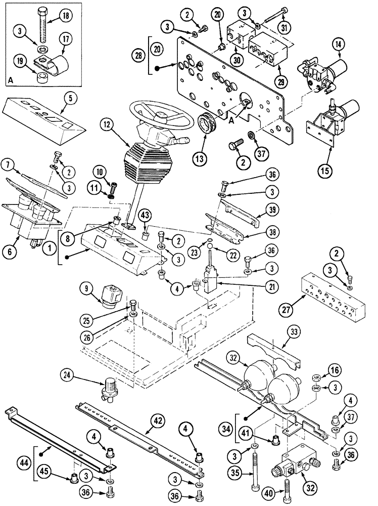
Запчасти Case 788 (09D-10) - OPERATORS COMPARTMENT 788P (05.1) - UPPERSTRUCTURE CHASSIS/ATTACHMENTS

Схема запчастей Case 788 - (09D-10) - OPERATORS COMPARTMENT 788P (05.1) - UPPERSTRUCTURE CHASSIS/ATTACHMENTS
FIT
1:1
100%

Артикул

Название

Примечание

Количество

1

C8728226

SUPPORT

1шт.

2

120104

BOLT,Hex, M8 x 1.25 x 20mm, Cl 8.8

21шт.

3

V35002

WASHER

M8 N

33шт.

4

F35448

RIVET,8mm OD x 18mm L

M8 x 21

12шт.

5

N5141478

MAT

1шт.

6

REF

INSTRUCTION

Module, See Standard Catalog

1шт.

7

Z4841476

PROTECTOR

2шт.

8

H35427

RIVET

M8 x 18

4шт.

9

W4143631

BLOCK ASSY.

See Standard Catalog

1шт.

10

14420221

HEX SOC SCREW,M10 x 30mm, Cl 8.8

4шт.

11

T1545410

WASHER

11 x 2 x 18

4шт.

12

REF

INSTRUCTION

Column, Steering, See Page(s) 9D-19

1шт.

13

K41478

GROMMET

dia 51

1шт.

14

REF

INSTRUCTION

Brake Circuit, See Page(s) 8D-19

1шт.

15

REF

INSTRUCTION

Circuit, Hydraulic, See Standard Catalog

1шт.

16

A134596

SAFETY NUT

M8

2шт.

17

Q1836932

CLAMP

1шт.

18

43130

BOLT,Hex, M8 x 1.25 x 50mm, Cl 8.8

1шт.

19

Q4328729

WASHER

8,25 x 16 x 20

1шт.

20

F35448

RIVET,8mm OD x 18mm L

M8 x 21

5шт.

21

E5443345

BLOCK ASSY.

See Standard Catalog

1шт.

22

C152055

BALL KNOB

1шт.

23

L351542

IDEOGRAM

1шт.

24

T4743537

PUMP, HYDRAULIC

See Page(s) 8D-3

1шт.

25

120100

BOLT,M6 x 20mm, Cl 8.8

4шт.

26

U35001

WASHER

M6 N

4шт.

27

E6137715

BASIC BLOCK

See Page(s) 8D-3

1шт.

28

C3722828

LARGE PLATE

PLATE, LARGE

1шт.

29

X5043346

BLOCK

See Page(s) 8D-3

1шт.

30

Q5143343

BLOCK ASSY.

See Page(s) 8D-7

1шт.

31

H932933

SCREW

M8 x 80

4шт.

32

REF

INSTRUCTION

Brake Circuit, See Page(s) 8D-7

1шт.

33

D8328280

SUPPORT

1шт.

34

G8728230

SUPPORT

1шт.

35

F1532932

SCREW,Hex Skt Hd, M8 x 60mm

M8 x 160

1шт.

36

43127

BOLT,Hex, M8 x 1.25 x 25mm, Cl 8.8

10шт.

37

V3528794

WASHER

8,25 x 6 x 20

6шт.

38

J3226195

FOOT REST

1шт.

39

J4641408

PROTECTOR

1шт.

40

H132970

BOLT,Hex, M8 x 60

2шт.

41

H35427

RIVET

M8 x 18

2шт.

42

Z8728223

SUPPORT

1шт.

43

H35427

RIVET

M8 x 18

2шт.

44

H8728231

SHEET

1шт.

45

F35448

RIVET,8mm OD x 18mm L

M8 x 21

2шт.

Выбрано товаров: 45