Запчасти Case 788 (04-02) - ELECTRICAL ACCESSORIES CAB 788P / 788PSU (06) - ELECTRICAL SYSTEMS

Схема запчастей Case 788 - (04-02) - ELECTRICAL ACCESSORIES CAB 788P / 788PSU (06) - ELECTRICAL SYSTEMS
FIT
1:1
100%

Артикул

Название

Примечание

Количество

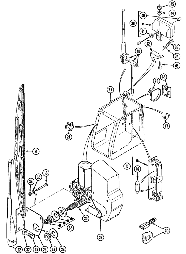
15

D4143223

COURTESY LIGHT

DOME LIGHT , Consists Of Ref. Number 16

1шт.

16

F1140506

LAMP

24V - 10W

2шт.

17

P1436961

CLASP

3шт.

18

N4143232

ANTENNA

1шт.

19

814-5055

BOLT,Hex, M5 x 0.8 x 55mm, Cl 8.8

3шт.

20

Q2341805

WIPER MOTOR

MOTOR, WIPER

1шт.

21

Z4143265

WIPER BLADE

BLADE, WIPER

1шт.

22

X4143264

WIPER ARM

HOLDER, BRUSH

1шт.

23

R1826859

COVER

1шт.

23a

DI-36103

CONNECTOR, ELEC

CONNECTOR , Not Illustrated

1шт.

23b

DI-35402

TERMINAL CONNECTOR,Female

Not Illustrated Female

4шт.

24

N3836941

CLASP

1шт.

25

P5625606

SUPPORT

1шт.

26

A35006

WASHER

M16 N

1шт.

27

A2352233

HARNESS

1шт.

27a

DI-36102

CONNECTOR, ELEC

CONNECTOR , Not Illustrated

1шт.

27b

DI-36104

TERMINAL CONNECTOR

Male, Not Illustrated

4шт.

28

J3036928

BASE

1шт.

29

S1436941

MOUNTING CLIP

1шт.

30

REF

INSTRUCTION

Cover, See Standard Catalog

1шт.

31

120104

BOLT,Hex, M8 x 1.25 x 20mm, Cl 8.8

2шт.

32

V35002

WASHER

M8 N

2шт.

33

43127

BOLT,Hex, M8 x 1.25 x 25mm, Cl 8.8

2шт.

34

715853R1

RING

M8 N

2шт.

35

P34605

WASHER

M5 U

3шт.

36

V834574

SAFETY NUT

M5

3шт.

37

J41477

GROMMET

1шт.

38

B4243294

SPARE PART SET

1шт.

39

H841784

HEADLIGHT

Consists Of Ref. Numbers 40, 41

1шт.

40

K340501

BULB

24V

1шт.

41

N2741405

GROMMET

dia 12

1шт.

42

T7928232

SUPPORT

1шт.

43

11106231

BOLT,Hex, M10 x 1.5 x 25mm, Cl 10.9

1шт.

44

CASJ934912

TUBE

1шт.

45

G34598

SAFETY NUT

M10

1шт.

Выбрано товаров: 35