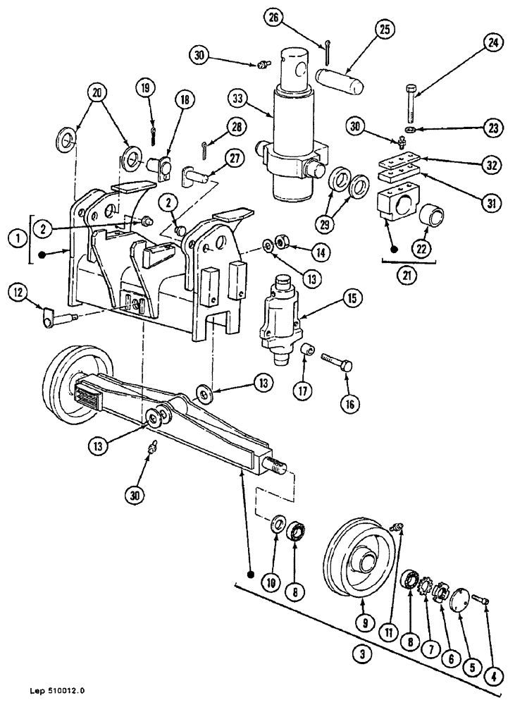
Запчасти Case 688B (40) - FRONT RAIL GUIDE SUPPORT (04) - UNDERCARRIAGE

Схема запчастей Case 688B - (40) - FRONT RAIL GUIDE SUPPORT (04) - UNDERCARRIAGE
21
16
2
13
6
15
13
30
8
18
13
4
10
30
29
30
1
33
3
31
24
25
17
26
7
23
8
2
32
19
5
20
14
28
12
9
11
27
22
FIT
1:1
100%

Артикул

Название

Примечание

Количество

1

E7554975

FRAME

1шт.

2

N1127863

SHAFT LOCK

2шт.

3

K1746514

AXLE, FRONT

1шт.

4

864-6030

HEX SOC SCREW,M6 x 30mm, Cl 8.8

M6 x 25

6шт.

5

M4540303

COVER

PLATE

2шт.

6

T134521

SLOTTED NUT

M90

2шт.

7

S45372

WASHER

90

2шт.

8

Q139808

BEARING

4шт.

9

R742041

WHEEL

2шт.

10

J1145569

WASHER

2шт.

11

J45801

LUBE NIPPLE,M8 x 1.25

2шт.

12

B730964

PIN

60

1шт.

13

L145347

WASHER,61mm ID x 110mm OD x 2mm Thk

61 x 110 x 2

1шт.

14

W1134541

SAFETY NUT

M42

1шт.

15

REF

INSTRUCTION

CYLINDER

2шт.

16

87015557

BOLT,Hex, M20 x 100mm, Cl 10.9

4шт.

17

U4528718

SHIM

21 x 40 x 35

4шт.

18

E3430914

PIN

75

2шт.

19

C36020

SPLIT PIN/SAFETY PIN

2шт.

20

K3145351

WASHER

76 x 130 x 2

1шт.

21

M5123422

CYLINDER END CAP

BEARING

2шт.

22

M2228780

BUSHING

65 x 85 x 57

1шт.

23

G4628733

WASHER

25 x 8 x 45

4шт.

24

U1533842

SCREW

M24 x 180

4шт.

25

K1827681

PIN

60

1шт.

26

M35569

SPLIT PIN

2шт.

27

C1827674

PIN

30

2шт.

28

REFERENCE

SPARE PART

4шт.

29

Q245424

WASHER

66 x 110 x 2

1шт.

30

W45836

LUBE NIPPLE,1/8"-27 NPT

GREASE

5шт.

31

E4723307

BLOCK

SHIM, ep8

1шт.

32

F4723308

BLOCK

SHIM, ep3

1шт.

33

REF

INSTRUCTION

CYLINDER

1шт.

Выбрано товаров: 33