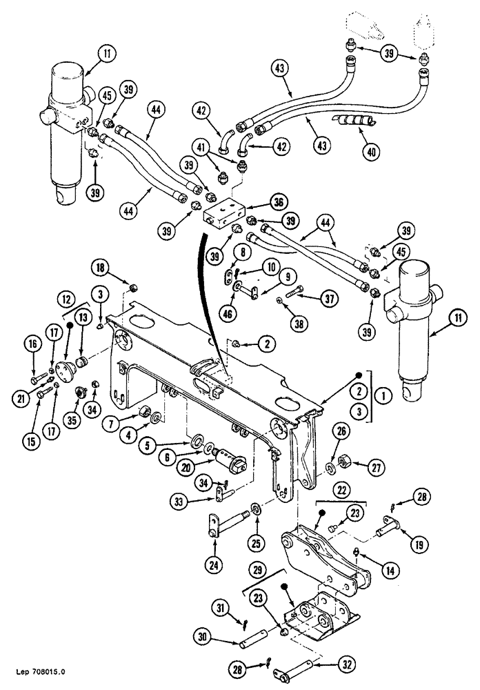
Запчасти Case 688B (44) - STABILIZER (04) - UNDERCARRIAGE

Схема запчастей Case 688B - (44) - STABILIZER (04) - UNDERCARRIAGE
16
9
39
45
35
5
42
34
14
43
10
44
39
18
8
20
30
39
34
32
41
43
22
44
19
6
2
17
45
37
21
27
39
44
38
29
31
28
33
39
2
39
3
11
24
23
13
12
23
3
46
25
42
1
17
26
15
4
40
11
39
39
36
7
28
39
FIT
1:1
100%

Артикул

Название

Примечание

Количество

1

M7554982

BEAM

1шт.

2

F50053

SHAFT LOCK

4шт.

3

M127868

SHAFT LOCK

2шт.

4

U1945335

WASHER

2шт.

5

K3145351

WASHER

76 x 130 x 2

1шт.

6

V35025

WASHER

M45N

2шт.

7

U834504

SAFETY NUT

M45

2шт.

8

U4524118

ROD, CONNECTING

2шт.

9

E130920

PIN

40

2шт.

9

F130921

PIN

Dia 40

2шт.

10

C36020

SPLIT PIN/SAFETY PIN

6

4шт.

11

REF

INSTRUCTION

CYLINDER, See Figure : 58

1шт.

12

V150209

CAP

4шт.

13

K2228778

BUSHING

60 x 75 x 49

1шт.

14

W45836

LUBE NIPPLE,1/8"-27 NPT

6шт.

15

87015557

BOLT,Hex, M20 x 100mm, Cl 10.9

8шт.

16

A2133802

SCREW

M20 x 80 x 80

4шт.

17

H5428789

WASHER

21 x 7 x 35

24шт.

18

X2434502

SAFETY NUT

M20

12шт.

19

K1130988

PIN

55

2шт.

20

L3430920

PIN

75

2шт.

21

J45801

LUBE NIPPLE,M8 x 1.25

8шт.

22

L7554981

STABILIZER

2шт.

23

F50053

SHAFT LOCK

3шт.

24

Z230988

PIN

Dia 60

2шт.

25

L145347

WASHER,61mm ID x 110mm OD x 2mm Thk

61 x 110 x 2

1шт.

26

L34625

WASHER

M42U

2шт.

27

W1134541

SAFETY NUT

M42

2шт.

28

C36020

SPLIT PIN/SAFETY PIN

6

4шт.

29

K7554980

SKID/SHOE

2шт.

30

V3430998

PIN

60

2шт.

31

B35559

SPLIT PIN

4шт.

32

V130981

PIN

Dia 60

2шт.

33

T50387

PIN

30

2шт.

34

L36005

SPLIT PIN/SAFETY PIN

2шт.

35

U50595

REFLECTOR

2шт.

36

P4637756

SHIN

1шт.

37

43128

BOLT,M8 x 1.25 x 30mm, Cl 8.8

2шт.

38

M4328795

WASHER

8.25 x 6 x 15

2шт.

39

G3237532

UNION

"M18 x 1.5"

10шт.

S2230418

GASKET

15.7 x 20.9 x 1.5

1шт.

40

L1103619

PROTECTOR

4шт.

41

M3237583

UNION

M22 x 1.5

2шт.

G1145268

GASKET

9.6 x 24.3 x 1.5

1шт.

42

Q1737020

ANGLE

2шт.

43

D5431936

HOSE

630 mm

2шт.

44

C6731987

HOSE

1000 mm

4шт.

45

M4043365

JUNCTION BOX

2шт.

S2230418

GASKET

15.7 x 20.9 x 1.5

1шт.

U31022

BALL

8.5

1шт.

46

K145346

WASHER

4шт.

Выбрано товаров: 51